目录
[4. 烧录STM32程序](#4. 烧录STM32程序)
[3. IO八种工作模式](#3. IO八种工作模式)
[1、STM32 IO工作模式](#1、STM32 IO工作模式)
[3.复用推挽/开漏输出(Alternate Funtion,AF)](#3.复用推挽/开漏输出(Alternate Funtion,AF))
[1.上拉输入(Input Pull-up)](#1.上拉输入(Input Pull-up))
[2.下拉输入(Input Pull-down)](#2.下拉输入(Input Pull-down))
[3.浮空输入(Floating Input)](#3.浮空输入(Floating Input))
[4.模拟输入(Analoge mode)](#4.模拟输入(Analoge mode))
1.认识stm32单片机
STM32是单片机,它由意法半导体制造。ST是意法半导体的简称,M指的是微控制器(MCU),也就是MCU的第一个英文。32指的是32位的CPU,它的CPU是采用 ARM公司的Cortex-m系列的内核设计。
学习STM32单片机可以访问两个官网,一个是意法半导体官网和STM32系列单片机的官网,其中Cortex-M后面的数字越大性能越好。


以STM32F103C8T6为例:
stm32是家族名,还有stm8,32和8的区别就是CPU处理数据的位数不一样,而且32采 用的是ARM公司的Cortex-M系列的内核,8是意法半导体自主研发的CPU内核。
F指的是产品类别,它是属于基础型,还有汽车A级,超低功耗L等类型。
103这三个数字是指特点的功能,它指STM32的基础型,还有051入门级等等。
C指的是STM32的引脚数量,不同的大写字母代表的不同的引脚数,C代表48引脚。
8是指STM32的闪存(flash)大小,也就是放代码空间的大小,8指闪存大小是 64KB。
T指的是芯片的封装形式QFP。
6指的是芯片的工作环境的温度-40°到+85°。
2.开发环境安装
1.开发环境
1.安装MDK(keil)
Keil提供了包括C编译器、宏汇编、链接器、库管理和一个功能强大的仿真调试器等在内的完整开发方案,通过一个集成开发环境(μVision)将这些部分组合在一起。 目前软件对中文的支持不友好,不建议安装网上的一些汉化包之类的。另外建立 的工程文件路径也尽量不要存在中文,否则可能会出现一些异常。
2.安装芯片包stm32f1xx
3.网络连接的表达方式
用连线表示两个器件有连接
用网络标号来表示两根期间有连接
2.单片机开发模式
1.汇编操作寄存器。执行效率高。编写难度大,移植性差。
2.使用C语言操作寄存器。 执行效率适中。编写效率低,移植性差。
3.使用库开发
- 标准库,执行效率稍低,但是编写效率高,移植性稍高
标准库是ST公司最早发布的固件库,对STM32芯片进行了完整的封装,覆盖了对 应的外设的所有功能。它的缺点就是,它是针对某款STM32型号设计的,可移植性差,例如,F1系列的库和F4系列的库是不同的,但是在F1系列中还是可以通用的。
- HAL库,执行效率稍低,但是编写效率高,移植性好
HAL库是近几年官方极力推荐的库,覆盖了全系列的芯片,可以说HAL库就是用 来取代标准库的,相对标准库,HAL库有着更高的抽象、整合水平,它的API更多 的集中关注在外设的公共函数功能,HAL库的移植性好,它在STM32中的通用性很强。
3.创建工程的方式
创建工程方式有两种:使用Keil创建工程模板、 使用STM32CubeMX
新建一个工程:
1.新建一个文件夹,添加文件:
- DOC工程说明:doc说明文档
- Libraries固件库:cmsis内核文件;FWLIB外设文件;start_up启动文件
- Project工程文件:keil工程
- User应用程序:应用程序
2.Keil里面新建文件
- START_UP 启动文件
- USER 应用程序
- CMSIS 内核配置相关文件
- DOC 说明文档
- FWLIB 外设相关配置
4. 烧录STM32程序
1.使用flymcu串口烧录
- 首先安装串口驱动
2.使用jlink、stlink烧录工具在线烧录
- 安装stlink/jlink驱动
- 配置魔术棒勾选然后烧录
3.基本GPIO控制
1.GPIO基础知识
GPIO(General-Purpose input/output,通用输入/输出接口)
用于感知外部信号(输入模式)和控制外部设备(输出模式)
- 简单模块:LED,按键,蜂鸣器,温度传感器,使用一个GPIO就可以完成数据的传输/ 控制
- 复杂一点的模块OLED,FLASH,六轴传感器需要多个引脚组成"协议"传输数据, USART,IIC,SPI等协议
- MCU单片机大都采用引脚复用模式也就是一个GPIO,可以直接控制它输出高低电 平,也可以设置为某个协议的引脚之一。此外,一些MCU的引脚,还能设置为ADC模 式读取模拟信号,或者设置为DAC模式输出模拟信号
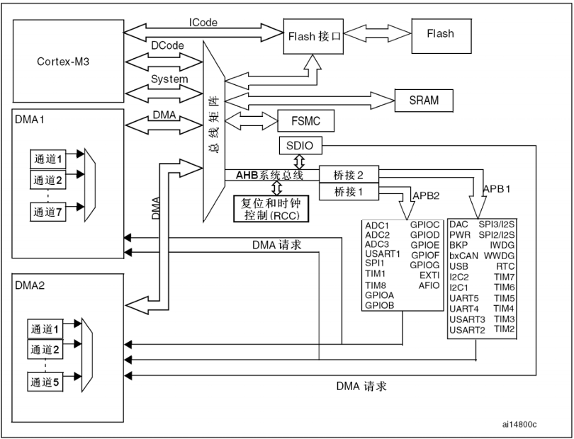
2.系统架构

3. IO八种工作模式
GPIO结构图

1、STM32 IO工作模式
输出模式有四种:推挽输出,开漏输出,复用开漏,复用推挽
输入模式有四种:上拉输入,下拉输入,浮空输入,模拟输入
输出模式:
1.推挽输出(Push-Pull,pp)
让输出控制变成了VDD/VSS输出,使得输出电流增大
提高了输出引脚的驱动能力,提高了电路的负载能力和开关的动作速度

2.开漏输出(Open-Drain,OD)
推挽输出模式可以直接输出高电平,开漏输出需要外接上拉电阻才能输出高电平
开漏输出的特性:
- 利用外部电路驱动能力
- 实现电平转换
- 方便实现"逻辑与" 功能

3.复用推挽/开漏输出(Alternate Funtion,AF)
GPIO除了作为通用输入输出引脚使用以外,还可以作为片上外设(USART,IIC,SPI) 专用引脚,即一个引脚可以有多种用途,但是同一时刻一个引脚只能使用复用功能中的一个
当引脚设置为复用功能的时候,可选择推挽复用模式或者复用开漏模式,在设置为复用开漏模式时,需要外接上拉电阻。
输入模式
1.上拉输入(Input Pull-up)
VDD经过开关、上拉电阻,连接外部I/O引脚。当开关闭合时,外部I/O输入信号时,默认输入高电平。


2.下拉输入(Input Pull-down)
VSS经过开关,下拉电阻,连接外部I/O引脚,当开关闭合时,外部I/O无输入信号 时,默认输入低电平。

3.浮空输入(Floating Input)
两个上下拉电阻开关均断开,没有上拉也没有下拉,I/O引脚直接连接TTL肖特基触发器
此时,I/O引脚浮空,读取的电平是不确定的,外部信号是什么电平,MCU引脚就输 入什么电平
MCU复位上电后,默认为浮空输入模式

4.模拟输入(Analoge mode)
两个上下拉电阻开关均断开,同事TTL肖特基触发器也断开,引脚信号直接连接模拟输入,实现对外部信号的采集。

2、GPIO的输出速度
STM32的I/O引脚工作再输出模式下时,需要配置I/O引脚的输出速度
该输出速度不是输出信号的速度,而是I/O口驱动电路的响应速度。
STM32提供了三个速度,2MHZ,10MHZ,50MHZ 。实际开发过程中需要结合实际情况选择合适的响应速度,以兼顾信号的稳定性和低功耗
- 当设备为高速时,功耗大,噪声大,电磁干扰强
- 当设备为低速时,功耗低,噪声小,电磁干扰弱
简单外设,比如LED灯,蜂鸣器建议使用2MHZ的输出速度
而复用为IIC,SPI等通信信号时,建议使用10MHZ或50MHZ以提高响应速度。
4.固件库实现LED点灯
1.LED灯
LED灯,是一种能够将电能转化为可见光的半导体期间
原理:当给P极施加正向电压时,空穴和自由电子在P-N结复合,辐射出光子而发光。
2.控制LED灯

LED灯的正极接到了3.3V,LED灯的负极接到了PA1,也就是GPIOA1引脚
只需要控制PA1为相对应的低电平,即可点亮对饮的LED灯,输出高电平则熄灭对应的LED 灯。
使用到的固件库
GPIO结构体:
typedef struct
{
uint16_t GPIO_Pin; //GPIO引脚
GPIOSpeed_TypeDef GPIO_Speed; //GPIO输出速度
GPIOMode_TypeDef GPIO_Mode;
}GPIO_InitTypeDef;
软件设计流程
1.初始化系统
- 初始化GPIO外设时钟
- 初始化LED引脚
2.输出电平
cs
#include "stm32f10x.h"
#include "main.h"
#include "led.h"
void delay(uint16_t time)//延时1ms
1ms
{
uint16_t i = 0;
while(time --)
{
i = 12000;
while(i --);
}
}
int main()
{
//初始化GPIOA1
led_init();
while(1)
{
GPIO_ResetBits(GPIOA,GPIO_Pin_1);//A1输出低电平,灯亮了
delay(1000);
GPIO_SetBits(GPIOA,GPIO_Pin_1);
delay(1000);
}
}
注:
1.resetbits为输出低电平
2.烧录后,需要按开发版的复位键
3.该软件延时主要就是让CPU"空转",通过计算不同指令周期的时间,参考CPU主频大小,大概算出延时时间,这种方法从表面看起来就不精确,但它是比较好实现: