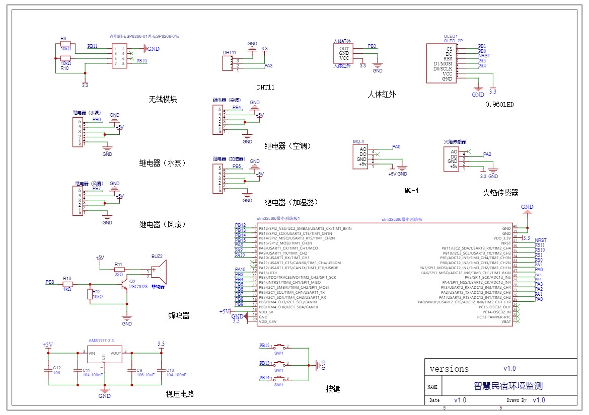
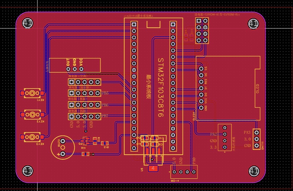
1)硬件端
1.ESP8266-01s:使用wifi模块进行联网使用;
2.0.96寸OLED:用于显示的设备的状态,实现实时监测;
3.STM32F103C8T6:用于所有程序的中控和模块数据通信;
4.温湿度传感器(DHT11):用于检测环境的温度和湿度;
5.火焰传感器:实时监测家居环境是否有明火,当检测到家居环境出现明火,蜂鸣器报警提醒
6.人体红外传感器:用于检测人体是否有人存在;
7.MQ-4:用于检测环境的的有害气体浓度是否超过阈值;
8.风扇:检测到数据异常时自动开启通风(有害);
9.蜂鸣器:用于报警提示(火灾,人体,空气)
10.水泵:监测到火灾时开启;
11.继电器(空调):自动模式下检测到温度数据异常时自动开启空调;
12.继电器(加湿器):自动模式下检测到湿度数据异常时自动开启加湿器(必须在吸水棉有水的情况下使用);
13.按键:可以按键控制布控,实现人体监测;
按键1可以开开启和关闭风扇
按键2可以开启和关闭空调(需要满足温度阈值才会开启)
按键3可以一键布控
(2)APP端
1.使用MQTT协议与设备进行信息交互;
2.可采集到底层设备数据并且展示到界面UI;
3.可以远程查看周围是否有人;
4.可以远程设置环境的有害气体浓度、温度阈值;
5.可以远程查看数据是否超标,界面会出现提示信息;
6.可以一键布控监测人体;
(3)云平台使用(需要可以找我获取)
只是链接各个设备使用,采用MQTT即时通讯;







