LP3799FAES-B 是芯茂微原边反馈(PSR)反激 AC-DC 开关芯片,集成≥650V 功率管,支持 CV/CC 闭环与电缆压降补偿(CDC),适合 30--36W 隔离适配器 / 充电器与恒压恒流设备,低成本、低待机、EMI 友好。
典型应用场景与功率 / 电压建议
| 应用场景 | 典型功率 / 电压 | 核心优势 |
|---|---|---|
| 手机 / 平板充电器(USB-A/USB-C) | 30--36W;5V/3A、9V/3A、12V/3A | CV/CC 稳、CDC 补压降、低待机、EMI 易过 |
| AC-DC 适配器(家电 / 网通) | 30--36W;12V/3A、24V/1.5A | 原边采样省光耦、保护全、成本可控 |
| 工业辅助电源(PLC / 传感器) | 30--36W;12V/3A、24V/1.5A | 宽压输入、逐周期限流、短路保护 |
| LED 恒流驱动(商用 / 工业) | 30--36W;恒流输出 | 高精度 CC、多模式控制、效率高 |
核心特性与选型要点
控制与效率:CV 多模式(AM/FM 混合)、CC PFM 补偿;宽负载高效,低待机功耗(<75mW),音频噪声优化。
保护与可靠性:UVLO、VCC OVP / 钳位、逐周期 OCP、短路保护(SLP)、LEB;集成高压 MOS,简化 BOM。
电磁兼容:数字台阶抖频 + 分段驱动,传导 / 辐射 EMI 更易过认证,降低滤波成本。
封装与版本:FAES-B 通常为 SOP-8,适合 PCB 小型化;同系列还有 FAC(TO-220-6F)等,按散热与功率选型。
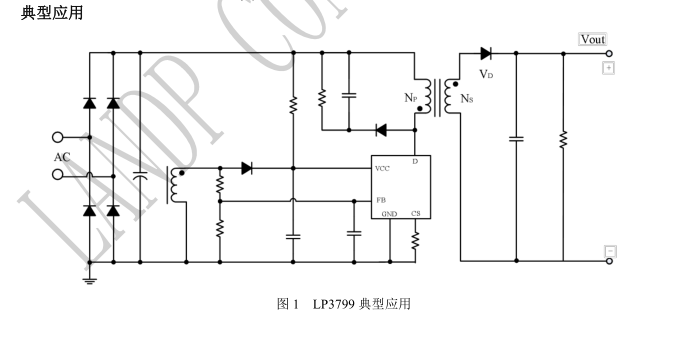
典型应用电路图:

内部结构图:


引脚定义与接线(SOP-8,正视引脚 1--8)
| 引脚 | 功能 | 接线要点 |
|---|---|---|
| 1 (VCC) | 供电 | 辅助绕组经 D3 整流 + EC2 滤波;VCC≈12--18V,避免波动触发 UVLO/OVP |
| 2 (FB) | 反馈 / CDC | 接 R1/R2 分压至辅助绕组;启用 CDC 补偿线缆压降 |
| 3 (GND) | 功率地 | 与 RCS、EC1 负端单点接地,最小化功率环路 |
| 4 (NC) | 空脚 | 悬空 |
| 5 (NC) | 空脚 | 悬空 |
| 6 (NC) | 空脚 | 悬空 |
| 7 (CS) | 电流采样 | 接 RCS 上端,设定 OCP 阈值 |
| 8 (D) | 漏极(内置 MOS) | 接变压器原边与母线正,优化 PCB 散热覆铜 |
设计与调试关键要点
变压器设计(重中之重):反激 PSR,定变比与电感量;辅助绕组与次级同步,确保 VCC 稳定;气隙与绕制工艺影响效率与 EMI。
输出电压设定:VOUT=(VFB_REF × (R1+R2))/R2;启用 CDC 补偿时,适当上调分压比以抵消线缆压降(典型补偿 0.5--1V)。
电流采样与限流:RCS=VCS_REF/IPEAK;36W 满载 IPEAK≈2.5--3A,选 0.2Ω/2W,注意 PCB 覆铜散热。
VCC 供电:辅助绕组电压≈15V,EC2≥10μF/25V;避免 VCC 过低触发 UVLO 或过高触发 OVP。
EMI 优化:前端 LCM+CX1+Y 电容(合规);次级 RC 吸收;功率环路最小化;地平面分区(功率地 / 信号地单点连接)。
保护与自恢复:UVLO、OCP、SLP、OTP 均内置,确保短路 / 过载时可靠关断并自恢复