随着5G网络建设的快速推进,我国通信基站数量已超过370万座,其中不少位于偏远山区、草原、海岛等电网薄弱或完全离网的区域。这些基站面临的供电挑战日益突出------市电不稳定、柴油发电机备电存在延迟与高噪音、运维成本不断攀升。如何保障基站7×24小时不间断运行,同时实现经济、环保的能源供给,已成为通信基础设施建设中的关键课题。
在这一背景下,"光储一体机"逐渐成为基站供电系统升级的重要方向。它通过将光伏发电与储能电池相结合,在日照充足时利用太阳能供电并储存多余电能,在夜间或阴天时释放储能,从而减少对市电和柴油的依赖。然而,仅仅有光伏板和蓄电池还不够,要让整个系统安全、高效、智能地运转,离不开一个能够统筹协调多种能源的"智慧大脑"------能量管理系统。

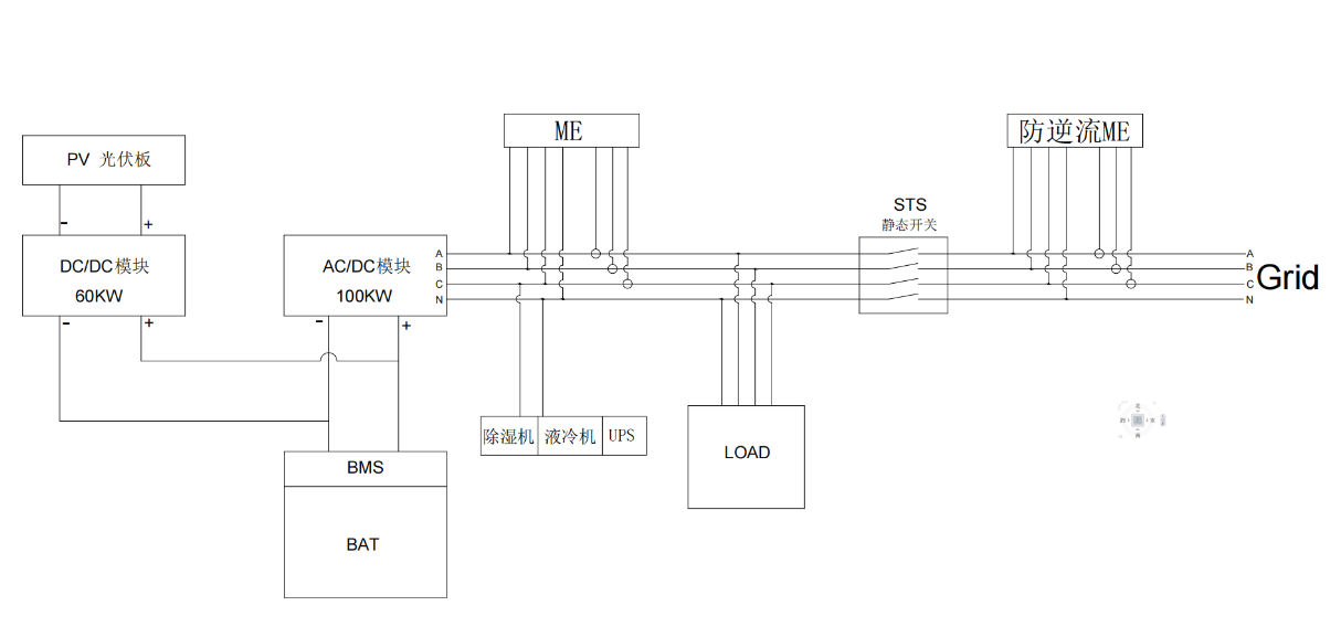
图1 光储一体机的电器示意图
一套理想的基站光储能量管理系统,首先要解决的是供电可靠性问题。在偏远基站,市电可能中断,光伏发电又具有间歇性,因此系统必须能够平滑整合光伏、储能、市电乃至柴油发电机等多种电源,实现它们之间的无缝切换,确保通信设备永远不断电。
其次,系统的核心之一是电池管理。储能电池是系统的"能量银行",其健康状况直接关系到整个系统的寿命与安全。优秀的系统应能实时监测电池组的荷电状态(SOC)、健康状态(SOH),乃至每一节电芯的电压和温度,通过智能算法防止电池过充过放,有效延长其使用寿命。

图2 光储一体机能量管理单元现场应用图
此外,面对分布广泛、地处偏远的基站,远程运维能力至关重要。通过无线网络将现场数据上传至云平台,运维人员可以集中监控成千上万个站点的运行状态。一旦出现故障,系统能自动报警并推送信息,从而大幅降低人工巡检的频次和成本,实现"无人化值守"。
最后,系统还需具备并网安全智能。当光储系统与本地电网连接时,必须确保不会向电网反向送电(防逆流),也要避免因充电功率过大导致上级变压器过载(防过载)。这些功能不仅是电网的强制要求,也是系统自身安全、稳定运行的基础。
那么,这样的系统是如何具体工作的呢?我们可以将其功能概括为"全方位感知、智能化调度"。
在感知层面,系统如同给能源系统装上了"全身检查传感器"。它在一个统一的平台上,实时监控光伏阵列的发电功率、储能电池的详细数据、双向变流器(PCS)的工作状态,乃至机柜内部的温度、湿度、烟感等环境信息。通过一张全景视图,运维人员可以对系统健康状况了如指掌。


图3 光伏发电与储能系统监测界面示意图
在调度与控制层面,系统则像一个经验丰富的"能源调度官"。它根据实时数据,自动执行最优策略。例如,在并网模式下,优先使用光伏发电,用不完的电给电池充电;光伏不足时,则用电池放电,从而最大限度利用绿电,削减电网高峰时段的用电成本,实现"削峰填谷"。一旦市电中断,系统能在毫秒级时间内切换至离网模式,由光储系统建立稳定的独立微电网,保障负载运行。如果储能电量即将耗尽,它还能智能启动柴油发电机,并在市电恢复后自动切换回来。


图4 智能控制策略(如防逆流、防过载)界面示意图
为了适应不同地区的电价政策和电网规则,系统还提供了多种可定制的智能控制模式。例如,可以设置储能在电价低的谷时充电,在电价高的峰时放电,直接节约电费。也可以设定严格的防逆流阈值,确保100%不向电网反送电。还能为重要负载预留一部分"备电容量",平时绝不使用,只在紧急情况下启用,作为最高等级的电力安全保障。

图5 数据上传与远程运维平台界面示意图
这些丰富的运行数据和智能决策,最终通过4G/5G等无线网络,稳定上传至云端。运维人员无论是在办公室通过电脑网页,还是在现场通过手机APP,都能随时查看遍布全国的基站能源数据,接收故障报警信息,并获取系统自动生成的发电量、用电量、节能减排量等分析报表。这标志着基站能源管理从传统的"故障后响应、人工现场巡检"模式,迈向了"数据驱动、主动预警、远程处置"的智能化新阶段。

图6 移动端与网页端监控界面示意图
值得一提的是,这种高度集成化、智能化和可靠性的光储能量管理系统,其应用场景远不止于通信基站。它所解决的"离网/弱网地区可靠供电、无人化运维、绿色能源高效利用"等核心问题,在众多领域都存在迫切需求。
例如,在边防哨所、野外科研营地,它可以提供持续、安静的生活与工作电力。在广阔的渔牧业园区和农业灌溉区,它能驱动增氧泵、监控设备,助力乡村产业振兴。在油田、矿山等作业区,可为分散的监测设备提供稳定电源。甚至在应急抢险、临时大型活动中,也能快速部署,作为即插即用的纯净能源站。

图7 系统应用场景拓展示意图
总而言之,以安科瑞Acrel-2000ES系统为代表的新一代基站光储能量管理系统,通过将全景监测、智能控制、策略多元与云端运维深度融合,不仅为通信网络构建了"可靠、经济、绿色"的能源基石,更重新定义了离网及微网能源系统的管理标准。它悄然推动着能源管理方式的深刻变革,为我们迈向更加智能、韧性与可持续的未来社会,提供了扎实的技术支点。