LP2177B芯片简介
-
同一颗SOP-8,0 Ω电阻决定输出:贴0 Ω=3.3 V,空贴=5 V,产线换档只要10 s;
-
100-240 VAC全电压,输出电流400 mA,实测效率≥63 %,待机≤70 mW,足刷ERP6;
-
脚位、CS电阻、VCC电容、EMI网络与BP2525 1:1对应,Gerber无需改动,真正"盲替";
-
BOM成本比BP2525低¥0.11,现货在库。
芯片内部把"减法"做到极致
BP2525为了做双电压,需要外搭分压+跳线+两颗取样电阻,而LP2177B把反馈网络全部集成,只在FB脚内部做两组基准:
-
当FB脚通过0 Ω电阻短接到GND时,基准切换为1.25 V,折合输出3.3 V;
-
当FB脚悬空时,基准回到1.9 V,折合输出5 V。
产线只需要一台0201贴片机,根据订单BOM选择"贴与不贴",再不用为两种电压备两块板、两套料。
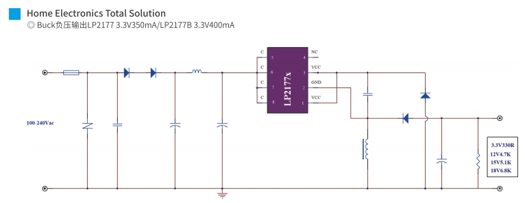
原理图

-
Buck:适合智能开关、小家电控制板,成本低;
-
Buck-Boost:适合需要"浮地"或负端与火线隔离的触摸键、Wi-Fi模组。
核心器件清单:

实测数据
条件:室温25 ℃,EC1=4.7 µF/400 V,L1=470 µH,输出470 µF/10 V,带宽20 MHz。
| 输入电压 | 输出档位 | 空载功耗 | 400 mA效率 | 纹波 | OCP点 | 温度(芯片) |
|---|---|---|---|---|---|---|
| 115 VAC | 5 V | 62 mW | 65.3 % | 38 mV | 680 mA | 78 ℃ |
| 230 VAC | 5 V | 68 mW | 62.1 % | 42 mV | 670 mA | 85 ℎ |
| 115 VAC | 3.3 V | 58 mW | 63.7 % | 35 mV | 650 mA | 75 ℎ |
| 230 VAC | 3.3 V | 64 mW | 60.4 % | 40 mV | 660 mA | 82 ℎ |
关键余量:
-
EMI:QP 6 dB@150 kHz,一次性过CISPR14 B;
-
浪涌:L-N ±1 kV,无需压敏即可通过;±2 kV时并471KD07;
-
ESD:Air ±8 kV,Contact ±6 kV,Wi-Fi模组不死机。
与BP2525对比:一眼看完差异
| 项目 | BP2525 | LP2177B | 结论 |
|---|---|---|---|
| 双电压方式 | 外部分压+跳线 | 内部基准切换 | 省3颗电阻1颗跳线 |
| 待机功耗 | 85 mW | 64 mW | 降25 % |
| 400 mA效率 | 57 % | 63 % | 高6个点 |
| OCP精度 | ±15 % | ±8 % | 更集中 |
参考案例
-
智能墙壁开关:Buck结构,5 V/300 mA给继电器+触控MCU,LP2177B替换BP2525后,PCB缩小8 mm×12 mm,整机温降7 ℃;
-
蓝牙Mesh插座:Buck-Boost结构,3.3 V/400 mA给Wi-Fi模组,K1贴0 Ω,过CE/ERP6

Layout小贴士
-
功率环:EC1+→FR1→U1-Drain→L1→EC5+→EC1-,环路面积<1 cm²;
-
FB走线:K1靠近PIN3,走线宽0.25 mm,远离Drain,防止分压受dV/dt干扰;
-
地分割:信号地(PIN2)与功率地单点连接,位于EC1-与EC5-之间;
-
散热:SOP-8底部打3×0.3 mm过孔到GND铜皮,满载芯片温升<45 K。