电源的个人理解
电源是什么
从日常生活中理解,电源 是一种提供能量的来源,例如电池。但在大功率长时间使用中,更多电源指的是从市电220v转换为使用的工具。而通过电池和充电器角度 看,充电器才是为电池提供能量的来源,这里的充电器更像是电源 (实际中很多充电器就是当电源使用)。
而在电路设计中经常提到的电源基本上是一种把可用电能转换为可用电能的电路,例如插上插座给电脑充电的充电器也是一种电源。
电源的拓扑结构
拓扑这个词太广泛了,这个词是数学中的一个分支,研究几何图形或空间在连续变形下保持不变的一些性质。它只考虑物体间的位置关系,而不考虑它们的形状和大小。在网络分布中有星形,环形等,算是一种变形理解,可以理解为将不影响核心功能的东西简化为节点和分支的形式表示出来。
常被提到的几种电源拓扑结构
从实际电路中看,这些结构表示的核心功能的简化板,例如为了安全的光藕分离高低电压;为了更快的控制开关使用MOS管的驱动芯片;为得到平稳的输出电压,需要多种容量的电容并联等,这些都是细化的部分,在拓扑结构中并没有体现。
占空比pwm的概念
如下图所示,一个pwm波形的周期时间是T ,导通时间是Ton ,断开时间是Toff ,占空比D 是导通时间占周期的比例

拓扑结构
BUCK 降压电路
BOOST 升压电路
BUCK-BOOST 降压-升压电路
Forward 正激电路
FLYBACK 反激电路
Two-Transistor Forward双晶体管正激
PUSH-PULL 推挽电路
HALF BRIDGE 半桥电路
FULL BRIDGE 全桥电路
SEPIC 电路
一,Buck,(直流)降压电路

关键元件功能 :
开关:调整输入的占空比进而控制输出
D1:续流二极管,为了消除开关断开后电感的电流无法突变产生冲击的感应电压
C1:为了得到平稳的输出电压
工作原理
开关闭合,输入给电感充电,电能转换为磁能;开关断开,电感开始作为一种给电路提供能量的元件。
输出电压和输入电压的关系
(计算过程后面博文详解)
Vo=TonT(1) Vo = \dfrac{Ton}{T} {\tag1} Vo=TTon(1)
二,boost升压电路

关键元件功能 :
开关:调整输入的占空比进而控制输出
D1:防止后面输出的电流经过mos开关倒流
C1:为了得到平稳的输出电压
工作原理
开关闭合,输入给电感充电,电能转换为磁能;开关断开,电感的感应电动势和输入电压之和 作为电源输入。
输出电压和输入电压的关系
Vo=VI1−D(2) V_o = \dfrac{V_I}{1-D} {\tag 2} Vo=1−DVI(2)
三、buck-boost

关键元件功能 :
开关:调整输入的占空比进而控制输出
D1:防止输入和输出负极短接
C1:为了得到平稳的输出电压
工作方式和输出电压
开关闭合,先给电感充电,然后断开,这样电感和电容共同给负载提供能量。
两种工作模式 :CCM(Continuous Coduction Mode)连续模式和DCM(Discontinuous Mode)断续模式,区别就是在ccm模式上多了一段电感磁场能量完全释放的时间段
CCM模式下
输出和占空比有关。D>50%,Vo>Vi
Vo=−Vin∗D1−D(3) V_o = \frac{-V_{in}*D}{1-D} { \tag3} Vo=1−D−Vin∗D(3)
四、 Forward 正激(单管)

关键元件功能 :
开关:调整输入的占空比进而控制输出
L1:储能,和前面降压电路的电感很像
D1:为电感和负载续流
D2:将电能从初级便传送到后面电感
C2:为了得到平稳的输出电压
工作原理
开关闭合后 ,变压器传送电能到后面,通过D2给电感充电 。开关断开后 ,D1作为续流二极管把电感的能量给负载
需要注意,有一个同名端反向的线圈为了给初级线圈去磁
五、FLYBACK 反激电路

关键元件功能 :
开关:调整输入的占空比进而控制输出
D2:防止开关闭合时电流倒流
C1:为了得到平稳的输出电压
工作原理
开关闭合后 ,变压器传送磁极线圈的磁能,但由于D2的原因,能量不能传递后级电路。开关断开后,磁极线圈的极性反转,可以为电容和负载提供能量。
六、Two-Transistor Forward双晶体管正激
关键元件功能 :
开关:调整输入的占空比进而控制输出
L1:储能,和前面降压电路的电感很像
D1:为电感和负载续流
D2:将电能从初级便传送到后面电感
C1:为了得到平稳的输出电压
工作原理
两个mos开关闭合后 ,变压器传送电能到后面,通过D2给电感充电 。同时开关断开后 ,D1作为续流二极管把电感的能量给负载
和单管正激不同的是,两个续流二极管和初级线圈构成回路不需要去磁的辅助线圈
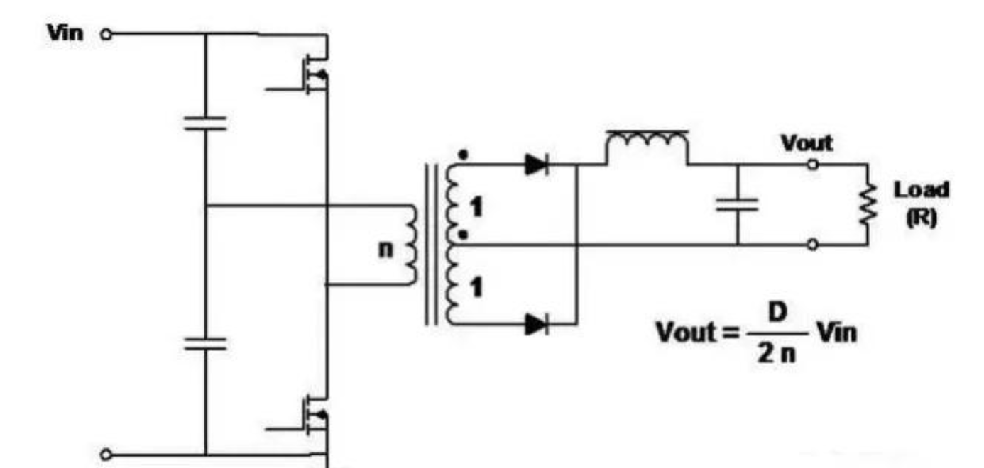
七、推挽开关电源

工作原理:
两个mos管交替导通,不同时导通。连接U1的mos导通 时,D2导通 ,给后面电感充电;连接U2的mos管导通 时,D1导通,也是给电感充电。当两个mos全部关断,D1和D2全部导通且分一半电流,而且mos管承受2倍工作电压,严禁同时导通。
八、HALF BRIDGE 半桥电路
图片来源网络,可以看出和推挽不同的是初级线圈的电路,

工作原理:
同样,两个mos管交替导通,不同时导通。根据电容的分压,实际工作中,初级线圈只有输入电压的一半, 那么在mos上的电压和输入电压相同
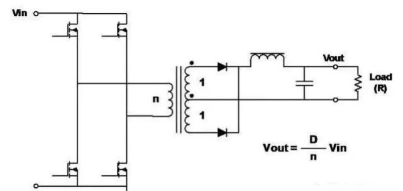
九、FULL BRIDGE 全桥电路
使用了四个mos,对角的mos导通,大功率电源使用,同功率输出时,初级线圈是半桥的一半,mos管耐压和输入电压相同,
