目录
官方文档说明
Description
The variable inductor is used in a series LC filter tuned at the 5th harmonic. This filter is connected to a RL 60-Hz voltage source in parallel with a 300-Hz current source.
Inductance is varied sinusoidally +/- 10 % around its nominal value. Compare filter voltage and current of continuous and discrete models
该可变电感器用于调谐至 5 次谐波的串联 LC 滤波器中。此滤波器与一个 60 赫兹 RL 电压源相连,且该电压源与一个 300 赫兹电流源并联。
电感值以其额定值为中心,按正弦规律在 ±10% 的范围内变化。请对比连续模型与离散模型的滤波器电压和电流。
关键术语说明(补充)
- variable inductor:可变电感器
- series LC filter:串联 LC 滤波器
- 5th harmonic:5 次谐波(300Hz 恰好是 60Hz 的 5 次谐波,与原文逻辑一致)
- nominal value:额定值、标称值
- continuous and discrete models:连续模型与离散模型(电路仿真 / 分析中的常见概念)

试运行


可以观察到两个模型几乎没有区别。
现在对I和V两个数据做减法。


可以看到电流有最大0.1A,电压有最大1.5V的差值。这对于20A,500V的模型而言,误差不到1%。
模型拆解


两者的区别仅在于可变电感模型。
值得指出的是,powergui可以在同一个模型中的不同子系统中存在。
连续模型

一组基础的法拉第定律,电流等于电压积分除以电感,由可控电流源和电压计组成。
离散模型

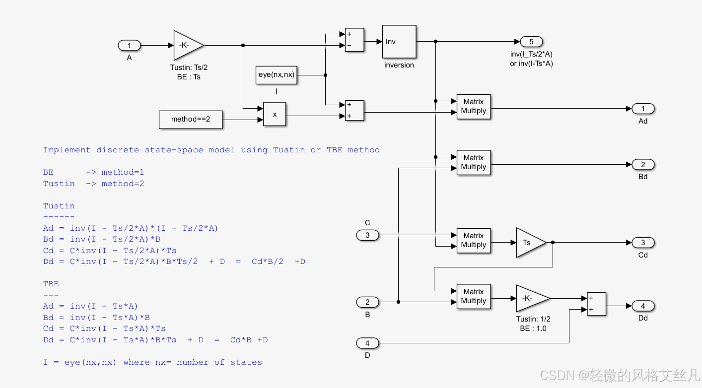
该模型位于simscape/electrical/specialized power system/passive中,可选择离散方法双极点或向后欧拉。



使用状态空间的方式来实现变电感。
谐波分析

可以使用傅里叶模块,设置基波频率和谐波次数,输出对应谐波分量随时间的变化情况。
总结
由于对时变系统理解不够深,这里不展开了。在使用可变电感时,这个例子告诉我们两个选择,一个是利用电流源的方式来实现可变电感,另一个是使用库内可变电感(支持离散,计算相对复杂)。