署名 浙江 方位
近期在淘宝闲鱼以250元买到一个博士90年代生产的古董低音炮,型号是Bose AM-25P Series II,产地墨西哥。内置功放(5声道卫星音箱加低音炮)的最大输出功率350W。


我手头有一台豪杰(奥斯卡1000型)低音炮(内置双5寸扬声器),其箱体结构是仿制BOSE AM系列低音炮的,使用中觉得其低音已经不错。这次买到的Bose AM-25P Series II是原装墨西哥生产,其音质应该比豪杰低音炮更胜一筹。不过,该低音炮的右声道,中置声道输出插座损坏。于是,决定通过改造使其发声。

1.拆机,查看
先拆下功放电路外壳上螺丝两颗。在功放电路外壳内部有卡子,顶住外壳不会掉下(见拆开后的图片)。要向箱体底部方向推下外壳的话,必需先将卡子上面的拨杆用薄片或螺丝刀按图示方向推开即可。然后。轻轻撬动外壳的同时将外壳向箱体底部方向推动,即可拆下外壳。





查看Bose AM-25P Series II






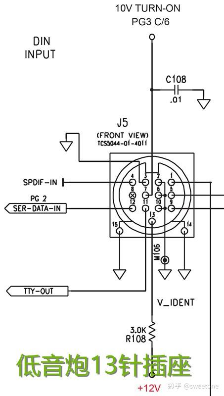
低音炮的信号输入及控制端子是通过一个13针插座输入的。其13针各个针脚的定义如图所示。可以知道,模拟LR左右声道信号由9,1脚输入,5脚接模拟地。前级控制的开机信号(10v)TURN-ON由7脚输入,串行通讯信号SER-DATA-IN由12脚输入,2,6,10接控制地。数字同轴信号SPDIF-IN由4脚输入,3脚是数字地。11脚,13脚可以不接。


手头有的前级控制器是BOSE Model 5 music center(CD-5音乐中心),已知其能够控制Lifestyle 5,8,9,25,30等低音炮。但是,不知道其能否控制AM-25P Series II低音炮。
查看资料,知道BOSE Lifestyle SA-2及SA-3后级功放通过用不同的转接头可以和BOSE Model 5 music center,BOSE Model 20 music center,BOSE AV-28 media center,BOSE AV-18/38/48 media center连接使用,可见SA-2及SA-3后级功放的线控SER-DATA-IN(串行通讯信号)的代码与BOSE Model 5 music center,BOSE Model 20 music center,BOSE AV-28 media center,BOSE AV-18/38/48 media center之间是互相兼容的。

2.自制转接线,维修插座
在淘宝上找到相同大小的13针插头,型号DSCT-13-07F-S ,其背后的针脚顺序与低音炮上13针插座的顺序一致。在其背后焊上连接线。9,1,5脚接2根RCA插头模拟音频线,连接BOSE Model 5 music center(CD-5音乐中心)的SPEAKERS OUT音频输出端。7,12,10脚接3.5mm 立体声插头连接线,连接BOSE Model 5 music center(CD-5音乐中心)的SYSTEM CONTROL系统控制端。由于BOSE Model 5 music center(CD-5音乐中心)不具有DVD,C D数字同轴输出功能, 4脚3脚暂时不接数字同轴信号线。





该低音炮的右声道,中置声道输出插座损坏。由于与其结构相同的整套插座买不到,于是用剪钳剪下其中损坏的这2个插座,再用好的插座整形后粘到原位置,并用导线接通插座与线路板。




3.试验
将13针插头连接上AM-25P Series II低音炮,再将与该插头相连的RCA插头模拟音频线,连接BOSE Model 5 music center(CD-5音乐中心)的SPEAKERS OUT音频输出端。将与该插头相连的3.5mm 插头连接线,连接BOSE Model 5 music center(CD-5音乐中心)的SYSTEM CONTROL系统控制端。然后打开BOSE Model 5 music center(CD-5音乐中心)的电源,听CD或其他音源,低音炮已经能发出低音。



-
3.5mm 插头连接线插到BOSE Model 5 music center(CD-5音乐中心)的SYSTEM CONTROL 1或SYSTEM CONTROL1 2插座,低音炮都能受其控制。
-
RCA插头模拟音频线,连接BOSE Model 5 music center(CD-5音乐中心)的SPEAKERS OUT音频输出端(音量可调)或FIXED SPEAKERS OUT(音量不可调),低音炮的音量均可调。在CD-5音乐中心音量调得差不多时,RCA插头模拟音频线插在BOSE Model 5 music center(CD-5音乐中心)的FIXED SPEAKERS OUT端时,低音炮发出的音量更大。

3.该低音炮主板是用2个ANALOG DEVICES公司的 ADSP-21061L KS-160 DSP芯片对模拟信号及数字同轴信号作VIDEOSTAGE环绕立体声处理,或对数字同轴信号作AC-3解码。因此,只用左右两个声道扬声器听模拟输入信号的话,感觉人声定位比较飘忽不定,要再加一个中置声道扬声器,即至少3个声道扬声器,才能感觉到清晰的人声定位。但是,手头的卫星音箱扬声器灵敏度比低音炮喇叭灵敏度要高,在小音量时,中高音比低音要响。为了有较饱满的低音,就调高音量,但是,此时中高音也同时提高了,较响的人声就会扰民影响邻居了。


4.低音炮在大音量时,塑料面板会发出杂音。观察箱体,看到箱体与面板缝隙之间部分有脱胶开裂。
4.改造
对于箱体与面板缝隙之间部分有脱胶开裂的情况,在塑料面板与箱体之间的缝隙内刷上木工白乳胶,然后将箱体塑料面板侧朝向地面,利用箱体自重,将缝隙处压紧。待白乳胶干透后,低音炮在大音量时,塑料面板也不再有杂音发出。

对于中高音比低音响的情况,另外制作了一个无源均衡衰减电路,衰减中高音,以平衡低音炮低音和卫星音箱中高音的音量。电路中电位器用于调整低音量感。
由前面试验可知,BOSE Model 5 music center(CD-5音乐中心)的FIXED SPEAKERS OUT端输出的电平较高。于是,将FIXED SPEAKERS OUT端的输出信号接此均衡衰减电路输入端,均衡衰减电路输出端接与13针插头相连的音频线RCA插头模拟信号输入端。



5.试听效果
加了无源均衡衰减电路的低音炮,即使在中低音量的情况下,低音也饱满厚实;在中大音量时,低音也更加充沛,不再有中高音扬声器过响的情况了。

