目录
[五, 实验中遇到的问题](#五, 实验中遇到的问题)
[六, 心得](#六, 心得)
实验资源下载
实验报告
一、实验目的
理解译码器的原理,使用logisim设计实现38译码器
二、实验环境
Logisim软件
三、实验内容
- 实验一完成了83编码器,本实验需完成38译码器,从三位二进制数易码为0-7十进制自然数。
- 实现二---十进制译码器。
- 将16-4编码器与4-16译码器电路连接
四、实验步骤
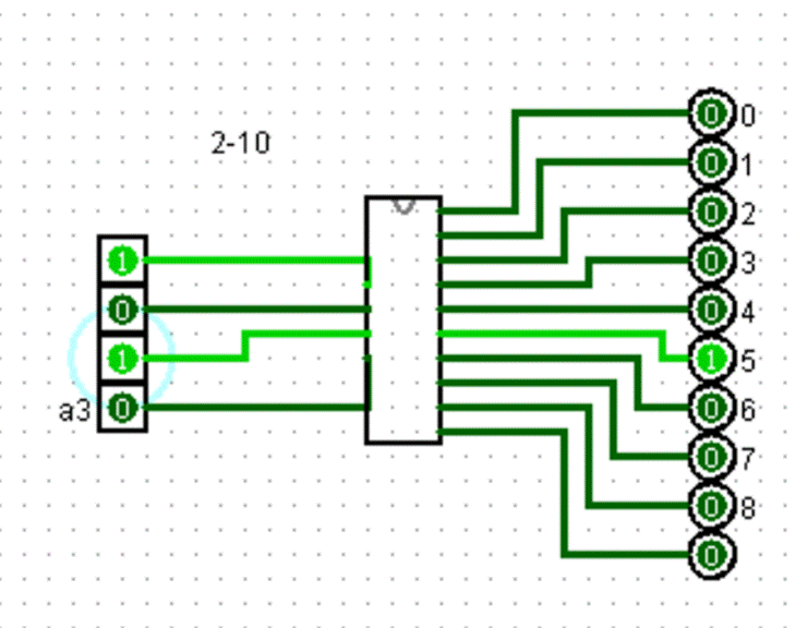
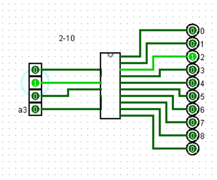
1.确定输入输出:输入三位二进制数,用A2,A1,A0表示,输出八个十进制数使用Y7-Y0表示7-0.
2.写出最简逻辑表达式

- 根据真值表画卡诺图化简,用logisim画出电路图。


- 实现二---十进制译码器。
真值表:


- 将16-4编码器与4-16译码器电路连接。
类似下图所示


4-16译码器:
真值表:

电路图:

试验:

a->10

5->5

0101=5

0010=2

110=6

001=1
五, 实验中遇到的问题
电路搭建完成后,我进行了仿真测试。通过改变输入引脚的电平状态,观察输出端的信号变化,并与预设的真值表进行对比。起初,仿真结果并不理想,存在2路输出信号与真值表不符的情况。我没有急于重新搭建电路,而是逐步排查问题:先检查非门的输出是否正确,确认输入信号反相无误;再逐一检查与非门的输入端连接,最终发现是其中一个与非门的输入端误接了A1而非\\overline{A1}。修正错误后,再次仿真,所有输出信号均与真值表完全匹配,那一刻我感受到了排查问题后的成就感,也学会了"分步排查、精准定位"的问题解决方法------在复杂电路中,逐模块测试比整体返工更高效。
六, 心得
通过本次实验,我不仅掌握了Logisim软件的基本操作的,包括逻辑门的选取、电路搭建、仿真测试等,更重要的是深化了对数字电路设计流程的理解------从理论分析到电路设计,再到仿真验证和优化,每一个环节都紧密相连,缺一不可。理论是实践的基础,若没有前期对译码器逻辑原理的梳理,电路设计就会失去方向;而实践是检验理论的标准,仿真测试的过程让我发现了理论学习中忽略的细节问题,也让我对"真值表""逻辑表达式"与实际电路的对应关系有了更直观的认识。
此外,实验还培养了我的严谨思维和耐心。数字电路设计容不得半点马虎,一个微小的错误,比如引脚接反、逻辑门选错,都可能导致实验失败。在排查错误的过程中,我学会了冷静分析、逐步验证,这种思维方式不仅适用于实验操作,也对今后的学习和工作具有重要意义。同时,我也认识到自身的不足:在设计复杂电路时,整体规划能力还有待提升,后续可以通过更多类似实验,积累电路设计经验,提升设计的效率和准确性。
总而言之,本次Logisim译码器设计实验是一次理论与实践深度融合的体验。它让我跳出了书本上抽象的理论知识,在实际操作中感受数字电路的魅力,同时提升了动手能力和问题解决能力。未来,我将把本次实验所学的知识和方法运用到更多数字电路设计中,不断夯实专业基础,提升自身的工程实践能力。