特性描述
FZH02(深圳市方中禾科技)是恒流LED驱动芯片, 具有 4 个电流源,可以在每个输出端口提供18~90mA恒定电流量以驱动LED,每个OUT驱动通道输出可短接后得到更大的电流输出,且当环境发生变化时,对其输出电流影响很小。同时可以选用不同阻值(REXT)的外接电阻来调整FZH02各输出端口的电流大小,因此,可精确地控制LED的发光亮度,适用于高质量LED显示或照明驱动。本产品性能优良,质量可靠。
功能特点
4个恒流源输出通道
OUT端口耐压30.0V
电流输出大小不因输出端负载电压变化而变化
恒流电流范围值,18~90mA@VDD=5V
极为精确的电流输出值
(通道与通道)最大误差:≤±3.0%
(芯片与芯片)最大误差:≤±3.5%
通过调节外部电阻,可设定精密电流输出值
工作电压:4.5V~5.5V
应用领域:LED照明、LED调光
封装形式:ESOP8
内部结构框图
管脚信息

管脚功能
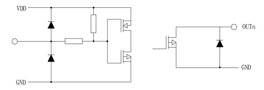
输出及输入等效电路
在干燥季节或者干燥使用环境内,容易产生大量静电,静电放电可能会损坏集成电路,建议采取一切适当的集成电路预防处理措施,如果不正当的操作和焊接,可能会造成 ESD损坏或者性能下降, 芯片无法正常工作。
绝对最大额定值范围
(1)以上表中这些等级不能让芯片长时间工作在极限值,芯片长时间工作在极限值下,容易降低器件的可靠性,可能 会出现永久性损伤。不建议在其它任何条件下,芯片超过这些极限参数工作。
(2)所有电压值均相对于网络地测试
推荐工作条件范围

电气特性

应用信息
1、电流设置
如下图所示,由外接一个电阻(Rext)调整输出电流(IOUT),套用下列公式可计算出输出电流值:

公式中的Riref是指R-EXT端的电阻。当电阻值是 600Ω,通过公式计算可得输出电流值 90mA;当电阻值是 1KΩ时,输出的电流则为 54mA。

R-EXT引脚对GND接不同的阻值可在OUT引脚输出端得到不同的恒电流,但不同的恒电流下进入恒流转折点电压是不同的,图中可见,在 90mA下恒流电压点≈0.8V,而在 15mA下恒流电压点降到≈0.5V,在设计电路时应充分考虑OUTx端压降问题,以免驱动电流达不到设定的预值。
另外,OUTx端在导通时也不适宜长时间工作在较高压降上,这会增加芯片的功率损耗,从而导致芯片发热严重,影响系统稳定性能。
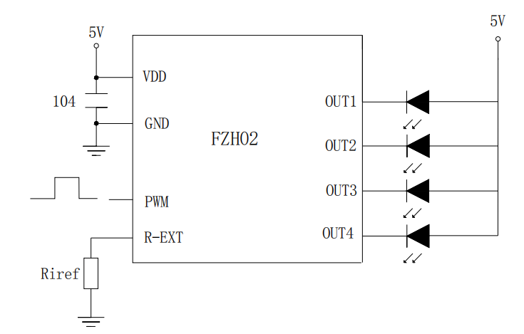
2、典型应用电路
如上图所示,是 FZH02 的 5V 应用电路图。在 5V 供电情况下,每个输出端口接一个灯珠,输出端口和 VDD 端口都可以不用连接电阻。PWM 端口可以直接通过程序控制灯珠的亮度。

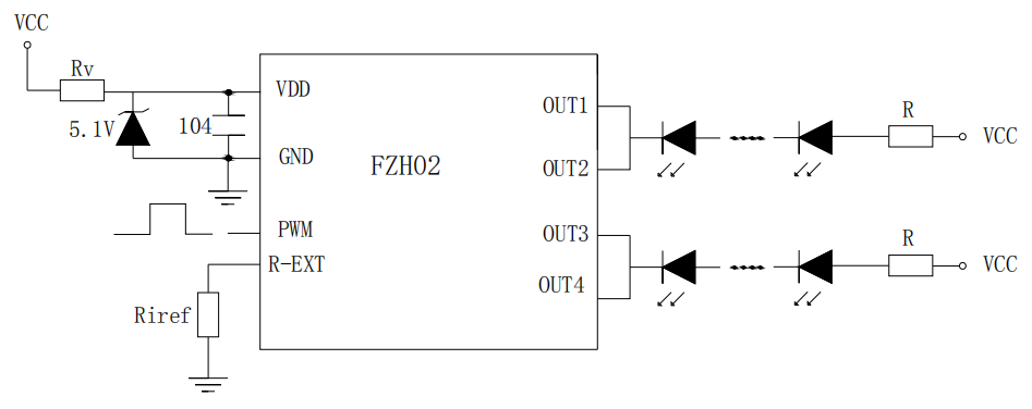
如上图所示,是 FZH02 的 12V 应用电路图。在 12V 供电情况下,需要有稳压管给 VDD 端口提供5V 左右的电压。每个输出端口可以接 3 个串联的灯珠。如果灯珠是红色灯珠则要接电阻R,如不是红灯可以省掉电阻。PWM 端口可以直接通过程序控制灯珠的亮度。
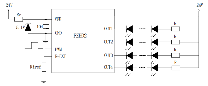
3、典型扩流应用电路
如上图所示,是 FZH02 的扩流应用电路图。在大于 5V 供电的情况下,需要接稳压管给 VDD 端口提供 5V 左右的电压。PWM 端口可以直接通过程序控制灯珠的亮度。
封装示意图:(ESOP8)
