嵌入式系统概念
嵌入式系统是以应用为中心、以计算机技术为基础的专用计算机系统,其软硬件可根据需求裁剪。通常用于控制、监视或辅助设备运行,具有实时性、低功耗和高可靠性特点。
51单片机发展
- 起源:1980年Intel推出MCS-51系列(如8051),后转向CPU市场。
- 衍生型号 :
- Atmel的AT89C51
- Philip的P89V51(支持ISP在线编程)
- STC的STC89C51/52/52RC(宏晶半导体)
核心概念解析
MCU(微控制器)
集成CPU、RAM、ROM、IO控制器等模块于单一芯片,适合低成本简单控制场景。
CPU(中央处理器)
负责数据运算和指令处理,性能直接影响运算速度。
MPU(微处理器)
仅含CPU核心,需外接存储和外设,适用于复杂应用(如运行Linux)。
GPU(图像处理单元)
专用于图形渲染,性能决定图像处理质量。
NPU(神经网络单元)
加速AI推理任务,如华为达芬奇NPU用于照片优化。
FPU(浮点运算单元)
集成于CPU内,支持IEEE 754标准浮点运算。
SoC(片上系统)
多功能芯片集成,如手机处理器。
ROM(只读存储器)
存储程序代码,掉电不丢失。
RAM(随机存储器)
存储运行时的变量数据,51单片机片内RAM为256字节。
51单片机硬件资源
- 引脚分配:40引脚DIP封装,分为4组(P0-P3),每组8个IO口。
- 网络编号:原理图中相同编号的引脚电气连通,简化布线。

发光二极管控制
- 共阳极接法:阳极接VCC,阴极接单片机引脚。输出低电平时导通点亮。
- 特性:单向导通性,电流从阳极流向阴极。

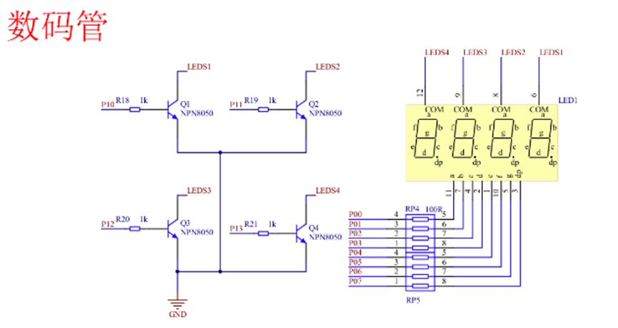
数码管驱动
- 结构:4位共阴极数码管,每位数码管可独立显示但需分时点亮。
- 显示原理 :
- 选位:通过P10-P13引脚控制三极管基极(高电平选中)。
- 选段:对应段引脚输出高电平点亮段码。
- 动态显示:利用视觉暂留效应快速刷新各数码管,实现"同时"显示效果。

位运算应用
位操作(如与、或、移位)常用于寄存器配置和硬件控制,例如:
- 设置某引脚为输出:
P1 |= 0x01; - 清除某位:
P1 &= ~0x02; 
代码示例(控制LED):
c
#include <reg52.h>
void main() {
while(1) {
P1 = 0xFE; // P1.0输出低电平,点亮LED
}
}