定时器归纳总页:
STM32------定时器-CSDN博客
一、定时器概述
1.1 软件定时原理
cpp
51单片机计时,主频 12MHz,1us
for(n)
{
__nop(); /* 空语句 执行时间1us */
}
使用纯软件的方式实现定时(延时)功能

但是不会很精准,原因:
1.函数有压栈操作耗时
2.有流水线,指令执行可能是多个步骤共同执行。
软件延时缺点:
1.延时不精准
2.CPU死等
所以需要外设硬件定时器
1.2 定时器定时原理(硬件)
使用精准的时基,通过硬件的方式,实现定时功能。
核心就是计数器。
原理:

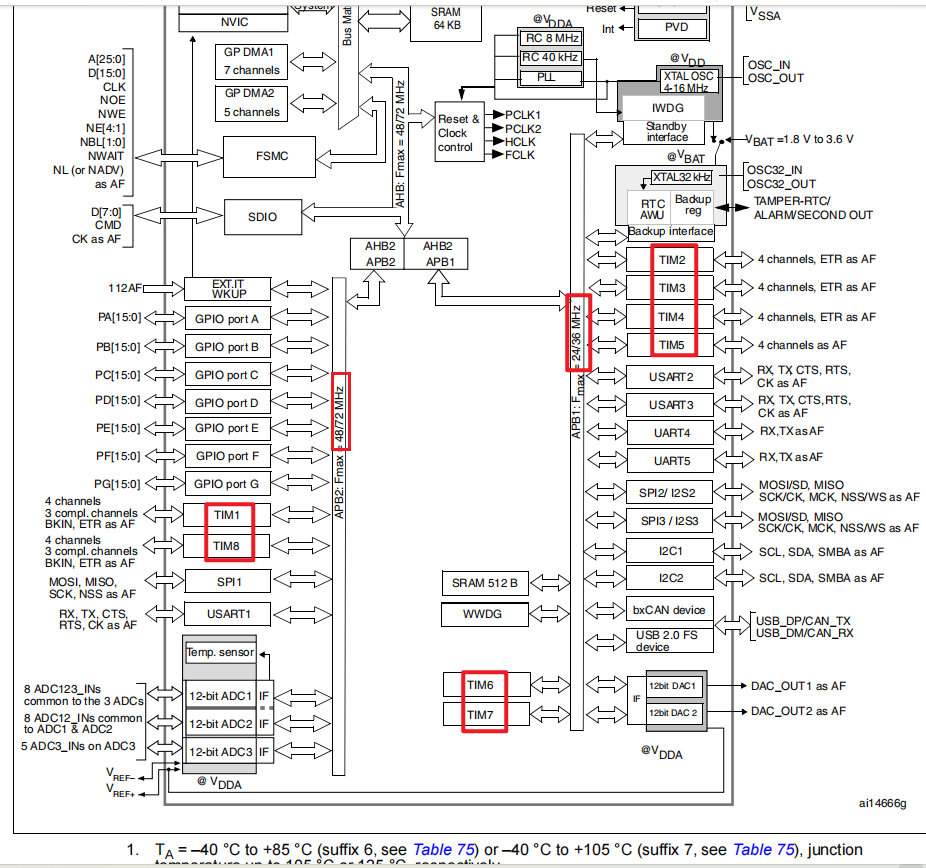
1.3 STM32定时器分类

1.4 STM32定时器特性表(常规定时器 F1系列)
开发指南:

1.5 STM32基本、通用、高级定时器功能整体的区别

二、基本定时器
2.1 基本定时器简介(F1)
F1-H7都是这两个基本定时器


2.2 基本定时器框图

总线挂载:
芯片手册12页,参考手册56页。


2.3 定时器计数模式以及溢出条件

递减模式

中心对齐,模式

2.4 基本定时器中断实验相关寄存器(TIM6/TIM7)
定时器控制寄存器(TIMx_CR1)

例子:
控制LED 1s亮,2s灭,如果计时满了才操作寄存器,有一定的时延误差,如果在计时结束前提前准备好值,减少操作寄存器的时间误差。
缓冲的作用:提前准备,减少误差
定时器 DMA 中断使能寄存器(TIMx_DIER)

定时器状态寄存器(TIMx_CR1)

用于判断是否发生了更新中断,由硬件置1,软件清零。
计数器(TIMx_CNT)

计数器实时数值,可用于设置计数器初始值。在计数器运行过程中,也可进行写操作。
定时器预分频器(TIMx_PSC)

自动重装载寄存器 (TIMx_ARR)

实际作用的是影子寄存器。
2.5 定时器溢出时间计算方法

:定时器溢出时间,秒
:定时器的未分频的时钟源频率
:自动重装载寄存器的值,需要 ARR+1才是溢出时间
:预分频器寄存器的值,真正的分频系数为PSC+1
推导:
数一个数的时间:
溢出计数的时间:
2.6 定时器中断实验配置步骤
| 步骤 | HAL库函数 | 备注 | 主要寄存器 |
|---|---|---|---|
| 1.配置定时器基础工作参数 | HAL_TIM_Base_Init() | 初始化定时器基础参数 | CR1、ARR、PSC |
| 2.定时器基础MSP初始化 | HAL_TIM_Base_MspInit() | 空函数,用于存放配置 NVIC、CLOCK、GPIO等的代码 | |
| 3.使能更新中断并启动计数器 | HAL_TIM_Base_Start_IT() | 使能更新中断,并启动计数器 | DIER、CR1 |
| 4.设置优先级,使能中断 | HAL_NVIC_SetPriority() HAL_NVIC_EnableIRQ() | ||
| 5.编写中断服务函数 | TIMx_IRQHandler()等 | 此函数会调用定时器公共处理函数: HAL_TIM_IRQHandler() 会在此公共处理函数中,调用各种callback函数,处理各种中断 | SR |
| 6.编写定时器更新中断回调函数 | HAL_TIM_PeriodElapsedCallback() | 空函数,定时器更新终端回调函数,需要重新定义 |
关键结构体1:TIM_HandleTypeDef


或者直接搜索 TIM6
句柄的初始化结构体:TIM_Base_InitTypeDef

1.由于基本定时器只允许递增计数模式,也没有其他的寄存器来配置其他的计数模式。所以CounterMode成员对于基本定时器来说是无效的,只有在通用、高级定时器才有效。
2.由于基本定时器没有时钟分频因子的寄存器。所以只有在通用、高级定时器才有效。
3.由于F1的基本、通用定时器没有重复计数器的寄存器。所以只有在高级定时器才有效。
总结:
基本定时器用到了:Prescaler、Period、AutoReloadPreload三个结构体成员
2.7 编程实战:基本定时器中断实验
【免费】基本定时器中断实验工程资源-CSDN下载
https://download.csdn.net/download/PinnsiR/92282791

更新中断的两种方式:
1.定时器溢出(硬件),伴随着 更新事件 和 更新中断 的产生(例程使用此方式)
2.软件通过寄存器 的 UG 位,产生软件的更新事件。从而产生更新中断
溢出时间计算:
500ms 溢出时间,主频为 72MHz。
为了得到整数,设置PSC值为 7199,算出ARR为4999

例程:
cpp
TIM_HandleTypeDef g_timx_handle; /* 定时器句柄 */
/**
* @brief 基本定时器TIMX定时中断初始化函数
* @note
* 基本定时器的时钟来自APB1,当PPRE1 ≥ 2分频的时候
* 基本定时器的时钟为APB1时钟的2倍, 而APB1为36M, 所以定时器时钟 = 72Mhz
* 定时器溢出时间计算方法: Tout = ((arr + 1) * (psc + 1)) / Ft us.
* Ft=定时器工作频率,单位:Mhz
*
* @param arr: 自动重装值。
* @param psc: 时钟预分频数
* @retval 无
*/
void btim_timx_int_init(uint16_t arr, uint16_t psc)
{
g_timx_handle.Instance = BTIM_TIMX_INT; /* 通用定时器X */
g_timx_handle.Init.Prescaler = psc; /* 设置预分频系数 */
g_timx_handle.Init.CounterMode = TIM_COUNTERMODE_UP; /* 递增计数模式 */
g_timx_handle.Init.Period = arr; /* 自动装载值 */
HAL_TIM_Base_Init(&g_timx_handle);
HAL_TIM_Base_Start_IT(&g_timx_handle); /* 使能定时器x及其更新中断 */
}
/**
* @brief 定时器底层驱动,开启时钟,设置中断优先级
此函数会被HAL_TIM_Base_Init()函数调用
* @param htim:定时器句柄
* @retval 无
*/
void HAL_TIM_Base_MspInit(TIM_HandleTypeDef *htim)
{
if (htim->Instance == BTIM_TIMX_INT)
{
BTIM_TIMX_INT_CLK_ENABLE(); /* 使能TIM时钟 */
HAL_NVIC_SetPriority(BTIM_TIMX_INT_IRQn, 1, 3); /* 中断号,子优先级3,组2 */
HAL_NVIC_EnableIRQ(BTIM_TIMX_INT_IRQn); /* 开启ITM3中断 */
}
}
/**
* @brief 定时器TIMX中断服务函数
* @param 无
* @retval 无
*/
void BTIM_TIMX_INT_IRQHandler(void)
{
HAL_TIM_IRQHandler(&g_timx_handle); /* 定时器中断公共处理函数 */
}
/**
* @brief 定时器更新中断回调函数
* @param htim:定时器句柄
* @retval 无
*/
void HAL_TIM_PeriodElapsedCallback(TIM_HandleTypeDef *htim)
{
if (htim->Instance == BTIM_TIMX_INT)
{
LED1_TOGGLE(); /* LED1反转 */
}
}
cpp
#define LED0_TOGGLE() do{ HAL_GPIO_TogglePin(LED0_GPIO_PORT, LED0_GPIO_PIN); }while(0) /* 翻转LED0 */
int main(void)
{
HAL_Init(); /* 初始化HAL库 */
sys_stm32_clock_init(RCC_PLL_MUL9); /* 设置时钟, 72Mhz */
delay_init(72); /* 延时初始化 */
usart_init(115200); /* 串口初始化波特率为115200 */
led_init(); /* 初始化LED */
btim_timx_int_init(5000 - 1, 7200 - 1); /* 10Khz的计数频率,计数5K次为500ms */
while (1)
{
LED0_TOGGLE();
delay_ms(200);
}
}