STM32F103C8T6驱动DS18B20温度传感器程序

STM32F103C8T6驱动DS18B20温度传感器程序

本项目基于 STM32F103C8T6 微控制器,实现了对 DS18B20 单总线数字温度传感器的高精度、稳定驱动与实时温度采集。采用经典的 1-Wire 通信协议,通过 GPIO 精确模拟复位时序、读写时序及 ROM/暂存器操作指令,支持 Skip ROM 方式快速通信(适用于单传感器场景)。主程序以约 900ms 周期持续采集,实现稳定、可靠的环境温度感知,最终将原始数据转换为带符号的浮点温度值(℃)。

一、完整代码

DS18B20温度模块驱动程序头文件(DS18B20.h)

c 复制代码
#ifndef __DS18B20_H__
#define __DS18B20_H__
 
#include"stm32f10x.h"
 
 
#define  SkipROM    0xCC  //跳过ROM
#define  SearchROM  0xF0  //搜索ROM
#define  ReadROM    0x33  //读ROM
#define  MatchROM   0x55  //匹配ROM
#define  AlarmROM   0xEC  //告警ROM
 
#define  StartConvert    0x44  // 开始温度转换
#define  ReadScratchpad  0xBE  // 读暂存器的9个字节
#define  WriteScratchpad 0x4E  // 写暂存器的温度告警TH和TL
#define  CopyScratchpad  0x48  // 将暂存器复制到 EEPROM
#define  RecallEEPROM    0xB8  // 将 EEPROM 数据恢复到暂存器
#define  ReadPower       0xB4  // 读电源的供电方式
 
 
void ds18b20_init(void);
unsigned short ds18b20_read(void);
 
 
#endif

DS18B20 温度传感器驱动程序(DS18B20.c)

c 复制代码
#include "DS18B20.h"
#include "Delay.h"
 
#define EnableINT()  
#define DisableINT()
 
#define DS_PORT   GPIOA
#define DS_DQIO   GPIO_Pin_1
#define DS_RCC_PORT  RCC_APB2Periph_GPIOA
 
#define DS_PRECISION 0x7f   // 12位精度
#define DS_AlarmTH  0x64    // 高温告警
#define DS_AlarmTL  0x8a    // 低温告警
#define DS_CONVERT_TICK 1000
 
#define ResetDQ() GPIO_ResetBits(DS_PORT,DS_DQIO)
#define SetDQ()  GPIO_SetBits(DS_PORT,DS_DQIO)
#define GetDQ()  GPIO_ReadInputDataBit(DS_PORT,DS_DQIO)
 
 
static unsigned char TempX_TAB[16]={0x00,0x01,0x01,0x02,0x03,0x03,0x04,0x04,0x05,0x06,0x06,0x07,0x08,0x08,0x09,0x09};

// DS18B20 复位
unsigned char ResetDS18B20(void)
{
 unsigned char resport;
 SetDQ();
 Delay_us(50);
 
 ResetDQ();
 Delay_us(500);  //500us (该时间的时间范围可以从480到960微秒)
 SetDQ();
 Delay_us(40);  //40us
 //resport = GetDQ();
 while(GetDQ());
 Delay_us(500);  //500us
 SetDQ();
 return resport;
}
 
void DS18B20WriteByte(unsigned char Dat)
{
 unsigned char i;
 for(i=8;i>0;i--)
 {
   ResetDQ();     //在15u内送数到数据线上,DS18B20在15-60u读数
  Delay_us(5);    //5us
  if(Dat & 0x01)
   SetDQ();
  else
   ResetDQ();
  Delay_us(65);    //65us
  SetDQ();
  Delay_us(2);    //连续两位间应大于1us
  Dat >>= 1; 
 } 
}
 
 
unsigned char DS18B20ReadByte(void)
{
 unsigned char i,Dat;
 SetDQ();
 Delay_us(5);
 for(i=8;i>0;i--)
 {
   Dat >>= 1;
    ResetDQ();     //从读时序开始到采样信号线必须在15u内,且采样尽量安排在15u的最后
  Delay_us(5);   //5us
  SetDQ();
  Delay_us(5);   //5us
  if(GetDQ())
    Dat|=0x80;
  else
   Dat&=0x7f;  
  Delay_us(65);   //65us
  SetDQ();
 }
 return Dat;
}
 
 
void ReadRom(unsigned char *Read_Addr)
{
 unsigned char i;
 
 DS18B20WriteByte(ReadROM);
  
 for(i=8;i>0;i--)
 {
  *Read_Addr=DS18B20ReadByte();
  Read_Addr++;
 }
}
 
 
void DS18B20Init(unsigned char Precision,unsigned char AlarmTH,unsigned char AlarmTL)
{
 DisableINT();
 ResetDS18B20();
 DS18B20WriteByte(SkipROM); 
 DS18B20WriteByte(WriteScratchpad);
 DS18B20WriteByte(AlarmTL);
 DS18B20WriteByte(AlarmTH);
 DS18B20WriteByte(Precision);
 
 ResetDS18B20();
 DS18B20WriteByte(SkipROM); 
 DS18B20WriteByte(CopyScratchpad);
 EnableINT();
 
 while(!GetDQ());  //等待复制完成
}
 
 
void DS18B20StartConvert(void)
{
 DisableINT();
 ResetDS18B20();
 DS18B20WriteByte(SkipROM); 
 DS18B20WriteByte(StartConvert); 
 EnableINT();
}


void DS18B20_Configuration(void)
{
 GPIO_InitTypeDef GPIO_InitStructure;
 
 RCC_APB2PeriphClockCmd(DS_RCC_PORT, ENABLE);
 
 GPIO_InitStructure.GPIO_Pin = DS_DQIO;
 GPIO_InitStructure.GPIO_Mode = GPIO_Mode_Out_OD; //开漏输出
 GPIO_InitStructure.GPIO_Speed = GPIO_Speed_50MHz; //2M时钟速度
 GPIO_Init(DS_PORT, &GPIO_InitStructure);
}
 
 
void ds18b20_init(void)
{
 DS18B20_Configuration();
 DS18B20Init(DS_PRECISION, DS_AlarmTH, DS_AlarmTL);
 DS18B20StartConvert();
}
 
 
unsigned short ds18b20_read(void)
{
 unsigned char TemperatureL,TemperatureH;
 unsigned int  Temperature;
 
 DisableINT();
  ResetDS18B20();
 DS18B20WriteByte(SkipROM); 
 DS18B20WriteByte(ReadScratchpad);
 TemperatureL=DS18B20ReadByte();
 TemperatureH=DS18B20ReadByte(); 
 ResetDS18B20();
 EnableINT();
 
 if(TemperatureH & 0x80)
  {
  TemperatureH=(~TemperatureH) | 0x08;
  TemperatureL=~TemperatureL+1;
  if(TemperatureL==0)
   TemperatureH+=1;
  }
 
 TemperatureH=(TemperatureH<<4)+((TemperatureL&0xf0)>>4);
 TemperatureL=TempX_TAB[TemperatureL&0x0f];
 
 //bit0-bit7为小数位,bit8-bit14为整数位,bit15为正负位
 Temperature=TemperatureH;
 Temperature=(Temperature<<8) | TemperatureL; 
 
 DS18B20StartConvert();
 
 return  Temperature;
 //返回16位数据  bit0-bit7为小数位,bit8-bit14为整数位,bit15为正负位
}

主程序文件(main.c)

c 复制代码
#include "stm32f10x.h"
#include "DS18B20.h"
#include "Delay.h"

volatile float temperature;

int main(void)
{
	/*用户变量定义*/


	/*用户函数初始化*/
	ds18b20_init();


	while (1)
	{
		unsigned short buffer = ds18b20_read();

		temperature = ((buffer >> 8) & 0x7F) + (buffer & 0xFF) * 0.1f;

		if (buffer & 0x8000)
			temperature = -temperature;
		
		if (temperature >= 0)
			temperature = (int)(temperature * 10 + 0.5f) / 10.0f;
		else
			temperature = (int)(temperature * 10 - 0.5f) / 10.0f;

		Delay_ms(900);
	}
}

二、硬件说明

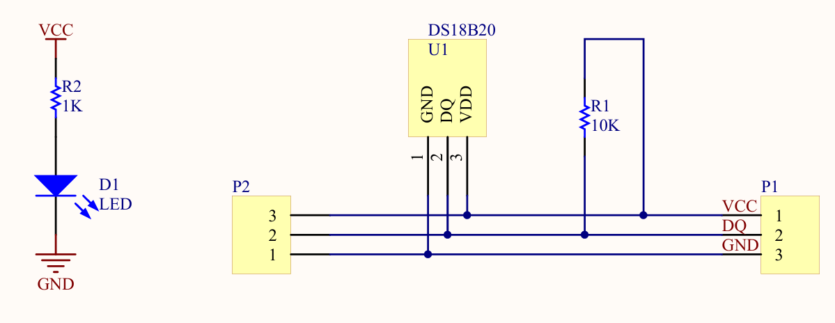
采用TO-92封装型DS18B20数字温度计,提供9位至12位摄氏度温度测量,并具有非易失性用户可编程上下触发点报警功能。DS18B20通过1线总线通信,根据定义,只需要一条数据线(和地线)与中央微处理器通信。它的工作温度范围为-55°C至+125°C,在-10°C至+85°C的范围内精确到0.5°C。此外,DS18B20可以直接从数据线(寄生电源)获得功率,供电:3.0V - 5.5V,无需外部电源。
引脚功能定义图 硬件实物图 硬件模块原理图

三、实物操作演示

硬件接线

  • V D D V_{DD} VDD:连接3.3V
  • GND:连接GND
  • DQ:连接PA1

实物连接图

编译调试

编译并下载程序至单片机中

打开调试,在Watch 1窗口可以看到实时温度数据。
调试数据输出

结束~

例程资源: https://download.csdn.net/download/hsdujdjrjrj/92588307
参考博客:https://zhuanlan.zhihu.com/p/665316098

相关推荐
2501_9181269110 分钟前
学习所有6502写游戏动作的语句
汇编·嵌入式硬件·学习·游戏·个人开发
2501_9181269127 分钟前
学习所有6502游戏的系统
java·汇编·嵌入式硬件·学习·游戏
LCMICRO-133108477464 小时前
长芯微LD9689完全P2P替代AD9689,是一款双通道、14位、2.0 GSPS/2.6 GSPS模数转换器(ADC)
网络·单片机·嵌入式硬件·网络协议·fpga开发·硬件工程·高速adc
逐步前行11 小时前
STM32_TIM_寄存器操作
stm32·单片机·嵌入式硬件
0南城逆流012 小时前
【STM32】知识点介绍七:PWM功能
stm32·单片机·嵌入式硬件
智者知已应修善业12 小时前
【51单片机独立按键控制数码管移动反向,2片74CH573/74CH273段和位,按键按下保持原状态】2023-3-25
经验分享·笔记·单片机·嵌入式硬件·算法·51单片机
dashizhi201512 小时前
服务器共享禁止保存到本地磁盘、共享文件禁止另存为本地磁盘、移动硬盘等
运维·网络·stm32·安全·电脑
我是一棵无人问荆的小草13 小时前
单片机通电后延迟启动策略
单片机·嵌入式硬件
坏柠13 小时前
ESP32-S3 蓝牙 BLE 从零到一:广播、服务、特征,用一个智能灯的例子全讲透
嵌入式硬件
日更嵌入式的打工仔13 小时前
UART RX为什么要上拉
单片机