23. 梯形图编程的基本规则
核心原则:
梯形图的设计需遵循电气控制电路的习惯,同时符合PLC软件的逻辑执行顺序(通常为"从左到右,从上到下"),以确保程序正确、高效、易读。
具体规则详解:
- 触点使用次数无限
- PLC内部的输入、输出、辅助继电器等软元件的触点(常开/常闭)在编程时可以无限次重复使用,这与物理继电器触点数量有限有根本区别。
- "左重右轻,上重下轻"布局原则
- 触点靠左,线圈靠右 :每一逻辑行(或称"梯级")必须从左侧的"母线"(起始竖线)开始,按逻辑顺序连接触点,最后以输出线圈、计时器、计数器或指令盒结束。触点不能出现在线圈的右侧(除特殊指令如AENO外)。
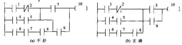
- 串联多的电路块靠上:在并联电路中,应将串联触点较多的支路安排在梯形图的上方(如图a部分所示)。这样布局可以减少指令条数,使逻辑更清晰。
- 并联多的电路块靠左:在串联电路中,应将并联触点较多的电路块安排在梯形图的最左侧(如图b部分所示)。同样是为了优化程序结构,便于阅读和分析。

(图片摘自《现代电气控制及PLC应用技术》(王永华))
- 避免"双线圈输出"
- 在同一个程序中,同一编号的输出线圈(或对同一变量的写操作)只能使用一次。如果多次使用(双线圈),PLC在循环扫描时,只有最后一个线圈的状态会被有效输出,极易导致逻辑混乱和误动作。S7-200系列PLC明确禁止此操作。
- 线圈/指令盒不直接接左母线
- 输出线圈或功能指令盒一般不能直接连接到左侧母线上。如果逻辑上需要始终执行的输出,可以通过一个"常ON"的特殊继电器(如S7-200中的SM0.0)的触点来连接,以符合"触点-线圈"的结构要求。

- 绘图规范(主要针对手工绘图)
- 触点画在水平线上 :避免将触点绘制在垂直分支线上,以保证梯形图的规范和易读性。现代编程软件通常已强制此规则。

- 无触点分支线垂直画:对于不包含触点的直接连接线(即"桥接"或"跳转"线),应画成垂直方向,而非水平方向,使图面更规整。

- 推荐画法:整体布局应遵循"左重右轻,上重下轻"的原则,并保持图面清晰、工整,这既是编程好习惯,也有助于程序优化。

总结要点:
- 结构是基础:确保每行逻辑以左母线开始,以线圈/指令结束,触点居左。
- 布局是关键:通过"串联靠上、并联靠左"的优化布局,可以使生成的程序代码更简洁,执行效率更高,同时大幅提升可读性。
- 禁忌需牢记 :绝对避免双线圈输出,并注意线圈不能直连左母线。
- 规范为效率:清晰的绘图规范(尤其是手工绘图时)是保证程序被准确理解和维护的重要保障。
这些规则共同构成了编写正确、高效、可维护的PLC梯形图程序的基础。