一、产品概述
79MXX系列 是芯谷科技(Silicore)推出的单片固定电压负稳压器集成电路,采用成熟的双极型工艺技术 制造。该系列产品专为需要负电源供电 的应用场景设计,可提供稳定的负电压输出,最大输出电流达500mA。
产品系列涵盖常用负电压档位:
| 型号 | 输出电压 | 输入电压范围 |
|---|---|---|
| 79M05 | -5.0V | -7V ~ -25V |
| 79M06 | -6.0V | -8V ~ -25V |
| 79M08 | -8.0V | -10.5V ~ -25V |
| 79M09 | -9.0V | -11.5V ~ -25V |
| 79M12 | -12.0V | -14.5V ~ -30V |
| 79M15 | -15.0V | -17.5V ~ -30V |
| 79M18 | -18.0V | -21V ~ -33V |
| 79M24 | -24.0V | -27V ~ -38V |
二、核心特性
1、内置保护功能
- 内部短路电流限制:防止输出短路损坏器件
- 内部热过载保护:自动限制功耗,确保安全工作
2、优异电气性能
- 保证500mA输出电流:满足中等功率负载需求
- 出色的纹波抑制能力:典型值54~58dB(120Hz),有效滤除输入电源噪声
- 低静态电流:典型值2.0~2.7mA,降低系统待机功耗
3、封装与标识
- 封装形式:TO252-2(DPAK贴片封装)
- 散热性能优异:适合中功率应用
- 丝印标识 :
CHMC 79MXX SXXXX(CHMC商标+型号+批次号
三、关键参数规格(以79M05为例)
| 参数 | 测试条件 | 最小值 | 典型值 | 最大值 | 单位 |
|---|---|---|---|---|---|
| 输出电压 | Vi=-10V, Io=350mA | -4.80 | -5.00 | -5.20 | V |
| 负载调整率 | Io=5mA~500mA | --- | 35 | 100 | mV |
| 线性调整率 | -7V≤Vi≤-25V | --- | 5 | 50 | mV |
| 静态电流 | --- | --- | 2.2 | 5.0 | mA |
| 输出噪声电压 | f=10Hz~100kHz | --- | 100 | --- | μV |
| 纹波抑制比 | ein=2Vp-p, f=120Hz | 50 | 58 | --- | dB |
| 温度系数 | Io=5mA, Tj=0~125℃ | --- | -0.4 | --- | mV/℃ |
绝对最大额定值:输入电压-35V,工作温度-40℃~+125℃,存储温度-55℃~+150℃
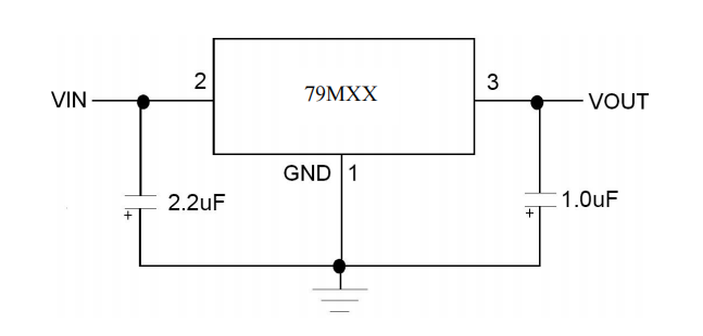
四、典型应用电路

外围器件推荐:
- 输入电容:2.2μF电解电容(靠近芯片引脚)
- 输出电容:1.0μF电解电容(改善瞬态响应和稳定性)
五、应用场景推广
1. 双电源运算放大器供电
运算放大器(如OP07、LM358、NE5532等)常需要±5V、±12V或±15V对称电源。79MXX系列与78MXX正稳压器配合,可轻松构建低噪声双电源系统,适用于:
- 音频前置放大器
- 精密测量仪器
- 传感器信号调理电路
2. 工业控制系统
- PLC模拟量输入模块:为4-20mA电流环、0-10V电压采集提供稳定负参考
- 工业变送器:为负偏置电路提供精准电压基准
- 电机驱动:为IGBT/MOSFET驱动器的负栅压供电
3. 通信设备
- RS-232/RS-485接口电路:为收发器提供负电源
- 射频模块:为混频器、调制器提供低噪声负电源
- 基站电源:作为辅助负电源,为控制逻辑供电
4. 消费电子
- LCD偏置电源:为液晶显示屏的负偏压电路供电
- 音频设备:为专业音频设备的负电源轨供电,降低底噪
- LED驱动:配合正电源实现全桥驱动拓扑
5. 汽车电子
宽工作温度范围(-40℃~+125℃)使其适用于:
- 车载音响系统
- 传感器接口电路
- 车身控制模块(BCM)
六、选型建议
| 应用场景 | 推荐型号 | 说明 |
|---|---|---|
| 通用5V系统负电源 | 79M05 | 与7805配套,构建±5V系统 |
| 工业仪表标准电源 | 79M12/79M15 | 与7812/7815配套,±12V/±15V标准 |
| 高电压模拟电路 | 79M18/79M24 | 为高压运放或功率放大器供电 |
| 电池供电便携设备 | 79M05/79M06 | 低静态电流,延长电池寿命 |
七、设计注意事项
- 散热设计:TO252-2封装热阻较低,但500mA满载时需确保足够铜箔散热面积
- 输入输出压差:建议保持至少2V~3V压差,确保稳压器正常工作
- 电容选择:务必使用电解电容,陶瓷电容可能因ESR过低导致振荡
- 极性保护:负稳压器输入为负电压,接线时务必注意极性,避免反接损坏
八、总结
79MXX系列负稳压器以其高可靠性、优异的纹波抑制、完善的保护功能,成为负电源设计的理想选择。TO252-2贴片封装兼顾散热与自动化生产需求,特别适合现代电子设备的紧凑型设计。无论是工业控制、通信设备还是消费电子,79MXX都能提供稳定可靠的负电压输出,是工程师值得信赖的电源解决方案。
如需了解更多关于 79MXX系列的详细信息和技术支持,欢迎访问 Silicore 芯谷科技官方网站 www.silicore.com.cn,或联系我们的技术支持团队。