技术栈
集成运放.比例电路
勾股导航
2026-03-24 10:35
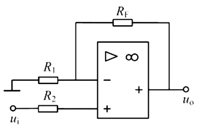
1.同相比例电路
1.1 电路原理
虚短:
虚断:
整理公式得:
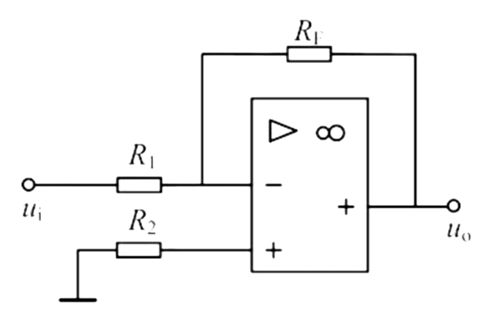
2.反相比例放大电路
2.1 电路原理
虚短:
虚断:
整理公式得:
嵌入式硬件
具身智能
集成放大器
上一篇:
Pytest 框架与 Fixture 总结
下一篇:
AOSP Android 14 壁纸架构深度分析
相关推荐
qq_33312097
12 小时前
深入探讨8051单片机C351语言及编译器应用
单片机
·
嵌入式硬件
·
51单片机
十年编程老舅
13 小时前
读懂 MCU 启动:从上电到程序运行全链路
单片机
·
嵌入式硬件
·
mcu
·
嵌入式
·
cpu
·
嵌入式开发
·
ram
北京盟通科技官方账号
14 小时前
Windows如何实现硬实时?LxWin双系统隔离架构深度解析
stm32
·
嵌入式硬件
·
具身智能
·
ethercat
·
人形机器人
·
实时系统
·
windows实时扩展
国科安芯
15 小时前
低噪声LDO如何破解测试测量与医学成像的电源困局
网络
·
单片机
·
嵌入式硬件
·
安全性测试
半条-咸鱼
15 小时前
【STM32】HAL库的本质 及 芯片内部GPIO模块细节
stm32
·
单片机
·
嵌入式硬件
小叮当⇔
15 小时前
阻容品牌推荐
嵌入式硬件
振南的单片机世界
15 小时前
硬件PWM:定时器自动翻转引脚,CPU不费心
stm32
·
单片机
·
嵌入式硬件
0南城逆流0
16 小时前
【STM32】RTT-Studio中HAL库开发教程十二:FreeRTOS移植
stm32
·
单片机
·
嵌入式硬件
bubiyoushang888
16 小时前
STM32 DAC8734 4路16位DA驱动程序
stm32
·
单片机
·
嵌入式硬件
国科安芯
16 小时前
基于RISC-V架构的商业航天级MCU国产化技术路径与产业生态研究
网络
·
分布式
·
单片机
·
嵌入式硬件
·
架构
·
risc-v
·
安全性测试
热门推荐
01
DeepSeek V4 + Claude Code thinking mode 400 错误修复方案
02
GitHub 镜像站点
03
Codex 接入 DeepSeek API 完整配置文档
04
【踩坑记录 | 第一篇】微软商店无法使用时,如何手动安装 OpenAI Codex?附`.msix`文件系统错误解决方法
05
【AI】2026 年具身智能模型和世界模型总结
06
裂开!ChatGPT 居然开始要手机号验证,附详细解决方法
07
CC-Switch & Claude 基于 Linux 服务器安装使用指南
08
CC-Switch 全平台下载、安装与使用全指南(Windows/macOS/Linux)
09
OpenAI Codex Desktop App 保姆级安装教程(Windows / Mac)
10
2026年AI编程工具终极横评:Cursor vs Claude Code vs Copilot