问题背景:A项目的PCB设计需要做VAVE的降本方案计划,这次把之前项目中用到的FAKAR连接器从罗森博格的换成了TE了,之前也通过手册看了一下,器件的封装尺寸都是一致的。
罗森博格的:

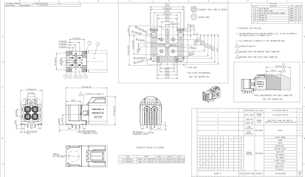
换成下面的TE的了:

1, 产线那边反馈的这次A1版本的板子,在SMT的时候有四处端子,中间PTH孔径较大有过炉掉锡风险,本次生产28PCS,1PCS不良,不良率3.5%,如下图所示:

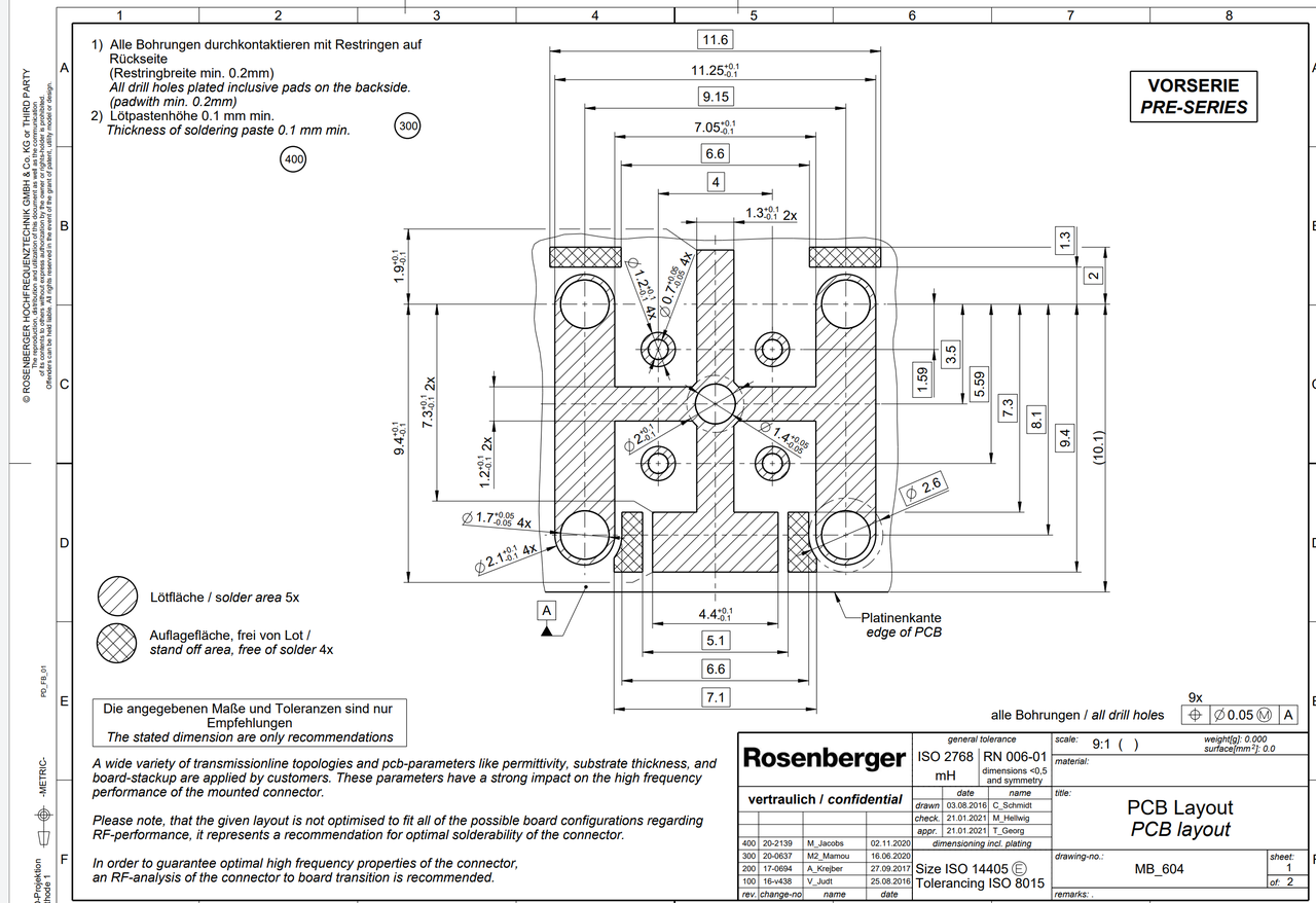
2,对比一下PCB版本中这两个FAKAR中间的两个孔的尺寸:
A0:

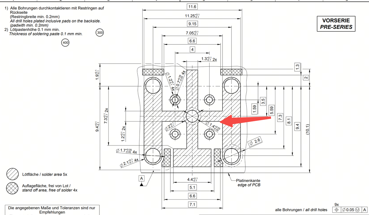
A1:

单单从封装库的要求上来看这次建库的尺寸也是没有问题的,满足手册要求的1.4+0.05MM的偏差的,但是我看了之前的这个芯片系列的板子,这个FAKAR接口的中间这个PTH孔的尺寸都是1.12MM(47.24MIL),而且这个数值看起来是不满足手册要求的1.4+-0.05MM,这个下限值是1.35MM的尺寸。

至于为啥这个FAKAR的器件封装上中间的那个PTH孔的尺寸变小了,小编我猜测的应该是第一次SMT的时候,贴片厂那边反馈回来的焊接建议吧,因为中间的那个PTH孔的孔径越大,越容易有漏锡的风险。

我司的封装部门的专家百里东君问了SMT那边的同事说:若是这次我们把板子上的FAKAR的钻孔孔径若改为47.24mil(1.2mm),后期可能连接器会有插不进的风险,请帮忙看看怎么处理是好?

3,改进的措施:
A,产线SMT那边同事反馈的是:中间的PTH的孔径越大,过炉掉锡的风险相对来说越大,目前没有改孔径的情况下,只有把钢网加一点锡。
B,后期这个FAKAR的封装库建议更新一下,把中心的那个PTH孔改成孔径是47.24MIL。从设计源头上解决这个问题。

好了,诸位道友们以上就是本期的所有内容了,我们下期文章不见不散。


--------声明:本文属于小编的原创文章,如需转载请注明来源!