三极管(bipolar junction transistor, BJT)
三极管又称晶体三极管, 是一种具有放大功能的半导体器件.
三极管有PNP型和NPN型两种.
三极管表示电路图

三极管是用电流控制电流的器件, 即用很小的基极电流, 控制很大的集电极电流, 有三个极:
- E(发射极)
- B(基极)
- C(集电极)
NPN与PNP的偏置电路
偏置→给三极管设定工作状态(处于放大状态), 三极管正常工作, 必须满足:
- 发射结(BE)正向偏置;
- 集电结(BC)反向偏置.
正偏指PN结的P端电压高于N端电压, 还要要求电压大于门电压.

三极管最重要的公式
I C = β ⋅ I B I_C = \beta \cdot I_B IC=β⋅IB
其中 β \beta β为放大倍数, I C I_C IC为集电极电流, I B I_B IB为基极电流.
三极管的三种状态
截止
三极管无电流流过的状态称为截止状态.
可以当成电子开关
放大
三极管有电流流过满足 I C = β ⋅ I B I_C = \beta \cdot I_B IC=β⋅IB的状态称为放大状态.
可以对信号进行放大.
饱和
三极管有很大的电流流过, 且满足 I C < β ⋅ I B I_C < \beta \cdot I_B IC<β⋅IB的状态称为饱和状态.
可以当成电子开关
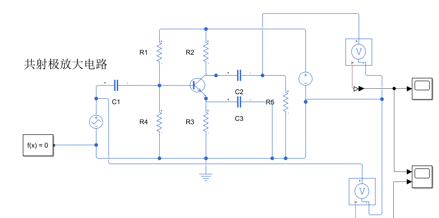
共射极放大电路(Common-Emitter)
Simulink仿真搭建
避免使用旧版SimPowerSystems库, 使用现代的Simscape Electrical(物理网络建模库).
模块
-
全局求解器 (必须要有):
Simscape>Utilities> Solver Configuration
-
电气参考地 (GND):
Simscape>Foundation Library>Electrical>Electrical Elements> Electrical Reference
-
无源器件 (电阻 R、电容 C):
Simscape>Foundation Library>Electrical>Electrical Elements> Resistor / Capacitor
-
半导体器件 (NPN 三极管):
Simscape>Electrical>Semiconductors and Converters> NPN Bipolar Transistor
-
电源 (交/直流电源):
Simscape>Foundation Library>Electrical>Electrical Sources> DC Voltage Source (对应图中的 E)Simscape>Foundation Library>Electrical>Electrical Sources> AC Voltage Source (对应左侧的输入信号)
-
测量与观测:
Simscape>Foundation Library>Electrical>Electrical Sensors> Voltage Sensor (电压传感器)Simscape>Utilities> PS-Simulink Converter (物理信号转 Simulink 信号)Simulink>Sinks> Scope (示波器)
Simulink仿真

仿真结果

放大参数不会计算.
共集电极放大电路(Common-Collector, 也叫射极跟随器)
相关参考
参考相关参数
Xunger@PKU