一、基本原理
1、并联比较型

精度低,功耗大
转换速度快
2、逐次逼近型

功耗低,结构简单
速度慢
二、特性参数
1、分辨率
ADC能辨别的最小模拟量,以二进制位数表示,如8、10、12、16
假设AD是12位,测量3.3V的电压,可分辨3.3/4096≈0.0008V
2、转换时间
完成一次AD转换所需要的时间,时间越短,采样率越高
1s内,假设转换时间为200ms,可转换5次;转换时间100ms,可转换10次
3、精度
最小刻度基础上,叠加误差影响的参数(受ADC性能、温度、气压等影响)
4、量化误差
用数字量近似表示模拟量,会出现无法完全覆盖的情况,四舍五入后,与实际值的差就是量化误差
三、STM32F1/4的ADC特点

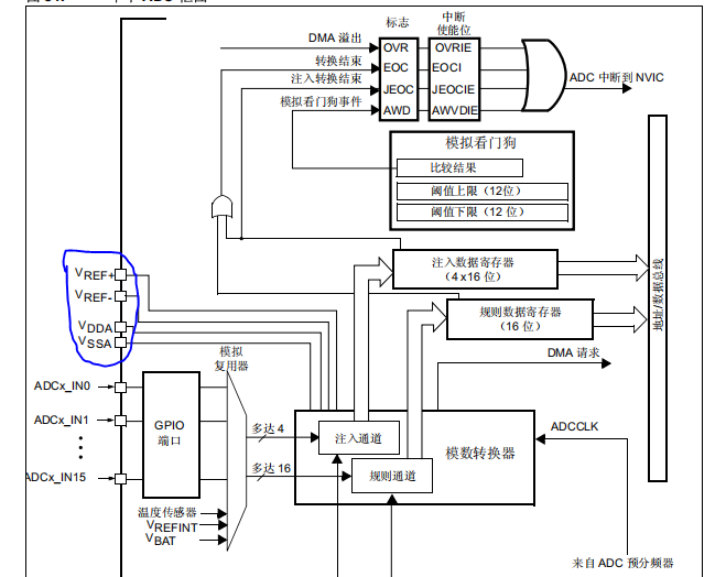
四、框图(以F4为例)与工作原理
1、参考电压/模拟部分电压
1)框图

2)原理



2、通道
1)框图
外部:16个通道,通过GPIO复用
内部:3个,温度传感器、参考电压、电池电压(F1只有2个,无VBAT)

2)原理


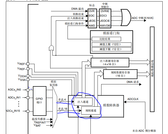
3、转换序列
1)框图
利用注入通道和规则通道进行分组

2)原理

注入组可以打断规则组的转换

3个规则序列寄存器:SQR1 2 3



注入通道寄存器:1个 JSQR


假设转化2个通道,JL设定成1(∵取值0-3代表1-4个通道),x=4-1=3,则注入序列的转换顺序是从JSQ3开始的;假设第一个要转换的通道是15,第二个要转换的通道是10,将15写入JSQ3,10写入JSQ4
快速记忆:转换n个,就从寄存器4-n+1开始转换
4、触发源
1)框图
分为注入组和规则组,常用规则组

先将EXTEN控制使能位置1,再通过EXTSEL选择触发源
2)原理
触发转换方式:
a.ADON位触发转换(仅限F1,少用)
当ADC_CR2寄存器的ADON位=1,在单独给ADON位写1,会触发规则组转换
b.外部事件触发转换:规则组、触发组
F1:


F4:


5、转换时间
1)框图

2)原理
设置ADC时钟
F1:ADC挂载在APB2上 APB2时钟最大为主频的1/2


ADC转换时间:Tconv=采样时间+12.5个周期(F4为+12个周期)
(F4)
采样时间通过SMPRx寄存器设置


6、数据寄存器
1)框图

规则组只有一个16位数据寄存器,可通过DMA将数据存入SRAM中
注入组有4个16位数据寄存器
2)原理
F1:

∵对F1来说,ADC为12位,寄存器有16个位,需要利用ADCx_CR2寄存器的ALIGN,位选择左对齐、右对齐,一般选右对齐
F4:

7、中断
1)框图

数据存入内存后,产生转换结束标志位,若开启中断使能位(将某中断位置1),就会产生ADC中断
2)原理

若使能控制位,会产生中断到NVIC
DMA请求只适用于规则组

8、单次转换模式和连续转换模式
通过CONT位设置


9、扫描模式

