2024 年江苏省大学生电子设计竞赛
(TI杯)
题目:无线传输信号模拟系统
题目编号:++C题++
|------------|-----------------|
| 参赛队编号: | NJ580 |
| 参赛队学校: | 南京邮电大学 |
| 参赛队学生: | 徐康淇、孙锦葵、单陈俊 |
二○二四年七月
摘要
以STM32F407为控制核心,结合AD9959模块构成DDS系统,设计制作了无线传输信号模拟系统。系统包含三电阻网络构成的合路器、AD835乘法器、数字衰减器PE43902、模拟开关电路。STM32F407驱动AD9959模块输出思路信号,分别为两路调制信号、两路载波;两路载波分别经过一个合路器,加上直流偏置;随后两路载波分别与2Mhz的正弦调制信号通过乘法器AD835进行混频,得到直达传输信号和多径传输信号;多径传输信号通过衰减器后,与直达传输信号通过合路器得到无线传输信号。
经测试,系统完成所有题目要求。AM信号调制度步进误<2%;载波频率误差<0.5%;
此外系统通过模拟开关电路和串口通信,设计了触摸屏控制任意波形输出,系统的可操作性高,功能丰富,交互良好。
关键字:STM32F407、AD9959、DDS、乘法器、数字衰减器、合路器、模拟开关电路
- 系统方案
- 比较和选择
- 信号发生源选择
方案一:单片机+ DDS
单片机选择STM32F407,结合DDS(Direct Digital Synthesis)技术,可以实现高精度的频率和相位控制。
优点:单片机的编程灵活,可以通过软件实现多种功能,如载波频率、幅度、调制度的设置,适应性强。相较于FPGA,单片机成本较低,适合预算有限的项目。单片机体积小,便于系统集成。
缺点:单片机的处理速度相对较慢,可能在高频信号的实时控制中表现欠佳。虽然可以通过DDS提高频率精度,但与FPGA相比,整体系统的稳定性和精度稍逊。
方案二: FPGA+DDS
利用FPGA的高速处理能力,结合DDS技术,可以实现复杂的信号生成和控制。
优点:FPGA具有极高的处理速度,能够实时处理高频信号,满足题目要求的频率范围(30MHz ~ 40MHz)。控制精度高,能够实现稳定的信号输出,保证频率和幅度的准确性。可以实现复杂的信号处理算法,适应多种调制和信号生成需求。
缺点:适配的DDS模块以及FPGA本身成本较高。
方案三:模拟开关电路
优点:响应速度快,适合固定频率和简单信号的生成。
缺点:无法实现复杂的信号生成和控制,调整参数困难。模拟电路易受环境影响,信号的频率和幅度精度较低,不适合高频信号的精确控制。
-
- DDS 芯片选择
方案一: AD9959
AD9959具有4个独立的DDS通道,适合产生多种调制信号,满足题目中对直达信号和多径信号的需求。AD9959的频率分辨率高达32位,能够实现高精度的频率控制。支持AM、FM、PM等多种调制方式,适合题目中对调幅信号的要求。功能强大,但价格相对较高。
方案二: AD9954
AD9954具有1个DDS通道,适合简单的信号生成需求。频率分辨率高达32位,能够实现高精度的频率控制。但是单个的AD9954不支持多通道输出,无法满足题目中对多径信号的需求。
1.3 信号合路器选择
方案一: OP37 运放模拟电路
可以根据具体需求调整电路参数,实现多种信号的合路。适合高频信号处理,能够实现稳定的信号合路。但是需要考虑多种参数,设计和调试难度大。
方案二:三电阻网络功分器
电路结构简单,易于实现和调试。适合高频信号处理,能够实现稳定的信号合路。使用常规元件,成本较低。
2. 最终方案描述
系统框图如图 1 所示。
根据以上比较和选择,最终确定的系统方案如下:
选择STM32F407单片机作为控制核心,结合AD9959 DDS芯片,实现高精度的信号生成和控制。单片机通过编程灵活地控制载波频率、幅度和调制度,满足题目中对直达信号和多径信号的要求。
选择AD9959 DDS芯片,利用其多通道输出和高频率分辨率,实现直达信号和多径信号的生成。AD9959支持多种调制方式,能够实现AM信号的调制。
选择三电阻网络功分器作为信号合路器,利用其设计简单、稳定性高的特点,实现直达信号和多径信号的合路处理。

图1 系统框图
- 参数计算、系统设计与实现
2.1 模拟电路设计
2.1.1 合路器电路设计
选择三电阻网络功分器作为信号合路器是因为其设计简单、稳定性高,能够有效地将直达信号和多径信号合路,保证信号输出的正确性和稳定性。
合路器在该电路系统应用于载波信号与直流信号的叠加以及直达传输信号和多径传输信号的叠加。
电阻阻值均设置为1㏀.
(1)
电路图如下图所示

图2 合路器三电阻电路
2.2.2 衰减器电路
本题我们采用"数字射频衰减器模块PE43902"作为本题的衰减电路,以满足多径传输信号的衰减设置。
该模块的步进精度为0.25dB,满足题目的步进为1dB的要求。同时该衰减器适用频率范围为9k-4Ghz,满足所需题目范围。
电路图如下图所示:

图3 衰减器电路
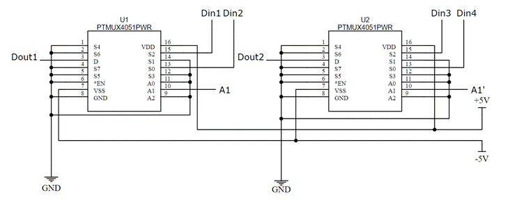
2.2.3模拟开关电路
本题我们采用TMUX4051芯片,搭建模拟开关电路,通过单片机控制TMUX4051的地址段,来控制波形输出。
模拟开关控制电路如下图所示:

图4 模拟开关控制电路
2.2 单片机软件设计
略
- 参数方案及测试结果分析
3.1 测试环境
示波器:RIGOL MS05104型数字示波器
电源: DH1718E-4型直流双路跟踪稳压稳流电源
3.2 测试方案
通过单片机的数字开关,控制模拟开关电路的地址段,进而选择输出回路。
通过单片机与T1系列4.3寸的液晶屏(TJC4827T143_011R_P20)进行串口通讯,在触控屏上可自由选择波的参数,将输出端口连接示波器,通过观测示波器进行测试。
3.3 测试结果
表 1 直达传输信号测试结果
|----------|----------|---------|---------|
| 直达传输信号 ||||
| 标准有效值/mV | 实际有效值/mV | 标准调制度/% | 实际调制度/% |
| 100 | 103.6 | 30 | 29.6 |
| 200 | 202.9 | 40 | 38.9 |
| 300 | 302.8 | 50 | 49.5 |
| 400 | 400.2 | 60 | 59.5 |
| 500 | 504.5 | 70 | 68.8 |
| 600 | 603.5 | 80 | 78.9 |
| 700 | 700.8 | 90 | 89.6 |
| 800 | 802.4 | | |
| 900 | 904.2 | | |
| 1000 | 1003.8 | | |
表 2 多径传输信号测试结果
|---------|---------|-----------|-----------|
| 多径传输信号 ||||
| 标准时延/ns | 实际时延/ns | 标准幅度衰减/dB | 实际幅度衰减/dB |
| 50 | 48.2 | 0 | 0.1 |
| 80 | 79.6 | 2 | 2.1 |
| 110 | 112.4 | 4 | 3.9 |
| 140 | 138.5 | 6 | 5.7 |
| 170 | 166.9 | 8 | 7.7 |
| 200 | 200.8 | 10 | 10.4 |
| | | 12 | 12.4 |
| | | 14 | 14.5 |
| | | 16 | 15.3 |
| | | 18 | 18.3 |
| | | 20 | 20.4 |
表 3 无线传输信号测试结果
|----------|----------|--------|--------|
| 无线传输信号 ||||
| 载波频率/Mhz | 实际频率/Mhz | 初始相位/° | 实际相位/° |
| 30 | 30.2 | 0 | -4 |
| 31 | 31.3 | 30 | 28 |
| 32 | 32.1 | 60 | 61 |
| 33 | 33.5 | 90 | 87 |
| 34 | 34.6 | 120 | 118 |
| 35 | 35.4 | 150 | 154 |
| 36 | 35.8 | 180 | 178 |
| 37 | 37.2 | | |
| 38 | 37.9 | | |
| 39 | 39.0 | | |
| 40 | 40.5 | | |
3.4 结果分析
由数据结果知,直达传输信号的有效值和调制度、多径传输信号的时延和幅度衰减、无线传输信号的频率和初始相位的设置均满足题目要求。
- 总结
在本次电子设计大赛中,我们围绕STM32F407控制核心与AD9959模块的结合,成功设计并制作了一种无线传输信号模拟系统。该系统集成了多种关键技术,例如三电阻网络合路器、AD835乘法器和数字衰减器PE43902,形成了一个功能完备的数字直接合成(DDS)系统。
通过STM32F407微控制器的驱动,我们实现了双路信号输出,分别为调制信号和载波信号。系统经过合理的设计与测试,确保了调制度步进误差小于2%以及载波频率误差控制在0.5%以内。这些出色的指标有效证实了系统设计的准确性与可靠性。此外,结合模拟开关电路和触摸屏控制系统,我们显著提高了系统的可操作性,允许用户灵活选择任意波形输出,增强了交互体验。
在多次测试中,系统表现卓越,各项功能均满足了赛事要求。从整体来看,本项目的成功不仅展现了团队在电子设计领域的创新与实践能力,同时也为未来无线传输技术的研究与应用打下了坚实基础。本次设计实践为我们在调制信号生成与处理方面的理解提供了宝贵经验,促进了团队协作精神的进一步提升。最后,我们期待在未来的工作中,将此系统的原理进一步深化,探索更复杂的无线信号应用。
- 参考文献
1\]. 罗杰,谢自美.电子线路-设计·实验·测试(第五版).2015,电子工业出版社. \[2\]. 康华光.电子技术基础(模拟部分)(第六版).2013,高等教育出版社. \[3\]. \[美\]BruceCarter.运算放大器权威指南(第四版).2014,人民邮电出版社. \[4\]. 樊昌信,曹丽娜.通信原理(第七版).2015,国防工业出版社. \[5\]. 王贞炎.FPGA 应用开发和仿真.2018,机械工业出版社.