BUCK电路原理
LDO无法应用于高压差的应用场景,于是就轮到DCDC登场了关于LDO可以看这篇文章
https://blog.csdn.net/m0_57150013/article/details/153307062?spm=1011.2124.3001.6209

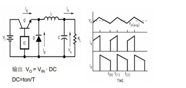
这是BUCK电源的原理,它是使用PWM来控制一个开关,通过不停地开关来降低电压。但是光是这样是不够的,我们怎么把不停地开关的信号转化为我们可以使用的稳定的电源呢。这就需要电容和电感的配合了。由于电感两端电流不能突变,所以开关导通的时候,电流是斜线上升的,开关断开的时候,电感和电容内部积攒了能量,它们和二极管一起形成了续流的回路。于是在高频率的开关之下,形成了一个稳定的电压。

BUCK电源分为同步BUCK和非同步BUCK,它们之间有什么区别呢?从设计上来说,同步BUCK在设计外围电路的时候不需要加续流二极管,非同步的BUCK则需要。同时同步BUCK的效率更高一些。这里以两颗TI的芯片为例,看一下内部结构。左边是一颗非同步BUCK芯片,右边是一颗同步BUCK芯片。它只有一颗MOS管,起到开关的作用,优点是结构比较简单,但是根据BUCK的拓扑结构,外部还需要增加一个续流二极管,当电流比较大的时候,二极管上的压降也会随之增大,效率会有所降低。而右边的同步BUCK芯片有两个MOS管,一个是开关管,一个是同步管。起到同步作用的MOS管代替了续流二极管,而MOS管的导通电阻通常情况下非常小,所以它的压降也是非常低的,效率比较高,但是为了实现开关管和同步管能够配合上,芯片内部还需要增加一个控制电路,使得芯片内部结构复杂,成本增加。
|----------------------------------------------------------------------------|----------------------------------------------------------------------------|
|
|
|
BUCK电路的设计
我们以非同步BUCK芯片TPS54331为例介绍一下BUCK电路的设计。

首先是引脚1,BOOT引脚需要连接一个0.1uF的自举带电容到PH脚,这是芯片内部做死的,我们严格执行即可,这里的自举电容是为了让开关管能够稳定地开启。

SS引脚是缓启动引脚,作用是控制上电的时序,计算公式如下:

这里设置2ms的延时,即选择一个5nF的陶瓷电容。

使能引脚可以直接连到输入,也可以通过芯片的欠压锁定设置一个启动的电压。

注意到芯片的使能脚的使能和欠压的典型值是1.25V,我们设计电压到达7.5V的时候使能,使用两个电阻进行分压即可。

输入引脚的设计,输入电容的计算公式如下

举例,比如我们需要的是用12V转5V@3A的场景,当我们使用陶瓷电容的时候(使用铝电解电容的话则需要纳入考虑),ESR比较小,我们这里可以忽略不计,Io(max)=3A,fsw可以在芯片手册中找到是570khz,输入纹波我们设置在20mV,可以计算得到输入电容为32uF。这是我们最小应该放置的滤波电容,真正使用的时候应该乘1.5-2倍,这里我们可以选择47uF。为了斩频增加一个100nF的小电容。同样注意电容材质和耐压。

对于输出电感和输出电容的选择,芯片手册里有详细的描述

通过这个公式可以计算得到
其中Kind是一个系数,一般取0.1-0.3。这里我们取的0.2,可以选择6.8uH的电感,得到了电感值之后就可以根据下面的公式计算纹波电流,将6.8uH代入下面的式子可以得到
这个时候我们电感的饱和电流就可以选择纹波电流的一半加上最大输出电流了。
输出电容则用下图所示的公式进行计算,设置输出纹波为10mV,可以算出Co=20.6uF,同样的,我们将计算值乘上2倍左右,可以选择2个22uF的电容或者一个47uF的电容。注意这是一个非同步的二极管,所以根据DCDC的拓扑结构我们需要为其添加一个续流二极管。


反馈脚的参考电压通过翻阅数据手册可以确定是0.8V,那么反馈设计就和LDO一样不做过多的赘述。
https://blog.csdn.net/m0_57150013/article/details/153307062?spm=1011.2124.3001.6209
最后介绍一下环路补偿,如今部分芯片已经把环路补偿做进了芯片内部,不需要我们工程师再在外围进行设计,但是还是有必要了解相关的知识,以备不时之需。环路设计这要是要设计剪切频率,相位裕量和增益裕量,剪切频率会影响瞬态响应,剪切频率过低可能会导致环路瞬态响应不足,而导致电压异常。一般根据经验来说,剪切频率设置在开关频率的1/10-1/50之间就可以。相位裕量和增益裕量分别表示环路增益为0的时候,对应的信号相位和信号相位为0时,对应的负增益量。稳定的开关电源设计,要使相位裕量大于45°,增益裕量小于10db。具体的计算公式可以看这篇文章。
https://blog.csdn.net/m0_57150013/article/details/150592253?spm=1001.2014.3001.5501

到这里为止整个BUCK电路就设计完毕了。
