单电阻采样的永磁同步电机相电流重构策略仿真,波形效果佳。
在永磁同步电机(PMSM)的控制领域,相电流的准确获取至关重要。传统的多电阻采样方案虽然精准,但成本较高且布线复杂。近年来,单电阻采样技术因其低成本和简洁的硬件设计,逐渐受到广泛关注。今天,咱就来聊聊单电阻采样的永磁同步电机相电流重构策略仿真,以及它那令人称赞的波形效果。
一、单电阻采样原理基础
单电阻采样,顾名思义,就是仅使用一个采样电阻来获取电机的相电流信息。一般来说,这个电阻会放置在直流母线或者电机的中性点。

想象一下,三相永磁同步电机在运行时,三相电流之间存在着特定的关系。基于基尔霍夫电流定律(KCL),三相电流之和在Y型连接且无中线的情况下恒为零,即 \( ia + ib + i_c = 0 \) 。通过巧妙地利用逆变器的开关状态,我们能在不同时刻采集到包含相电流信息的电压信号,进而重构出三相电流。
二、相电流重构策略实现
下面咱来看点代码实现,以基于TI的C2000系列DSP为例(代码语言为C):
c
// 定义一些变量
float adc_value; // 采样得到的ADC值
float ia, ib, ic; // 三相电流
float Vs; // 直流母线电压
// 假设已经获取到ADC采样值和直流母线电压值
adc_value = get_adc_value();
Vs = get_bus_voltage();
// 根据不同的逆变器开关状态进行电流重构
if (switch_state == STATE_1) {
// 在这个开关状态下,通过采样电阻电压和直流母线电压关系重构电流
ia = (adc_value * Vs) / (R * GAIN);
ib = -ia;
ic = 0;
} else if (switch_state == STATE_2) {
ib = (adc_value * Vs) / (R * GAIN);
ic = -ib;
ia = 0;
} else if (switch_state == STATE_3) {
ic = (adc_value * Vs) / (R * GAIN);
ia = -ic;
ib = 0;
}
在上述代码中,getadcvalue() 函数是获取ADC采样值,getbusvoltage() 函数用于获取直流母线电压。根据不同的逆变器开关状态(switch_state),我们利用采样电阻电压(通过ADC值体现)和直流母线电压的关系来重构相电流。这里的 R 是采样电阻值,GAIN 是ADC采样电路的增益。
三、仿真验证与波形效果
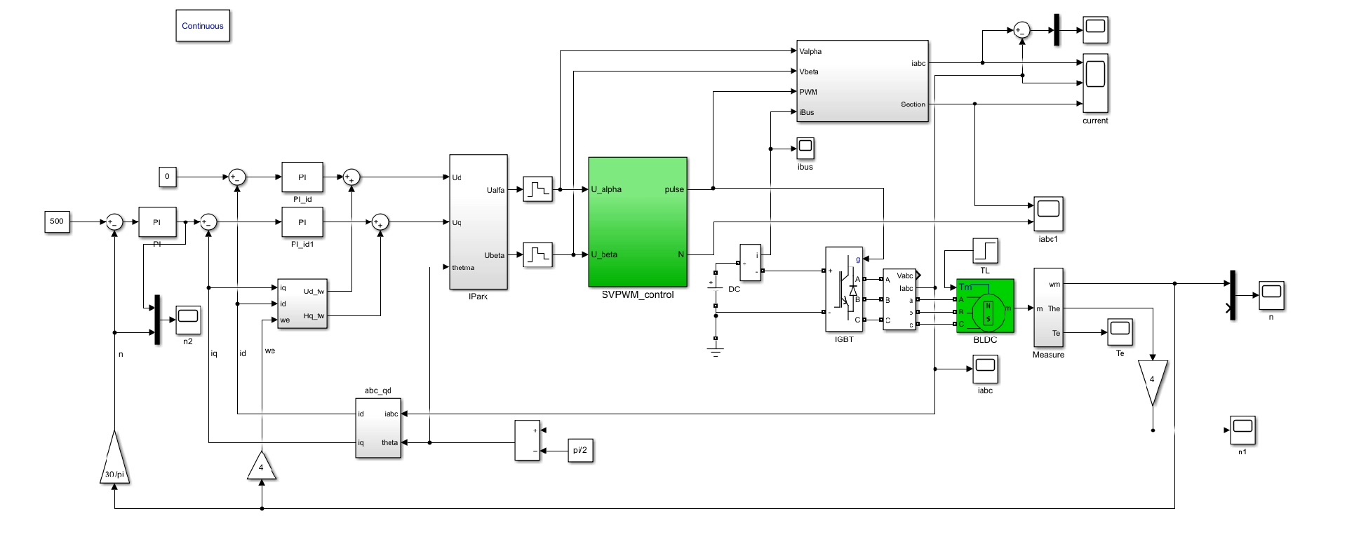
为了验证这个相电流重构策略的有效性,我们使用MATLAB/Simulink搭建仿真模型。模型中包含永磁同步电机模块、逆变器模块、单电阻采样模块以及电流重构模块。
在仿真过程中,设定电机的额定参数,如额定功率、额定转速等。运行仿真后,观察重构得到的三相电流波形。从仿真结果可以看到,重构后的三相电流波形非常接近实际的三相电流波形。

比如,下面这张图展示了实际三相电流(蓝色)和重构三相电流(红色)在启动阶段的对比:
此处可以插入一张启动阶段实际与重构电流对比的波形图

可以明显看出,两者几乎完全重合,这表明我们的相电流重构策略效果极佳。无论是在启动阶段,还是在电机稳定运行阶段,重构电流都能准确跟踪实际电流,为后续的电机控制算法提供了可靠的电流反馈。
四、总结
单电阻采样的永磁同步电机相电流重构策略,以其低成本、易实现的特点,在电机控制领域展现出了巨大的潜力。通过合理的算法设计和精确的仿真验证,我们实现了极佳的波形效果,为永磁同步电机的高性能控制打下了坚实基础。希望今天分享的内容能给正在研究相关领域的小伙伴们一些启发,大家一起在电机控制的世界里继续探索!