最近开始着手蓝桥杯单片机的学习,学习时第一轮我参考的是小蜜蜂和西风老师的视频辅助练习的,简单做个记录梳理学习的思路,希望也能帮助大家!
首先咱们拿到1块开发板的第一件事就是要立志成为点灯大师【bushi,应该是读懂原理图】!!
了解了一整张图各个模块的大致内容后,我们要把注意力放到细节研究。首先是点灯,在其他板子的学习时我们一般分为跑马灯和流水灯2种情况研究。(其实只要会写函数,while、for循环就万变不离其宗了)
了解LED指示灯基本控制原理
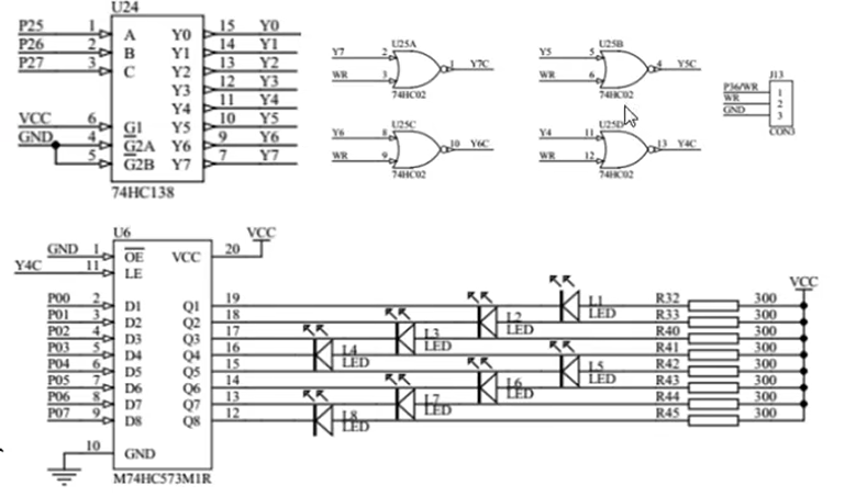
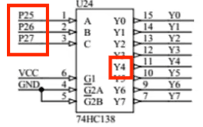
对于前面这些较为简单的模块,我们一般用IO引脚去控就好,值得注意的是:在点亮LED灯是我们不能直接简单粗暴的向P0写0,因为我们的原理图上多了573锁存器这个家伙,咱们要通过它的Y4C引脚去控制D1-D8->Q1-Q8,然后再去控制灯!
我们模块化的来看这些图吧,有些暂时不用的先省掉。我们主要用这3个模块:


控制LED闪烁思路

前置知识:新建工程基础入门(可以跳过)
虽然单片机的型号为IAP15F2K61S2,但他也是51系列单片机,我们也可以选择AT89C52作为替代。如果用IAP15F2K61S2更好,但我们要去STC-ISP添加它的器件支持包。
接着勾选这个才能生成HEX文件


新建好之后长这样

开始新建文件,我们要.c文件


控制LED闪烁函数编写
先写好基本框架


定义函数引脚

编写控制函数
延时函数
cpp
void Delay(unsigned int t){
while(t--);
while(t--);
}
LED闪烁函数
cpp
void Ledrunning(){
HC138_A=1;
HC138_B=0;
HC138_C =0;
P0=0x00;
Delay(60000);
Delay(60000);
P0=0xff;
Delay(60000);
Delay(60000);
}

进入STC烧录下载