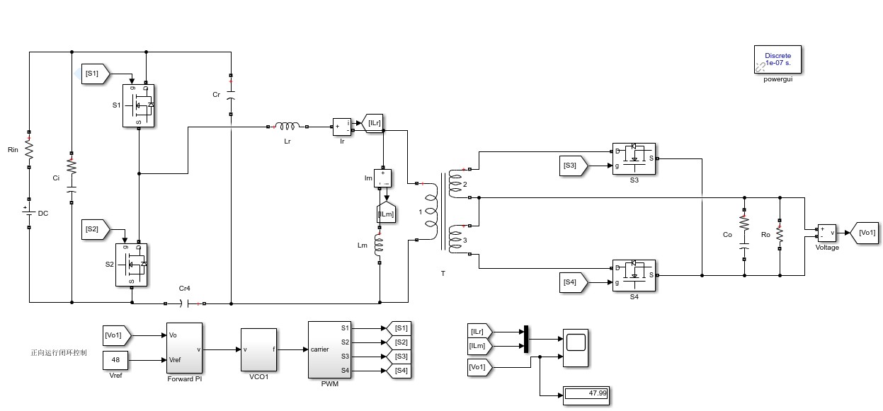
对称双向半桥LLC谐振变换器双向运行仿真模型。 模型采用闭环PI控制,频率控制方法。 输出效果好,效率高。 如展示图所示。 matlab/simulink
最近在研究电力电子相关内容时,接触到了对称双向半桥LLC谐振变换器双向运行仿真模型,感觉特别有意思,来和大家分享一下。
模型控制策略
这个模型采用的是闭环PI控制以及频率控制方法。闭环PI控制在电力电子系统里是相当常见的。简单来说,PI控制器由比例(P)和积分(I)两部分组成。比例环节能快速响应误差信号,而积分环节则可以消除稳态误差。
咱们来看段简单的Matlab代码示例来模拟一个简易的PI控制:
matlab
% 定义参数
Kp = 0.5; % 比例系数
Ki = 0.1; % 积分系数
Ts = 0.01; % 采样时间
time = 0:Ts:10; % 时间范围
setpoint = ones(size(time)); % 设定值
process_variable = zeros(size(time)); % 过程变量
error = zeros(size(time));
integral = 0;
for k = 2:length(time)
error(k) = setpoint(k) - process_variable(k - 1);
integral = integral + error(k) * Ts;
control_signal = Kp * error(k) + Ki * integral;
% 这里假设一个简单的系统动态,实际变换器会复杂得多
process_variable(k) = process_variable(k - 1) + control_signal * Ts;
end
在这段代码里,Kp和Ki分别是比例和积分系数,通过调整它们的值,可以改变PI控制器的性能。Ts是采样时间,它决定了控制器对信号的采样频率。循环里不断计算误差error,积分项integral也在不断更新,最终得出控制信号controlsignal*,作用于我们模拟的系统来调整process* variable。

频率控制方法在LLC谐振变换器里也至关重要。LLC变换器通过调节开关频率来实现不同的工作状态和输出特性。因为LLC谐振网络在不同频率下呈现不同的阻抗特性,通过改变开关频率,可以灵活控制变换器的输出电压和功率传输。
模型输出效果
不得不说,这个对称双向半桥LLC谐振变换器双向运行仿真模型的输出效果真的很棒,而且效率还高。通过Matlab/Simulink搭建整个模型后,从展示图中就能清晰看到各项性能指标。比如说输出电压能够稳定地跟踪设定值,波动极小。而且在不同的负载条件下,变换器都能高效地运行,保持较高的功率因数。
在Simulink里搭建模型时,我们可以使用各种模块来构建LLC谐振变换器的各个部分,像谐振电感、电容、变压器,以及控制部分的PI控制器等。每个模块都有对应的参数设置,通过合理配置这些参数,就能实现我们想要的双向运行效果。
总之,对称双向半桥LLC谐振变换器双向运行仿真模型结合闭环PI控制和频率控制方法,在Matlab/Simulink环境下展现出了出色的性能,对于研究电力电子变换器的朋友们来说,是一个非常值得深入探索的领域。希望这篇博文能给大家一些启发,一起交流学习呀!
