1.3CAN通讯案例1:环回静默模式测试
1.3.1需求描述
我们使用环回静默模式测试CAN能否正常工作。把接收到的报文数据发送到串口输出,看是否可以正常工作。

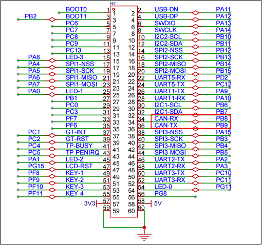
电路原理图---stm32需要can连接的引脚


这个是stm32f103的数据手册说明 PB8和PB9需要重定义才能使用can功能 stm32f103的默认can引脚不是 PB8和PB9

我们没有用CAN的默认引脚,而是用的重定向的引脚PB8和PB9。
1.4 stm32cubemx 配置
选择好芯片配置后进行配置
1.4.1 单线调试模式和时钟



1.4.2 配置usart 做串口输出

1.4.3 配置CAN引脚 并修改引脚 并配置参数






参数说明

导出项目


1.5 打开keil配置支持c库 设置目录和代码


配置烧录自动重启



路径配置和文件配置


配置Common_debug.c文件和Drivers_can.c文件


编写 common_debug.c 和 Dervers_can.c 和main.c
c
#include "Common_Debug.h"
void Common_Debug_Init(void)
{
//MX_USART1_UART_Init();
}
int fputc(int c, FILE *file)
{
HAL_UART_Transmit(&huart1, (uint8_t *)&c, 1, 1000);
return c;
}
c
#include "Driver_CAN.h"
#include "string.h"
static void Driver_CAN_ConfigFilter(void);
void Driver_CAN_Init(void)
{
MX_CAN_Init();
Driver_CAN_ConfigFilter();
HAL_CAN_Start(&hcan);
}
static void Driver_CAN_ConfigFilter(void)
{
CAN_FilterTypeDef filter;
filter.FilterBank = 0; /* 过滤器0 */
filter.FilterFIFOAssignment = CAN_FILTER_FIFO0; /* 把过滤器0与fifo0绑定 */
filter.FilterMode = CAN_FILTERMODE_IDMASK; /* 掩码模式 */
filter.FilterScale = CAN_FILTERSCALE_32BIT;
filter.FilterIdHigh =0x0;
filter.FilterIdLow =0x0;
filter.FilterMaskIdHigh = 0x0;
filter.FilterMaskIdLow = 0x0;
filter.FilterActivation = CAN_FILTER_ENABLE;
HAL_CAN_ConfigFilter(&hcan, &filter);
}
/**
* @description: 发送信息
* @param {uint16_t} id 信息的id
* @param {uint8_t} *data 数据
* @param {uint8_t} len 数据的长度(字节个数)
*/
void Driver_CAN_SendMsg(uint16_t id, uint8_t *data, uint8_t len)
{
if(len > 8) return;
uint32_t mailBox = 0;
CAN_TxHeaderTypeDef header;
header.DLC = len;
header.StdId = id;
header.IDE = CAN_ID_STD;
header.RTR = CAN_RTR_DATA;
HAL_CAN_AddTxMessage(&hcan, &header, data, &mailBox);
}
/* 一次性把接收到的所有报文全部读取 */
void Driver_CAN_RecevieMsgs(RxMsgStruct msgs[], uint8_t *count)
{
/* 获取目前报文数 */
*count = HAL_CAN_GetRxFifoFillLevel(&hcan, CAN_RX_FIFO0);
CAN_RxHeaderTypeDef header;
for (uint8_t i = 0; i < *count; i++)
{
memset(msgs[i].data, 0, 8);
HAL_CAN_GetRxMessage(&hcan, CAN_RX_FIFO0, &header, msgs[i].data);
msgs[i].id = header.StdId;
msgs[i].len = header.DLC;
}
}
main.c
c
/* USER CODE BEGIN Header */
/**
******************************************************************************
* @file : main.c
* @brief : Main program body
******************************************************************************
* @attention
*
* Copyright (c) 2024 STMicroelectronics.
* All rights reserved.
*
* This software is licensed under terms that can be found in the LICENSE file
* in the root directory of this software component.
* If no LICENSE file comes with this software, it is provided AS-IS.
*
******************************************************************************
*/
/* USER CODE END Header */
/* Includes ------------------------------------------------------------------*/
#include "main.h"
#include "can.h"
#include "usart.h"
#include "gpio.h"
/* Private includes ----------------------------------------------------------*/
/* USER CODE BEGIN Includes */
#include "Driver_CAN.h"
#include "Common_Debug.h"
/* USER CODE END Includes */
/* Private typedef -----------------------------------------------------------*/
/* USER CODE BEGIN PTD */
/* USER CODE END PTD */
/* Private define ------------------------------------------------------------*/
/* USER CODE BEGIN PD */
/* USER CODE END PD */
/* Private macro -------------------------------------------------------------*/
/* USER CODE BEGIN PM */
/* USER CODE END PM */
/* Private variables ---------------------------------------------------------*/
/* USER CODE BEGIN PV */
/* USER CODE END PV */
/* Private function prototypes -----------------------------------------------*/
void SystemClock_Config(void);
/* USER CODE BEGIN PFP */
/* USER CODE END PFP */
/* Private user code ---------------------------------------------------------*/
/* USER CODE BEGIN 0 */
RxMsgStruct msgs[3];
uint8_t msgCount;
/* USER CODE END 0 */
/**
* @brief The application entry point.
* @retval int
*/
int main(void)
{
/* USER CODE BEGIN 1 */
/* USER CODE END 1 */
/* MCU Configuration--------------------------------------------------------*/
/* Reset of all peripherals, Initializes the Flash interface and the Systick. */
HAL_Init();
/* USER CODE BEGIN Init */
/* USER CODE END Init */
/* Configure the system clock */
SystemClock_Config();
/* USER CODE BEGIN SysInit */
/* USER CODE END SysInit */
/* Initialize all configured peripherals */
MX_GPIO_Init();
// MX_CAN_Init();
MX_USART1_UART_Init();
/* USER CODE BEGIN 2 */
/* USER CODE END 2 */
/* Infinite loop */
/* USER CODE BEGIN WHILE */
debug_init();
debug_printfln("hal库CAN");
Driver_CAN_Init();
/* 先发送 */
Driver_CAN_SendMsg(0x1, "abcdef", 6);
Driver_CAN_SendMsg(0x2, "abc", 3);
Driver_CAN_SendMsg(0x3, "1234", 4);
Driver_CAN_SendMsg(0x4, "12345", 5);
debug_printfln("发送完成...");
while(1)
{
msgCount = 0;
Driver_CAN_RecevieMsgs(msgs, &msgCount);
for(uint8_t i = 0; i < msgCount; i++)
{
debug_printfln("id = %#x, len = %d, msg = %.*s",
msgs[i].id,
msgs[i].len,
msgs[i].len,
msgs[i].data);
}
/* USER CODE END WHILE */
/* USER CODE BEGIN 3 */
}
/* USER CODE END 3 */
}
/**
* @brief System Clock Configuration
* @retval None
*/
void SystemClock_Config(void)
{
RCC_OscInitTypeDef RCC_OscInitStruct = {0};
RCC_ClkInitTypeDef RCC_ClkInitStruct = {0};
/** Initializes the RCC Oscillators according to the specified parameters
* in the RCC_OscInitTypeDef structure.
*/
RCC_OscInitStruct.OscillatorType = RCC_OSCILLATORTYPE_HSE;
RCC_OscInitStruct.HSEState = RCC_HSE_ON;
RCC_OscInitStruct.HSEPredivValue = RCC_HSE_PREDIV_DIV1;
RCC_OscInitStruct.HSIState = RCC_HSI_ON;
RCC_OscInitStruct.PLL.PLLState = RCC_PLL_ON;
RCC_OscInitStruct.PLL.PLLSource = RCC_PLLSOURCE_HSE;
RCC_OscInitStruct.PLL.PLLMUL = RCC_PLL_MUL9;
if(HAL_RCC_OscConfig(&RCC_OscInitStruct) != HAL_OK)
{
Error_Handler();
}
/** Initializes the CPU, AHB and APB buses clocks
*/
RCC_ClkInitStruct.ClockType = RCC_CLOCKTYPE_HCLK | RCC_CLOCKTYPE_SYSCLK | RCC_CLOCKTYPE_PCLK1 | RCC_CLOCKTYPE_PCLK2;
RCC_ClkInitStruct.SYSCLKSource = RCC_SYSCLKSOURCE_PLLCLK;
RCC_ClkInitStruct.AHBCLKDivider = RCC_SYSCLK_DIV1;
RCC_ClkInitStruct.APB1CLKDivider = RCC_HCLK_DIV2;
RCC_ClkInitStruct.APB2CLKDivider = RCC_HCLK_DIV1;
if(HAL_RCC_ClockConfig(&RCC_ClkInitStruct, FLASH_LATENCY_2) != HAL_OK)
{
Error_Handler();
}
}
/* USER CODE BEGIN 4 */
/* USER CODE END 4 */
/**
* @brief This function is executed in case of error occurrence.
* @retval None
*/
void Error_Handler(void)
{
/* USER CODE BEGIN Error_Handler_Debug */
/* User can add his own implementation to report the HAL error return state */
__disable_irq();
while(1)
{
}
/* USER CODE END Error_Handler_Debug */
}
#ifdef USE_FULL_ASSERT
/**
* @brief Reports the name of the source file and the source line number
* where the assert_param error has occurred.
* @param file: pointer to the source file name
* @param line: assert_param error line source number
* @retval None
*/
void assert_failed(uint8_t *file, uint32_t line)
{
/* USER CODE BEGIN 6 */
/* User can add his own implementation to report the file name and line number,
ex: printf("Wrong parameters value: file %s on line %d\r\n", file, line) */
/* USER CODE END 6 */
}
#endif /* USE_FULL_ASSERT */