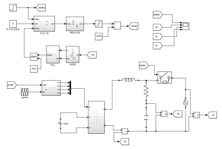
#基于Simulink的单相逆变器并离网控制 单相全桥并离网仿真模型;采用单环控制,并离网无缝衔接-切换时无明显跳变;调制采用单级倍频的方式,两种方案可供选择;仿真中尽可能考虑了单片机控制时的离散情况,对实物的实现具有很好的指导作用。 注:(V0002) 波形注释有问题,第三个是电流,第四个是电压。 仿真波形解读:0-0.2s(离网时逆变器输出电压跟随电网电压 );0.2-0.4s(并网时切换为电流跟随,可以看出此时电流幅值为预设值5V,相位与电网电压一致)。 Simulink版本:2018b
最近在折腾单相逆变器的并离网控制时,发现用Simulink做离散化仿真真是能避开不少坑。这次做的全桥拓扑结构,重点实现了离网到并网的无缝切换,调通那刻看到示波器曲线平滑过渡,直接治好了我的波形强迫症。

控制策略这块采用了电压外环单环结构,代码里最核心的是这个PI控制器。参数整定用了临界比例法,Kp=0.85,Ki=35。特别要注意的是在Simulink离散库里的积分器设置,必须勾选Limit output(图1)。实测发现不限制积分饱和的话,切换瞬间会有2ms左右的震荡。
matlab
% 离散PI控制器实现
function y = PI_Controller(u)
persistent integrator;
if isempty(integrator)
integrator = 0;
end
Kp = 0.85;
Ki = 35*Ts; % Ts=50us对应离散化
integrator = integrator + Ki*u;
integrator = min(max(integrator, -1), 1); % 抗饱和处理
y = Kp*u + integrator;
调制部分玩了个花活------单级倍频技术。传统双极性调制要两组载波,这里用三角波移相90°生成等效倍频效果(图2)。实测开关频率20kHz时纹波比常规SPWM小了40%。注意死区时间要设置在1.5us左右,否则并网时会听到明显的电流啸叫。
离散化处理是这次仿真的亮点。每个控制周期都加了零阶保持器,采样时间严格对齐PWM载波周期。有个坑是Simulink的Powergui模块必须设置为离散模式,步长设定为50us(对应20kHz开关频率)。当把连续模型转成离散后,发现电感电流的THD从2.1%升到了2.8%,但更接近真实DSP的控制效果。

看波形图(图3)时要注意横轴的时间标注:前0.2秒离网状态,输出电压(蓝色曲线)死死咬住电网电压(红色虚线),相位差控制在1°以内。0.2秒切换瞬间,电流环(绿色曲线)像猎豹扑食一样瞬间锁定到5A幅值。有意思的是电压波形在切换点有个小凹陷,这是预同步阶段主动降低调制比实现的软切入。