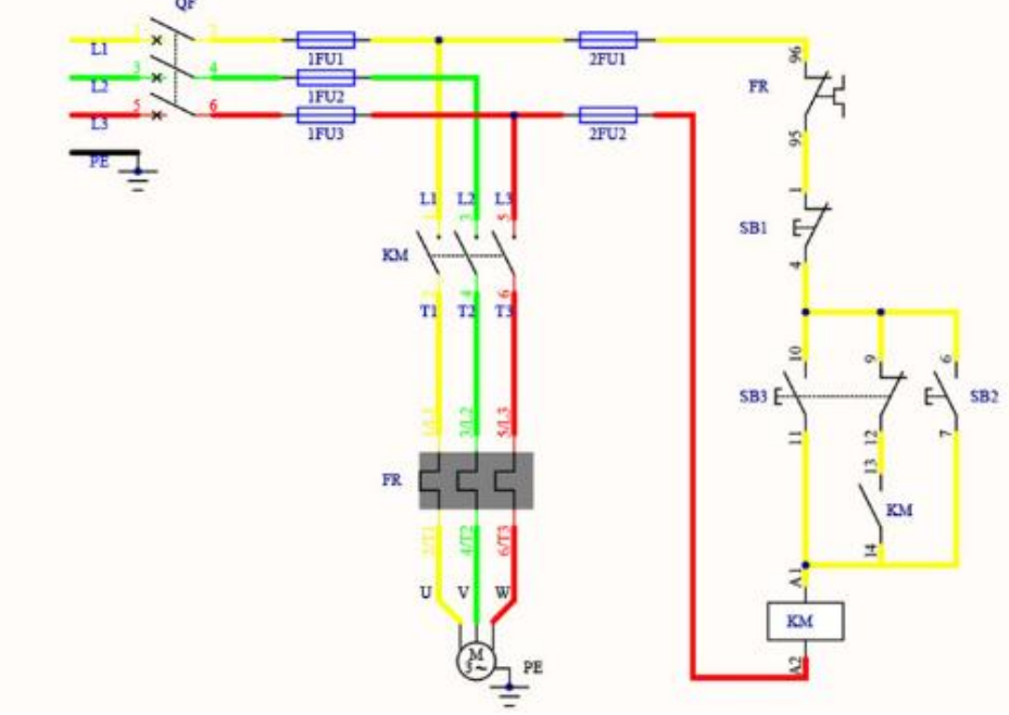
一.K21点联动
1.电路图

2.主线路你
从L1,L2,L3出来,接熔断器的FU1,FU2,FU3上端出来,然后从下端的负载出来,然后从交流接触器的主触点上触点进来,下触点出来 ,然后经过熔断器的主触点 上进下去,然后到三相电机。
3.控制线路
从2FU1上进下去, 出来之后接在热继电器的辅助触点上进下去,从95出来之后接在1触点上,1 4是SB1的常闭触点,从4出来之后,接在SB3的常开触点从10进11出 出来之后接在接触器的A1触点,然后从A2触点出来之后回到2FU的触点上,然后从10-----9点, 9 --------6点 12点接到13 7到14 7到A1
二.K22电动机的正反转
1.电路图


1.控制线路的接法
从热继电器的常闭触点96---------->95 出来在到SB1按钮的常闭触点接在1 4接到SB3按钮的常开触点10 11接到KM2的常闭触点21 22接到KM1 A1线圈 A2接到熔断器的回路上
10接到KM1的常开辅助触点14 13接到SB3按钮的11触点
KM1的14接到SB2的6 SB2的6接到 KM2的常开14触点
SB2的7接到KM2的13触点 SB2的7接到21的触点
KM1的22 接到 KM2的A1触点 A2接到A2的点
三.K23单相照明灯

火线经过电能表1进2出
零线经过电能表3进4出
火线和零线从熔断器上进下出
火线经过开关 在经过灯泡 从灯泡的零线回到熔断器。

插座接地 没有接地的话要扣15分
四.带熔断器电流互感器的控制回路
1.模拟接线图
2.控制线路
并出两根火线-------从2FU1 2FU2进来 2FU1经过熔断器96进 95 出 出来之后接SB2的常闭触点 出来之后接SB3的常开触点 出来之后接线圈的A1 A2到熔断器的回路
SB3按钮的常开触点接在接触器的辅助常开触点
五.K11 电工仪表安全使用
1.第一题
钳形电流互感器和电流表以及测量转换机构组合而成,电流互感器的铁芯再捏紧扳手时可以张开,被测导线不必切断就能方便地穿过贴心张开的口内进行电流测量
2.第二题

3.第三题
以下有问题的仪表是

4.第四题
下列两个选项不正确的是

应将万用表打在交流250V档上
红表笔应接正极,黑表笔应接负极
第五题
一共四个选项 下列两个选项正确的是 片段3为正确的测量方法 片段1为正确的测量方法
六.对K11的电工仪表使用的总结
1.第一道选择题 选钳形电流表
2.第二道 数字式万用表 兆欧表 钳形电流表
3.第三题 钳形电流表 万用表 电流表
4.第四题 250V电压 黑表笔应接正级 红表笔接负极
5.第五题 片段1 和片段3 正确
七.K13 安全标识牌的辨别

八.K21的选择题
1.选最长 短路保护
九.K41作业现场应急处置
选择两个最长的
十.K42
1.确定有一位患者触电,确定现场的环境安全
拍打患者的双肩,先生你醒醒,先生你醒醒
2.观察患者的瞳孔 用手压住脉搏 听患者有没有呼吸 打节拍 1001 1002 1003 1004 ......
3.指定一个人拨打120 在指定一个人拿AED除颤仪
4.确定患者瞳孔放大 脉搏没有动 也没有呼吸
5.双手合住取中线的位置 压住左心脏30次
6.清理口内的杂物,将患者的头部上仰,捏住鼻子,往嘴里吹起,斜视观察胸部有没有隆起
7.重复上面的吹起动作两次 包括上面一次 , 以为30 2 为一组
8.如此循环下去 一直等到专业的人士到达现场进行急救。
9.总结:确 拍 观 指 确 按 清 捏 吹
十一.K43灭火器的使用
1.四米
2.风是那个方向 就站那个方位
3.木材用水基 化学用二氧化碳 电力用干粉
十二.K31


其它都选最长
十三.K32












十四.K12
1.第一题

2.第二题

3.第三题

4.第四题

5.第五题

6.第六题

7.第七题.

8.第八题

9.第九题

10.第十题

