本文结合基础案例与语音场景,说明 LabVIEW 中 STFT Spectrograms.vi 的应用逻辑,原理、参数配置。
STFT 基础
短时傅里叶变换(STFT)通过滑动窗口对信号分帧,解决傅里叶变换无法分析非平稳信号的局限,是时频域分析的核心工具。

核心 VI : STFT Spectrograms.vi
-
功能:输入时域信号,输出 STFT 频谱图(时频分布)、功率谱及时域信号。
-
特点:支持窗口类型 / 长度、时间步长、频率分箱配置,灵活平衡时频分辨率。
-
对比:
-
-
傅里叶变换 VI:仅输出频域信息,无时间维度,适用于平稳信号;
-
小波变换 VI:时频分辨率自适应,但计算复杂度高,STFT 在 LabVIEW 中更易配置。
-
Chirp 信号分析
以雷达 Chirp 信号(频率时变)为例:
-
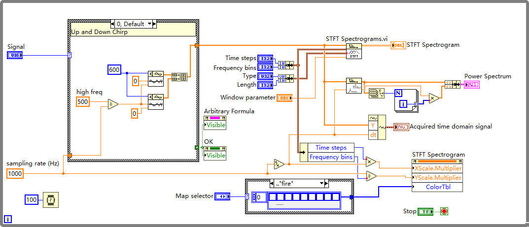
信号生成:用 LabVIEW 生成 Up and Down Chirp 信号,采样率 1000Hz。
-
STFT 配置:Time steps=2、Frequency bins=512、Hanning 窗(长度 64)。
-
结果:频谱图直观显示频率随时间的变化轨迹,功率谱验证信号带宽,辅助雷达算法调试。
语音信号的 STFT 分析
语音为典型非平稳信号,分析步骤如下:
1. 语音信号采集
-
方式:用 "Read From Sound Input.vi" 采集麦克风语音(或 "Read Waveform from File.vi" 读 WAV 文件)。
-
参数:采样率 16kHz(覆盖 20Hz-4kHz 语音频段)、16 位、单声道。
2. STFT 参数适配(针对语音特性)
| 参数 | 推荐配置 | 原因 |
|---|---|---|
| Time steps | 10~20 | 平衡时间分辨率与计算量 |
| Frequency bins | 256~512 | 覆盖语音带宽,保证频率精度 |
| Window Type | Hamming/Hanning | 抑制频谱泄漏,适配语音短时平稳性 |
| Length | 32~128 | 匹配语音 20~30ms 的短时平稳时长 |
3. 分析与应用
-
结果解读:频谱图观测语音 "基频 + 共振峰" 的时变规律(如元音的共振峰轨迹);
-
注意事项:先通过 "Butterworth Filter.vi" 预滤波降噪,再输入 STFT;
-
场景示例:语音情感识别中,用 STFT 提取 "开心 / 愤怒" 语音的共振峰差异,辅助分类算法训练。