SM7055-18 是 18V 输出、250mA 非隔离 AC/DC PWM 功率开关芯片,核心优势是高集成、低成本、强保护与低待机功耗,最适配小家电 18V 辅助电源,也可用于其他低压小功率非隔离电源场景。SM7055-18 替换 VIPer12A、PN8012、CSC7612。
输出功率:

核心应用领域与场景
| 应用场景 | 核心用途 | 适配原因 |
|---|---|---|
| 电饭煲 / 电压力锅 | 控制板 18V 供电、继电器 / 加热驱动 | 18V 输出匹配控制电路,低待机、强保护适配长期工作 |
| 电磁炉 | 主控 / 风扇 / 显示电路 18V 电源 | 宽压输入适配电网波动,抖频提升 EMC,精简 BOM |
| 其他小家电 | 豆浆机、榨汁机等辅助电源 | 低成本 BUCK 拓扑,外围极简,PCB 面积小 |
| 工业 / 消费电子 | 仪器仪表、安防设备待机电源 | 60mW 低待机,过温 / 过流 / 过压 / 欠压保护可靠 |
| 芯片替代 | 替换 VIPer12A、PN8012、CSC7612 | 同功能、封装兼容,性价比更高 |
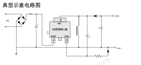
SM7055-18典型应用电路:

SM7055-18典型应用方案与电路要点
拓扑选择:优先采用BUCK 或 BUCK-BOOST非隔离方案,无需变压器,外围仅需整流桥、滤波电容、续流二极管、电感与采样电阻,BOM 成本极低。
关键参数:
输入:85--265Vac 全电压,适配全球电网。
输出:固定 18V/250mA,线性与负载调整率优异(内置 CS 电阻,无需外部补偿)。
频率:60kHz 固定,内置抖频降低 EMI,简化滤波器设计。
保护:过温、过流、过压、欠压、软启动、智能软驱动,提升系统可靠性。
典型应用电路(简化):
AC 输入→整流桥→电解滤波→BUCK 电感 + 续流二极管→SM7055-18(VCC/CS/GND)→输出滤波→18V 负载。
无需 FB 反馈与补偿网络,PCB 仅需少量器件,布局紧凑.
SM7055-18 电磁炉电源应用方案:
原理图:

BOM清单:

变压器参数:

PCB注意事项:

说明:
TO-2512:
IC的2脚GND需要铺铜散热,铺铜面积需要大于8*8mm,以降低芯片的温度及提高系统的性能。
IC的1脚 DRAIN 脚与2脚 GND 及3脚HVDD 之间需要开槽,以满足安规要求。
初级环路与测试环路的走线距离尽量粗而短,以便更容易通过 EMC 测试。
DIP8:
IC 的 DRAIN 脚与 GND 及 HVDD之间需要开槽,以满足安规要求。
初级环路与测试环路的走线距离尽量粗而短,以便更容易通过EMC 测试。