TYPE-C PD快充诱骗芯片,ECP5702支持定制电压输出,它内置了PD通讯模块,通过与供电端(如PD充电器)的PD协议芯片握手通信,申请出需要的电压给产品供电,支持无线充,大功率小家电,智能家居,无人机快速充电等产品供电
PD协议充电器采用了Type-C接口输出,PD协议需要CC脚、VBUS、GND、D+D-等脚位,它具有数据传输速度快,充电电流大,电压高等特点,还可以支持USB正反插,非常的便捷。
1、概述
ECP5702是台湾能芯科技针对 USB PD 2.0/3.0协议开发的一款高度集成USB PD诱骗芯片,传输的额定功率可达100W。芯片兼容PD2.0/3.0。输入端主要接 PD 适配器,输出端配置输出固定的电压。芯片VBUS、CC1、CC2引脚耐压达28V,无需通过其他电路进行降压供电。
2、特点
◇ 采用 SOP-8 封装
◇ 兼容 USB PD 3.0 规范,支持 USB PD 2.0
◇ 可自动诱骗 PD 输出 5V、9V、12V 、15V、20V电压。
3、应用
所有需要适配器(支持 USB PD 和 QC 协议)供电的设备无线充电、小家电、老化器、智能家居,电池产品等。ECP5702可以不断开即可调整TP引脚电压改变适配器输出电压。

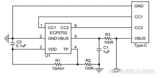
应用图参考:


完整规格书,以及参考资料可下方留言讨论