书籍:Matlab实用教程
工具:Matlab2021a
电脑信息:Intel® Xeon® CPU E5-2603 v3 @ 1.60GHz
系统类型:64位操作系统,基于X64的处理器 windows10 专业版
第7章 simulink仿真环境
7.5 复杂系统仿真与分析
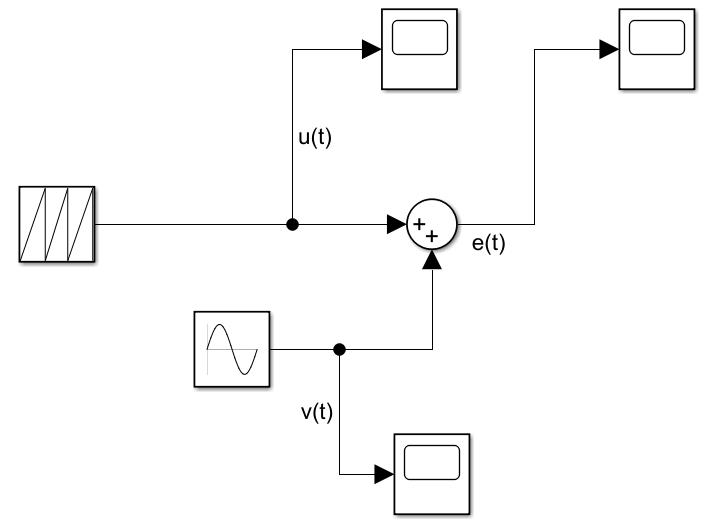
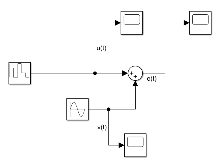
1、两个step信号相加

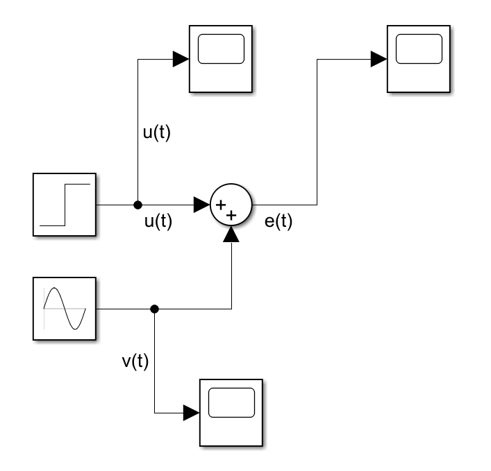
2、step信号和sine信号相加


3、Band-Limited White Noise信号与sine信号相加


4、两个不同相位的sine信号相加


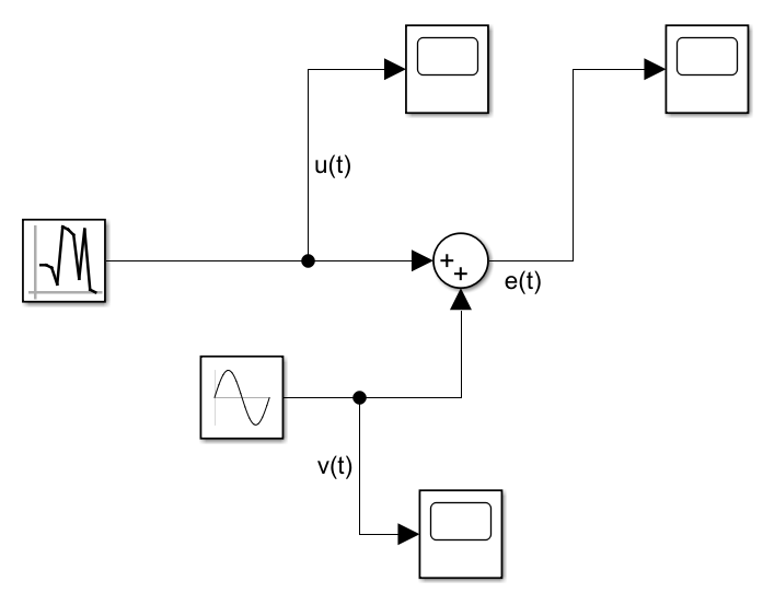
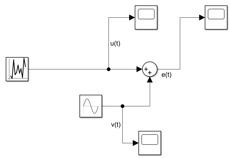
5、Chirp Signal信号与sine信号相加


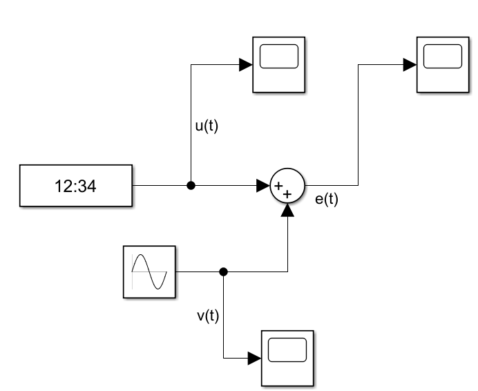
6、clock信号与sine信号相加


7、constant信号与sine信号相加


8、Counter Free-Running信号与sine信号相加



9、Counter Limited信号与sine信号相加


10、Digital Clock信号与sine信号相加


11、Enumerated Constant信号与sine信号相加

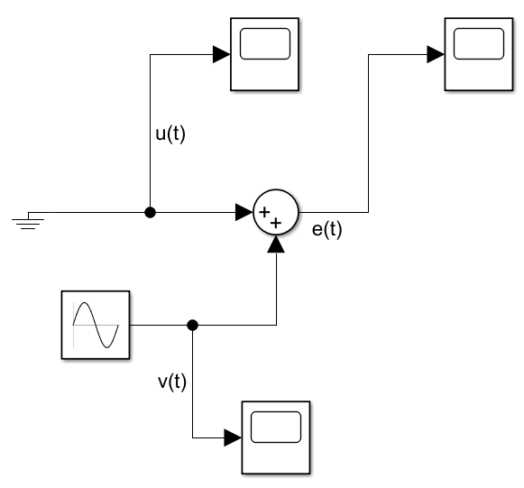
12、Ground信号与sine信号相加


13、inbus.signal1信号与sine相加


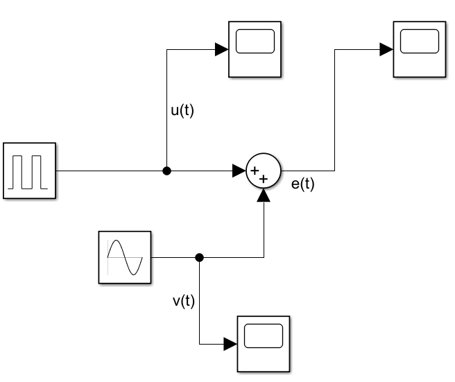
14、Pulse Generator信号与sine信号相加


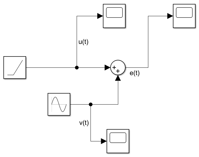
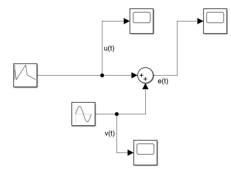
15、Ramp信号与sine信号相加


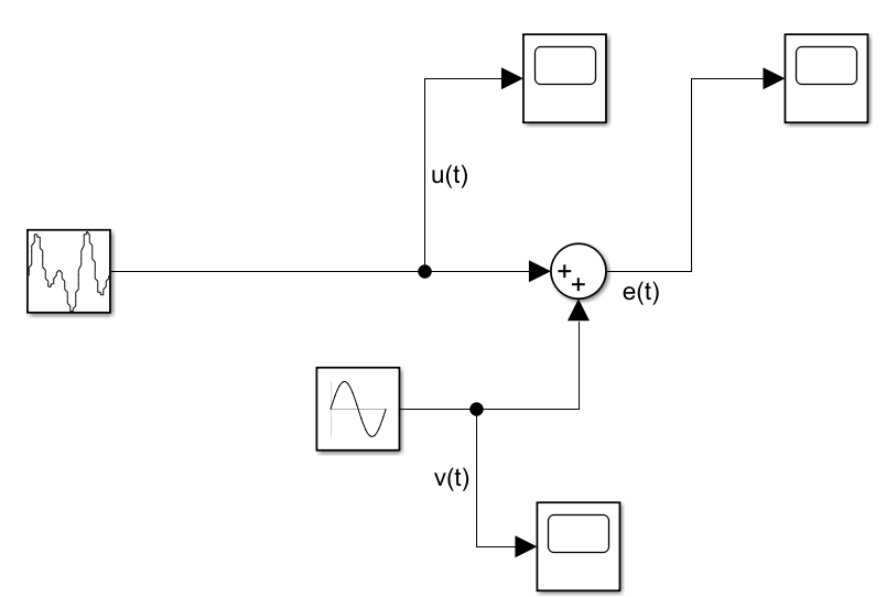
16、Random Number信号与sine信号相加


17、Repeating Sequence信号与sine信号相加


18、Repeating Sequence Interpolated信号与sine信号相加


19、Repeating Sequence Stair信号与sine信号相加


20、Signal Builder信号与sine相加



21、Signal Generator信号与sine信号相加


22、Uniform Random Number信号与sine信号相加


23、Waveform Generator信号与sine相加


