一、GPIO:单片机与外界交互的"万能接口"
GPIO,即General Purpose Input Output(通用输入输出),是单片机最基础也是最核心的外设之一,堪称单片机与外部世界沟通的"桥梁"。其核心优势在于可独立配置,每个GPIO引脚都能根据需求灵活设置为输入模式或输出模式,适配不同的外部设备交互场景。
1. 输出模式:主动输出控制信号
当GPIO引脚配置为输出模式时,单片机可主动控制引脚输出高电平或低电平,以此向外部设备发送控制信号,驱动LED灯、继电器、电机等外设工作。51单片机的GPIO输出模式主要分为以下四种,各有适配场景:
-
开漏输出:引脚本身只能主动输出低电平,若要输出高电平,必须外接上拉电阻。这种模式的优势是支持"线与"逻辑,多个开漏输出引脚并联时,只要有一个引脚输出低电平,总线就为低电平,适合I2C等多设备共享总线的通信场景。
-
推挽输出:这是最常用的输出模式,引脚可直接主动输出高电平和低电平,驱动能力较强。其内部结构包含上下两个MOS管,输出高电平时上管导通、下管截止,输出低电平时下管导通、上管截止,无需外接电阻即可直接驱动多数中小功率外设。
-
复用开漏:此时GPIO引脚的功能被单片机内部其他外设(如串口、定时器)复用,输出逻辑采用开漏形式。例如,将引脚复用为串口TX引脚时,若配置为复用开漏模式,需外接上拉电阻才能稳定输出高电平。
-
复用推挽:同样是引脚功能被内部外设复用,但输出逻辑为推挽形式。复用推挽模式兼具复用功能和强驱动能力,适合复用为需要直接驱动外部设备的外设引脚。
2. 输入模式:被动接收外部信号
输入模式下,GPIO引脚作为"接收器",负责检测外部设备发送的电平信号,实现对按键、传感器(如光电传感器、温度传感器)等输入设备的状态读取。51单片机的GPIO输入模式主要有四种,核心差异在于引脚的偏置方式:
-
上拉输入:引脚内部集成上拉电阻,当没有外部信号输入时,电阻将引脚电平拉为高电平;当外部设备将引脚拉低时,引脚呈现低电平。这种模式稳定性高,不易受干扰,是按键检测、传感器信号读取的常用模式。
-
下拉输入:与上拉输入相反,引脚内部集成下拉电阻,无外部信号时引脚默认低电平,外部设备输入高电平时,引脚呈现高电平。适合外部信号为高电平有效、且需要稳定默认状态的场景。
-
浮空输入:引脚内部既无上拉电阻也无下拉电阻,电平状态完全由外部输入信号决定。这种模式的优点是输入阻抗高、灵敏度高,但缺点是抗干扰能力弱,容易受外界电磁干扰导致电平波动,通常用于需要精准检测微弱信号的场景,且需配合外部电路增强稳定性。
-
模拟输入:该模式下,GPIO引脚将外部模拟信号(如连续变化的电压信号)传输至单片机内部的ADC(模数转换)模块,由ADC将模拟信号转换为数字信号供CPU处理。主要用于温度、湿度、光照等模拟量检测场景。
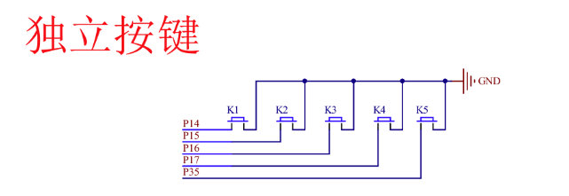
二、独立按键:最基础的人机交互单元
独立按键是单片机项目中最常用的人机交互设备,通过简单的按压操作,即可实现"控制LED亮灭""切换工作模式""触发中断"等核心功能。其电路设计和工作原理都较为简单,是入门阶段必须掌握的基础模块。
1. 典型原理图
独立按键的典型电路设计为:按键的一端连接GPIO引脚,另一端直接接地(GND);同时,GPIO引脚通过内部或外部上拉电阻连接到VCC(电源正极)。这种设计被称为"上拉式按键电路",是最常用的按键电路方案。此外,也有少数"下拉式按键电路",即按键一端接GPIO引脚,另一端接VCC,GPIO引脚通过下拉电阻接地,原理与上拉式类似,只是电平逻辑相反。
2. 核心工作原理
独立按键的工作原理本质是通过按压操作改变GPIO引脚的电平状态,单片机通过检测引脚电平变化判断按键是否被按下:
-
按键未按下时:GPIO引脚通过上拉电阻与VCC连通,此时引脚呈现高电平状态。
-
按键被按下时:按键的两个触点闭合,GPIO引脚通过按键与GND短路,此时引脚电平被拉低,呈现低电平状态。
因此,单片机判断按键是否被按下的核心逻辑的是:检测对应GPIO引脚是否为低电平。需要注意的是,按键在按下和松开的瞬间,由于机械触点的弹跳,会出现短暂的电平抖动(通常持续10-20ms),若直接检测电平,可能导致单片机误判按键状态。因此,实际开发中必须加入"消抖处理",常见的方式有两种:一是软件消抖(通过延时函数跳过抖动阶段),二是硬件消抖(在按键两端并联电容)。
三、中断:让单片机"一心多用"的核心机制
在没有中断机制的情况下,单片机只能顺序执行主程序,若要检测外部事件(如按键按下、定时器溢出),只能通过"轮询"的方式反复检测,效率极低。而中断机制的出现,让单片机能够"暂停当前任务,优先处理紧急事件",大幅提升了运行效率和实时响应能力,是实现复杂功能的关键。
1. 中断的核心概念
中断的定义:当CPU正在执行某个任务(主程序)时,外界发生了一个紧急事件(如按键按下、定时器溢出),要求CPU暂停当前任务,转而去执行处理该紧急事件的专用程序(中断服务函数);待紧急事件处理完成后,CPU再回到刚才被打断的地方,继续执行之前的任务。这个"暂停-处理-恢复"的过程,就是中断。
2. 中断源:中断的"发起者"
能够打断CPU当前任务、发起中断请求的事件或设备,被称为中断源。简单来说,中断源就是"谁在发起中断请求"。
3. 51单片机中断源分类
51单片机的中断源种类较少,结构清晰,主要分为以下几类,每类中断源都对应固定的GPIO引脚或内部外设:
-
外部中断:由GPIO引脚的电平变化触发的中断,是最常用的中断类型之一。
-
外部中断0(INT0):对应P3.2引脚,由该引脚的电平变化触发中断。
-
外部中断1(INT1):对应P3.3引脚,由该引脚的电平变化触发中断。
-
-
定时器中断:由单片机内部定时器溢出触发的中断,主要用于精准定时或延时。
-
定时器0中断(Timer0):由内部定时器0计数溢出触发。
-
定时器1中断(Timer1):由内部定时器1计数溢出触发。
-
-
串口中断:由单片机内部串口完成数据收发后触发的中断,用于串口通信场景(如与电脑、其他单片机通信)。
4. 中断优先级:多个中断的"排队规则"
当CPU正在执行主程序时,可能会有多个中断源同时发起中断请求。此时,CPU需要根据"优先级"来判断处理顺序------优先处理优先级高的中断源 ,待高优先级中断处理完成后,再处理低优先级中断。
51单片机的中断优先级分为"高级优先级"和"低级优先级"两级,可通过专用寄存器(IP寄存器)配置。默认情况下,各中断源的优先级从高到低为:外部中断0 > 定时器0中断 > 外部中断1 > 定时器1中断 > 串口中断。
5. 中断嵌套:中断中的"紧急事件"
中断嵌套是指:CPU正在处理一个低优先级中断时,若有更高优先级的中断源发起请求,CPU会暂停当前的低优先级中断服务函数,转而去处理高优先级中断;待高优先级中断处理完成后,再回到低优先级中断的断点处,继续执行剩余的中断服务函数。
需要注意的是,51单片机中最多允许两层中断嵌套,即高优先级中断不能被其他中断打断,低优先级中断只能被高优先级中断打断,同优先级中断之间不会发生嵌套(若同优先级中断同时请求,按默认优先级顺序处理)。
6. 中断处理流程:完整的"中断响应链路"
CPU对中断的响应和处理是一个标准化的流程,从中断请求发起,到恢复主程序执行,共分为7个关键步骤,缺一不可:
-
中断源发起请求:中断源(如按键按下、定时器溢出)发生后,向CPU发送中断请求信号。
-
中断允许检查:CPU首先检查"总中断允许位"和该中断源的"单独允许位"------若总中断被屏蔽(禁止),或该中断源被单独屏蔽,则不响应此中断;若均允许,则进入下一步。
-
优先级比较:CPU判断当前是否有正在处理的中断。若没有,直接响应;若有,则比较新中断与当前中断的优先级,仅响应更高优先级的中断(触发中断嵌套)。
-
保护现场:CPU暂停主程序执行前,会将当前的程序计数器(PC)值、寄存器值等关键数据保存到堆栈中,确保后续能准确恢复主程序。
-
执行中断服务函数:CPU跳转到该中断源对应的中断服务函数(用户编写的专用处理程序),执行具体的中断处理逻辑(如翻转LED、读取传感器数据)。
-
恢复现场:中断服务函数执行完成后,CPU从堆栈中取出之前保存的PC值和寄存器值,恢复主程序的执行状态。
-
返回主程序:CPU跳回主程序被打断的断点处,继续执行主程序。
7. 中断相关寄存器:中断配置的"核心开关"

中断的开启、屏蔽、触发方式等都需要通过专用寄存器配置,51单片机中与中断相关的核心寄存器主要有两个:
-
中断允许寄存器(可位寻址)(IE寄存器):该寄存器的核心功能是控制中断的"总开关"和各中断源的"单独开关",关键位如下
-

-
EA(IE.7):总中断允许位。EA=1时,CPU允许所有已开启的中断源请求;EA=0时,CPU屏蔽所有中断请求(相当于"中断总开关关闭")。
-
EX0(IE.0):外部中断0允许位。EX0=1时,允许外部中断0发起请求;EX0=0时,禁止外部中断0。
-
ET0(IE.1):定时器0中断允许位。ET0=1时,允许定时器0溢出中断;ET0=0时,禁止。
-
EX1(IE.2):外部中断1允许位。功能与EX0类似,对应外部中断1。
-
ET1(IE.3):定时器1中断允许位。功能与ET0类似,对应定时器1。
-
ES(IE.4):串口中断允许位。ES=1时,允许串口中断;ES=0时,禁止。

-
-
定时器/计数器控制寄存器(TCON寄存器) :该寄存器既控制定时器的计数启动/停止,也控制外部中断的触发方式,与中断相关的关键位如下:

-
IT0(TCON.0):外部中断0触发方式选择位。IT0=1时,外部中断0由"下降沿"触发(即引脚电平从高变低的瞬间触发);IT0=0时,外部中断0由"低电平"触发(即引脚保持低电平时持续触发)。
-
IT1(TCON.2):外部中断1触发方式选择位。功能与IT0类似,对应外部中断1。
-
IE0(TCON.1):外部中断0请求标志位。当外部中断0触发条件满足时,IE0自动置1;CPU响应中断后,IE0自动清0。
-
IE1(TCON.3):外部中断1请求标志位。功能与IE0类似,对应外部中断1。

-
四、定时器:精准把控时间的"内部时钟"
在单片机项目中,精准的定时、延时功能是实现复杂逻辑的基础(如LED周期性闪烁、PWM信号生成、数据定时采集等)。而定时器就是单片机内部专门用于实现精准计时的外设,无需外部时钟电路,即可通过内部计数实现高精度时间控制。
1. 定时器的核心作用与基础特性
定时器的核心作用是产生精准的时间间隔 ,因为不同外设对时间控制的精度要求极高(如PWM驱动电机需要稳定的频率,串口通信需要精准的波特率)。51单片机内部集成了两个独立的定时器,分别为Timer0(定时器0)和Timer1(定时器1),且两者均为自增型定时器(即计数器值从初值开始不断累加,直至溢出)。
2. 定时器工作原理
定时器的工作核心是"计数器+时钟脉冲",其完整工作流程如下:
-
设置计数初值:定时器内部包含一个16位的计数器(由THx和TLx两个8位寄存器组成,x为0或1),用户需根据所需定时时间,计算并设置一个初始值写入计数器。
-
启动计数:通过配置TCON寄存器中的TRx位(TR0对应定时器0,TR1对应定时器1),将TRx置1,定时器开始工作。此时,计数器会以固定的速率(时钟脉冲频率,通常为晶振频率的1/12,即1us/次,假设晶振为12MHz)进行自增。
-
计数溢出:当计数器的值累加至16位的最大值(65535,即0xFFFF)时,会发生"溢出"。此时,计数器值会自动清零,并向CPU发起定时器中断请求。
-
响应中断:CPU收到中断请求后,若定时器中断已开启(ETx=1且EA=1),则暂停主程序,执行定时器中断服务函数(如实现一次延时完成后的逻辑);执行完成后,恢复主程序执行,同时计数器重新从初值开始累加,重复上述过程。
举个例子:若晶振频率为12MHz,定时器0工作在16位模式,要实现10ms的定时。由于时钟脉冲周期为1us,10ms需要计数10000次。因此,计数初值 = 65535 - 10000 = 55535(即0xD8EF),将TH0=0xD8、TL0=0xEF写入计数器,启动定时器后,计数器从55535开始累加,10000次后溢出,触发中断,完成10ms定时。
3. 定时器核心配置寄存器
定时器的工作模式、启动/停止、中断允许等均需通过寄存器配置,核心寄存器有三个,其中IE寄存器(中断允许)已在中断部分介绍,此处重点说明另外两个:
-
定时器模式配置寄存器(TMOD寄存器) :该寄存器用于设置定时器的工作模式(如16位定时器模式、8位自动重装模式等),其高4位控制Timer1,低4位控制Timer0,结构对称。以Timer0为例,低4位中的M1和M0是模式选择位,常见模式如下:

-
模式1(M1=0,M0=1):16位定时器模式,计数器为16位(TH0+TL0),溢出后需重新写入初值。这是最常用的模式,配置步骤为:①将TMOD寄存器的低4位清0(避免原有模式干扰);②将M0置1、M1清0,确定为16位定时器模式。
-
模式2(M1=1,M0=0):8位自动重装模式,TL0为计数寄存器,TH0为初值寄存器,TL0溢出后,TH0中的初值会自动装入TL0,无需手动重装,适合需要精准高频定时的场景(如串口波特率发生器)。

-
-
定时器控制寄存器(TCON寄存器) :除了控制外部中断触发方式外,该寄存器还控制定时器的启动与停止。
将TCON寄存器中的TR0这一位置1,代表打开定时器,开始计数。
将IE寄存器中的bit7和bit1置1,代表允许CPU响应所有中断 + 允许定时器0产生中断。
总结定时器的核心配置步骤:①配置TMOD寄存器,选择定时器工作模式;②计算并写入计数初值(THx和TLx);③配置IE寄存器,开启总中断(EA=1)和定时器中断(ETx=1);④配置TCON寄存器,置TRx=1,启动定时器。
五、PWM:用数字信号模拟模拟信号的"神器"
PWM,即Pulse Width Modulation(脉冲宽度调制),是一种通过改变数字脉冲信号的占空比和周期,来模拟模拟信号的技术。它能让GPIO引脚输出周期性的方波信号,通过调节方波的参数,实现对外部设备的精准控制(如调节LED亮度、电机转速、蜂鸣器音调等)。
1. PWM核心概念
理解PWM的关键是掌握两个核心参数:周期和占空比,这两个参数直接决定了PWM信号的特性和控制效果:
-
PWM周期:指一个完整方波信号所经历的时间,即从一个上升沿(或下降沿)到下一个上升沿(或下降沿)的时间间隔。周期决定了PWM信号的频率(频率=1/周期),例如周期为20ms的PWM信号,频率为50Hz(常用于舵机控制)。
-
PWM占空比:指在一个PWM周期内,高电平信号所占的时间比例,通常用百分比表示。例如,占空比为50%,表示在一个周期内,高电平和低电平的时间各占一半;占空比为20%,表示高电平时间占周期的20%,低电平时间占80%。
PWM的控制逻辑:通过改变占空比,可改变引脚输出高电平的时间比例,从而模拟出不同的"等效电压"。例如,对于5V供电的LED,占空比50%的PWM信号等效电压为2.5V,LED亮度中等;占空比100%时等效电压为5V,LED最亮;占空比0%时等效电压为0V,LED熄灭。
2. PWM与蜂鸣器的应用:音调与音量控制
蜂鸣器是PWM信号的典型应用场景之一,蜂鸣器的发声原理是通过振动产生声波,而振动的频率决定音调(高频为高音,低频为低音),振动的幅度决定音量(幅度越大,音量越大)。根据内部结构,蜂鸣器可分为有源蜂鸣器和无源蜂鸣器,两者的工作方式和与PWM的配合逻辑差异较大:
-
有源蜂鸣器 :内部集成了震荡源和驱动电路,只要接通电源(VCC和GND),震荡源就会产生固定频率的振动,从而发出固定音调的声音。因此,有源蜂鸣器无需PWM信号驱动,只需通过GPIO引脚控制电源的通断,即可实现"发声"和"静音"的切换。其缺点是音调固定,无法通过软件调节。
-
无源蜂鸣器:内部没有震荡源,只有一个压电陶瓷片,需要外部输入周期性的电信号(如PWM信号)来驱动其振动发声。由于振动频率由外部PWM信号的频率决定,因此通过改变PWM信号的频率,即可调节无源蜂鸣器的音调(高频对应高音,低频对应低音);同时,通过改变PWM信号的占空比,可调节振动幅度,从而改变音量(占空比越大,幅度越大,音量越大)。无源蜂鸣器的优点是灵活性高,可通过软件实现多种音调的发声(如播放音乐)。
需要注意的是,51单片机本身没有硬件PWM模块,因此PWM信号需要通过定时器+GPIO引脚的软件模拟实现:通过定时器定时中断,在中断服务函数中翻转GPIO引脚的电平,并通过控制高电平的持续时间(占空比)和翻转周期(PWM周期),生成所需的PWM信号。
六、核心重点知识点汇总(必背)
以上模块的核心知识点是51单片机开发的基础,也是面试和项目开发中最常涉及的内容,汇总如下,建议重点掌握:
-
GPIO的核心分类:输入模式(上拉、下拉、浮空、模拟)和输出模式(开漏、推挽、复用开漏、复用推挽),以及各模式的适用场景。
-
独立按键的工作原理:未按下时引脚高电平,按下时引脚与GND短路呈低电平,判断按键是否按下的核心是检测引脚低电平,需注意消抖处理。
-
中断的核心概念:CPU暂停当前任务处理紧急事件,完成后恢复主程序的"暂停-处理-恢复"过程。
-
中断源的概念:能够发起中断请求的事件或设备(如外部引脚电平变化、定时器溢出)。
-
51单片机中断源分类:外部中断0(P3.2)、外部中断1(P3.3)、定时器0、定时器1、串口中断。
-
中断处理流程:中断请求→允许检查→优先级比较→保护现场→执行中断服务函数→恢复现场→返回主程序。
-
51单片机有2个定时器,分别是Timer0和Timer1。
-
51单片机的定时器是自增型定时器(计数器从初值累加至65535溢出)。
-
定时器工作原理:设置初值→定时器启动→计数器自增→溢出触发中断→执行中断服务函数→重新计数。
-
PWM的核心概念:脉冲宽度调制,通过数字脉冲信号模拟模拟信号,实现对外部设备的精准控制。
-
PWM周期:一个完整方波的时间间隔(从上升沿到下一个上升沿/下降沿到下一个下降沿)。
-
PWM占空比:一个周期内高电平所占的时间比例(百分比表示)。
-
有源与无源蜂鸣器的区别:有源蜂鸣器内部有震荡源,上电即发声(音调固定);无源蜂鸣器无震荡源,需PWM信号驱动(音调、音量可通过软件调节)。