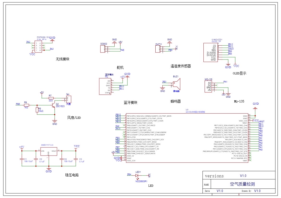
1)硬件端
1.STM32F103C8T6:用于所有程序的中控和模块数据通信;
2.0.96寸OLDE:用于显示的各种环境数据,实现实时监测;
3.温湿度传感啊(DHT11):用于监测环境数据;
4.MQ135:用于监测环境的空气质量
5.风扇:用于当监测到空气质量不在阈值以内时进行通风使用,防止中毒;
6.蜂鸣器:用于异常状态的报警;
7.舵机实现模拟窗户
8.WiFi模块:将数据上传到云平台进行显示
9.蓝牙模块:实现与app的交互通信
(2)APP端
1.使用蓝牙协议与设备进行信息交互;
2.可采集到底层设备数据并且展示到界面UI;
3.可以调整模式,设有自动和手动模式;
4.使用数据库进行数据储存与查询(按时间段);
5.自动模式下可以设置空气质量阈值,用于有害状态报警,手动模式下,可以使用按键控制风扇和窗户;
当监测到有害气体时,使用弹窗方式进行报警;




