
4.2 减速器与传动机构
减速器与传动机构是人形机器人关节动力传递的核心环节,核心作用是将电机的"高速低扭矩"转化为关节所需的"低速大扭矩",同时平衡定位精度、结构刚性、体积重量与成本,其选型直接决定关节的负载能力、运动精度与使用寿命。
4.2.1 谐波减速器
谐波减速器是人形机器人轻中载关节的核心传动部件,凭借"高精度、小体积、低噪音"的特性,成为腕部、肘部、肩部等紧凑关节的优先选型,其核心逻辑是通过"柔性部件的可控形变"实现无间隙传动,是当前量产人形机器人的主流减速器方案之一。
图4-4是人形机器人关节专用谐波减速器的内部结构拆解图,清晰展示了其核心部件的布局与组成,直观体现了谐波减速器"柔性形变传动"的核心工作原理,具体说明如下所示。
- 波发生器:作为动力输入端,通过高速旋转迫使后续柔性部件产生周期性形变,是传动的动力触发核心;
- 薄壁轴承/柔性轴承:薄壁轴承负责支撑结构、降低部件间摩擦;柔性轴承则配合未显式标注的"柔性轮"(谐波减速器的核心弹性部件),实现可控的弹性形变,是"柔性传动"的关键支撑;
- 刚轮:作为固定端的齿圈,通过与柔性轮的齿差(通常差2齿)实现减速增扭;
- 输出轴:将减速增扭后的动力传递给机器人关节,驱动肢体运动。

图4-4 人形机器人关节专用谐波减速器的内部结构拆解图
谐波减速器的工作逻辑是:电机带动波发生器旋转,柔性轴承配合柔性轮产生弹性形变,使柔性轮与刚轮交替啮合传动,最终通过输出轴输出低速大扭矩的动力。这种紧凑的结构适配了人形机器人关节的空间限制,同时兼顾了高精度与低噪音,是轻中载关节(如腕部、肘部)的核心传动部件之一。
- 结构原理:柔性形变的精密传动
谐波减速器的核心是"三组件+柔性啮合"结构,各部件的功能与细节如下:
-
波发生器:输入端核心部件,通常由"凸轮+薄壁轴承"组成(分为单波、双波两种,人形机器人常用双波发生器,啮合齿数更多),高速旋转时迫使柔性轮产生周期性椭圆形变;
-
柔性轮:从动端关键部件,采用铍青铜/镍钛合金(耐疲劳、弹性模量稳定)制成的薄壁杯状/帽状结构,形变时与刚轮交替啮合传递动力;
-
刚轮:固定端部件,内齿圈齿数比柔性轮多2个(双波方案),通过齿差实现减速增扭(传动比=刚轮齿数/齿差,通常为50:1~100:1)。
-
关键性能参数(以主流型号为例)
以行业标杆品牌Harmonic Drive的CSF系列(人形机器人常用)为例,核心参数如表4-7所示。
表4-7 CSF的核心参数
|----------------|-------|-----------|--------|--------|-------------|
| 型号 | 传动比 | 额定扭矩(N・m) | 传动间隙 | 重量(kg) | 适配关节 |
| CSF-20-50-2UH | 50:1 | 2.5 | ≤0.02° | 0.18 | 腕部(负载≤2kg) |
| CSF-32-80-2UH | 80:1 | 8 | ≤0.03° | 0.42 | 肘部(负载≤5kg) |
| CSF-40-100-2UH | 100:1 | 15 | ≤0.04° | 0.75 | 肩部(负载≤10kg) |
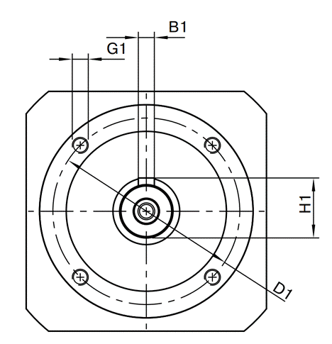
例如图4-5是CSF-20-50-2UH系列(具体型号为CSF-20-50-2UH-ULW)谐波减速器的设计图之一,在图纸中包含了该谐波减速器的尺寸标注(如外径、安装孔位、中空轴尺寸)、部件清单(如O型圈)、润滑说明(谐波专用润滑脂)等工程信息,是用于生产、装配或适配设计的官方确认图纸。

图4-5 CSF-20-50-2UH系列谐波减速器的设计图
- 人形机器人工程适配场景
谐波减速器的核心适配逻辑是"紧凑空间+高精度运动",在人形机器人中主要用于以下关节:
-
腕部关节:适配末端负载≤5kg的精密抓取场景,例如优必选Walker S腕部采用CSF-32-80-2UH,实现0.03°定位精度,可稳定持握水杯、螺丝刀等小型物件;
-
肘部关节:适配5~10kg负载的屈伸动作,如特斯拉Optimus肘部选用定制谐波减速器(传动比80:1,重量0.5kg),兼顾紧凑性与动力输出;
-
肩部关节(轻载机型):适配10~15kg负载的外展/内收动作,如小米CyberOne肩部采用CSF-40-100-2UH,配合伺服电机实现流畅抬臂动作。
-
核心优势与局限性
谐波减速器的核心优势与局限如表4-9所示。
表4-9 波减速器的核心优势与局限
|-------------------|------------------------|------------------------|-----------------------|
| 核心优势 | 背后逻辑 | 局限性 | 应对方案 |
| 无回程误差,定位精度≤0.05° | 柔性轮与刚轮"全齿啮合过渡",无刚性间隙 | 抗冲击能力弱(最大冲击扭矩≤2 倍额定值) | 重载关节串联弹性元件缓冲,或限制瞬时负载 |
| 体积仅为同扭矩行星减速器的 60% | 无复杂齿轮组,依赖柔性形变传动 | 柔性轮易疲劳磨损(高负载下寿命缩短 30%) | 选用铍青铜柔性轮,高负载场景缩短维护周期 |
| 运行噪音≤55dB,运动平滑 | 多齿同时啮合(约35% 齿接触),无刚性碰撞 | 温度敏感(≥80℃时精度下降 5%) | 关节壳体增加散热鳍片,避免长时间高负载运行 |
- 选型与维护关键要点
(1)选型三原则
- 扭矩匹配:按关节"峰值负载×1.5"选择额定扭矩(如腕部峰值负载3kg,选额定扭矩≥4.5N・m的型号);
- 安装适配:腕部/肘部选中空轴型(直径10~20mm),方便关节布线;肩部选实心轴型,提升输出刚性;
- 精度分级:精密抓取场景选"零背隙级"(间隙≤0.02°),普通动作场景选"标准级"(间隙≤0.05°)。
(2)日常维护要点
- 润滑:采用锂基润滑脂(NLGI2级),额定负载下每1000小时补充1次,高负载(≥80%额定扭矩)下缩短至500小时;
- 磨损检测:定期(每2000小时)测量传动间隙,若超过0.1°,需更换柔性轮;
- 防护:粉尘/水渍环境下,加装橡胶密封圈(防护等级≥IP65),避免柔性轮锈蚀。
总之,谐波减速器是人形机器人轻中载高精度关节的"黄金选择":其柔性形变传动实现了无间隙、低噪音的运动特性,铍青铜柔性轮保障了耐疲劳性,紧凑体积适配关节的空间限制;但抗冲击能力弱、温度敏感的局限性,需通过负载匹配、散热设计与定期维护弥补。
4.2.2 行星减速器
行星减速器是人形机器人中重载、高动态关节的核心传动部件,凭借"高刚性、强抗冲击、长寿命"的特性,成为髋部、膝部等需承载整机重量、应对跑步/跳跃等高动态动作的优先选型,其核心逻辑是"多齿轮均匀受力的刚性啮合",平衡大扭矩输出与结构稳定性,是量产人形机器人重载关节的主流传动方案。
- 结构原理:多齿轮分散载荷的刚性传动
行星减速器的核心是"四组件+多轮啮合"结构,各部件功能与传动逻辑如下:
-
核心组件:太阳轮(动力输入端)、行星轮(传动中间体,通常3~4个均匀分布)、齿圈(固定端/从动端)、行星架(动力输出端);
-
工作逻辑:伺服电机驱动太阳轮高速旋转,行星轮围绕太阳轮完成"自转+公转",通过行星架将动力输出;利用"太阳轮齿数:齿圈齿数"的比例实现减速增扭(单级传动比3:1~10:1,多级串联可扩展至20:1~100:1);
-
核心特点:多行星轮均匀分散载荷,啮合齿面受力更小,结构刚性与抗冲击能力远优于谐波减速器。
-
关键性能参数
以工业级行星减速器品牌(如纽卡特Neugart、国茂GM)的人形机器人专用型号为例,核心参数如表4-10所示。
表4-10 行星减速器的核心参数
|----------------|------|-----|-----------|-------------|--------|-------------|
| 型号 | 传动比 | 级数 | 额定扭矩(N・m) | 传动间隙 | 重量(kg) | 适配关节 |
| Neugart PLE60 | 20:1 | 2 级 | 25 | ≤0.08° | 0.95 | 肘部(负载≤15kg) |
| 国茂GM-P80 | 50:1 | 2 级 | 80 | ≤0.1° | 2.2 | 髋部(负载≤25kg) |
| Neugart PLE120 | 60:1 | 3 级 | 120 | ≤0.05°(预紧型) | 4.8 | 膝部(负载≤30kg) |
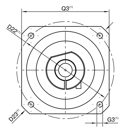
例如图4-6是纽卡特(Neugart)PLE系列行星减速器的工程设计图,包含了减速器的3个关键视图(左侧俯视图、中间主视图、右侧输出端视图),清晰标注了安装孔位、轴径、法兰规格等核心尺寸信息,方便工程师匹配电机、机器人关节等部件的安装接口。



图4-6 纽卡特(Neugart)PLE系列行星减速器的工程设计图
- 人形机器人工程适配场景
行星减速器的核心适配逻辑是"重载+高动态",在人形机器人中主要用于以下关节:
-
髋部关节:适配20~30kg的整机负重,如特斯拉Optimus髋部选用国茂GM-P80(传动比50:1,额定扭矩80N・m),支撑80kg机身的步态运动,抗冲击扭矩达240N・m;
-
膝部关节:适配高动态冲击场景,如波士顿动力Atlas膝部采用NeugartPLE120(预紧型,传动间隙≤0.05°),额定扭矩120N・m,可缓冲跳跃落地时的2倍瞬时负载;
-
肩部关节(重载机型):适配15~20kg的抬臂负载,如现代机器人H1肩部选用NeugartPLE80(传动比40:1),兼顾刚性与运动精度。
-
选型与维护关键要点
(1)选型三原则
- 级数匹配:轻中载(负载≤15kg)选2级行星减速器(效率高、体积小);重载(负载≥15kg)选3级行星减速器(增扭效果好);
- 预紧类型:普通动作场景选"标准型"(间隙≤0.1°);高精度场景(如肩部抬臂)选"齿侧预紧型"(间隙≤0.05°);
- 齿轮材质:优先选20CrMnTi渗碳淬火齿轮(硬度HRC60~62),避免重载下齿面磨损。
(2)日常维护要点
- 润滑:采用极压锂基润滑脂(NLGI2级),额定负载下每5000小时更换1次;高动态场景(如跑步)缩短至3000小时;
- 间隙检测:每3000小时用激光跟踪仪测量传动间隙,超过0.15°时需重新预紧齿轮;
- 同轴度校准:安装时保证电机轴与减速器输入轴的同轴度≤0.02mm,避免偏载导致齿轮磨损。
总而言之,行星减速器是人形机器人重载高动态关节的"刚性基石":其多齿轮分散载荷的结构实现了大扭矩、强抗冲击的特性,渗碳淬火齿轮保障了长寿命,是髋部、膝部等承载整机重量关节的必选方案;但体积略大、间隙稍高的局限性,可通过轻量化结构、预紧设计弥补。
在量产人形机器人中,行星减速器与大功率伺服电机的组合,是实现"负重行走、高动态运动"的核心传动基础,也是高端人形机器人(如Atlas、Optimus)完成复杂动作的关键支撑。
4.2.3 蜗轮蜗杆、滚珠丝杠与其他方案
除谐波减速器、行星减速器这两种主流方案外,蜗轮蜗杆减速器、滚珠丝杠传动机构及RV减速器、齿轮齿条等方案,凭借"专项功能适配性",在人形机器人"特殊运动需求"场景(如自锁定位、高精度直线传动、重载超高精度)中发挥不可替代的作用,核心定位是"主流方案的补充与升级",适配特定关节或传动链路的个性化需求。
- 蜗轮蜗杆减速器:低速重载+自锁定位的专属方案
(1)结构原理与核心特性
- 核心组成:由蜗杆(输入端,螺旋齿结构)和蜗轮(输出端,轮齿与蜗杆螺旋齿啮合)组成,部分型号含自锁制动结构;
- 传动逻辑:电机驱动蜗杆旋转,通过螺旋齿与蜗轮轮齿的啮合传递动力,利用螺旋升角差异实现大传动比(单级即可达成10:1~100:1),螺旋升角≤3°时具备机械自锁性(断电后负载不回落);
- 关键参数:传动间隙≤0.15°,传动效率50%~70%(低于谐波/行星减速器),运行噪音≤50dB,额定扭矩5~50N・m,抗冲击扭矩≤2倍额定扭矩。
(2)人形机器人工程适配场景
- 核心适配部位:腰部旋转关节、颈部关节、踝关节固定端等"低速重载、需姿态锁定"的场景;
- 人形机器人腰部360°旋转关节场景:采用蜗轮蜗杆减速器(传动比60:1),利用自锁性避免断电后机身姿态偏移,适配静态站立或缓慢转身动作;
- 颈部俯仰关节场景:选用小型蜗轮蜗杆减速器(额定扭矩8N・m),低噪音特性适配人机交互场景,自锁性保障头部姿态稳定。
(3)选型与维护要点
-
选型关键:优先选择"自锁型"(螺旋升角≤2.5°),按关节额定负载的2倍匹配减速器额定扭矩(补偿效率损失);
-
维护重点:采用"极压抗磨润滑脂",每800小时补充1次;定期检查蜗轮齿面磨损,若齿厚减少≥10%需更换蜗轮。
-
滚珠丝杠传动机构:高精度直线传动的核心方案
(1)结构原理与核心特性
- 核心组成:由丝杠(旋转端)、螺母(直线运动端)、滚珠(滚动体)、回珠器(滚珠循环机构)组成;
- 传动逻辑:电机驱动丝杠旋转,滚珠在丝杠与螺母的滚道内滚动,将旋转运动转化为螺母的高精度直线运动,核心作用是"直线传动+力放大";
- 关键参数:导程1~10mm,定位精度±0.01~±0.05mm/1m,传动效率90%~95%,额定动载荷10~50kN,运行速度≤500mm/s。
(2)人形机器人工程适配场景
- 核心适配部位:手指开合关节、腿部伸缩关节、腰部升降关节等"需高精度直线运动"的场景;
- 手指抓取关节(如Shadow Hand)场景:采用微型滚珠丝杠(导程1.5mm),定位精度±0.02mm,将电机旋转运动转化为手指指节的直线伸缩,适配精细抓取动作;
- 腿部伸缩关节(部分可调节身高机型)场景:选用大导程滚珠丝杠(导程10mm),额定动载荷30kN,实现身高±10cm的高精度调节。
(3)选型与维护要点
-
选型关键:按直线运动速度选择导程(低速精细场景选1~3mm导程,高速场景选5~10mm导程);按负载选择额定动载荷(安全系数≥1.5);
-
维护重点:采用"滚珠丝杠专用润滑脂",每2000小时补充1次;定期检测定位精度,若偏差超过±0.1mm/1m,需更换滚珠或丝杠。
-
其他专项方案:RV减速器与齿轮齿条
(1)RV减速器:重载超高精度的升级方案
- 结构原理:基于"行星传动+摆线针轮传动"的复合结构,核心组成包括太阳轮、行星轮、摆线轮、针齿壳,兼具行星减速器的刚性与谐波减速器的精度;
- 关键参数:传动比50:1~120:1,传动间隙≤0.01°,结构刚性达2000~3000N・m/rad(是谐波减速器的2~3倍),抗冲击扭矩达额定扭矩的5倍,疲劳寿命≥10⁷次循环;
- 适配场景:高端人形机器人的髋部、肩部等"重载+超高精度+高动态"关节,如波士顿动力Atlas髋部关节(RV减速器传动比80:1,额定扭矩200N・m)、现代机器人H1肩部关节;
- 核心优劣势:优势是高精度、高刚性、长寿命;劣势是成本高(是谐波减速器的2~3倍)、重量大(同扭矩下比行星减速器重20%~30%),仅适配高端旗舰机型。
(2)齿轮齿条传动机构:长行程直线传动的经济方案
-
结构原理:由齿轮(输入端,旋转运动)和齿条(输出端,直线运动)组成,通过齿轮齿面与齿条齿面的啮合,将旋转运动转化为长行程直线运动;
-
关键参数:传动比1:1(按齿条齿距适配),定位精度±0.05~±0.1mm/1m,传动效率85%~90%,适配行程≥100mm的长距离传动;
-
适配场景:人形机器人腿部长行程伸缩、躯干平移等"长距离直线运动"场景,如部分大型人形机器人的腿部延长机构(行程500mm);
-
核心优劣势:优势是结构简单、成本低、适配长行程;劣势是精度低于滚珠丝杠、运行噪音较高(≤65dB),需搭配减震垫片优化。
-
专项方案选型对比总表
蜗轮蜗杆、滚珠丝杠等方案的对比如表4-10所示。
表4-10 蜗轮蜗杆、滚珠丝杠等方案的对比
|---------|------------------|----------------|----------------------|-------------|
| 传动方案 | 核心优势 | 核心局限性 | 适配场景 | 选型优先级(量产机型) |
| 蜗轮蜗杆减速器 | 自锁性、低噪音、单级大传动比 | 效率低、寿命短、不适配高动态 | 腰部旋转、颈部关节(低速重载 + 自锁) | 3(专项场景) |
| 滚珠丝杠 | 高精度直线传动、高效率、高承载 | 结构较长、需密封防护 | 手指、腿部伸缩、腰部升降(直线运动) | 2(直线传动场景) |
| RV减速器 | 超高精度、高刚性、抗冲击 | 成本高、重量大 | 高端机型髋部、肩部(重载高精度) | 1(高端旗舰机型) |
| 齿轮齿条 | 长行程直线传动、成本低、结构简单 | 精度低、噪音高 | 腿部长行程伸缩、躯干平移 | 3(长行程经济方案) |
总而言之,蜗轮蜗杆、滚珠丝杠及RV减速器、齿轮齿条等方案,是人形机器人传动系统的"专项补充",其中蜗轮蜗杆聚焦"低速自锁",滚珠丝杠主打"高精度直线传动",RV减速器主攻"高端重载超高精度",齿轮齿条适配"长行程经济直线传动",均针对主流方案(谐波/行星减速器)的功能盲区提供解决方案。