
🔥小龙报:个人主页
🎬作者简介:C++研发,嵌入式,机器人等方向学习者
❄️个人专栏:《SOLIDWORKS 练习题》
✨ 永远相信美好的事情即将发生

文章目录
前言
草图是SOLIDWORKS最基础的功能,巩固草图绘制技巧对零件、装配体学习十分必要!我们将通过SOLIDWORKS的草图功能绘制一系列题目如带座轴承、GAME BOY等(绘制好后请保存好)。来学习软件的草图功能,为后续打下坚实基础
注:大家也可以去b站看视频学习本系列只记录博主的学习过程会比较粗糙,题目来源B站阿奇博主
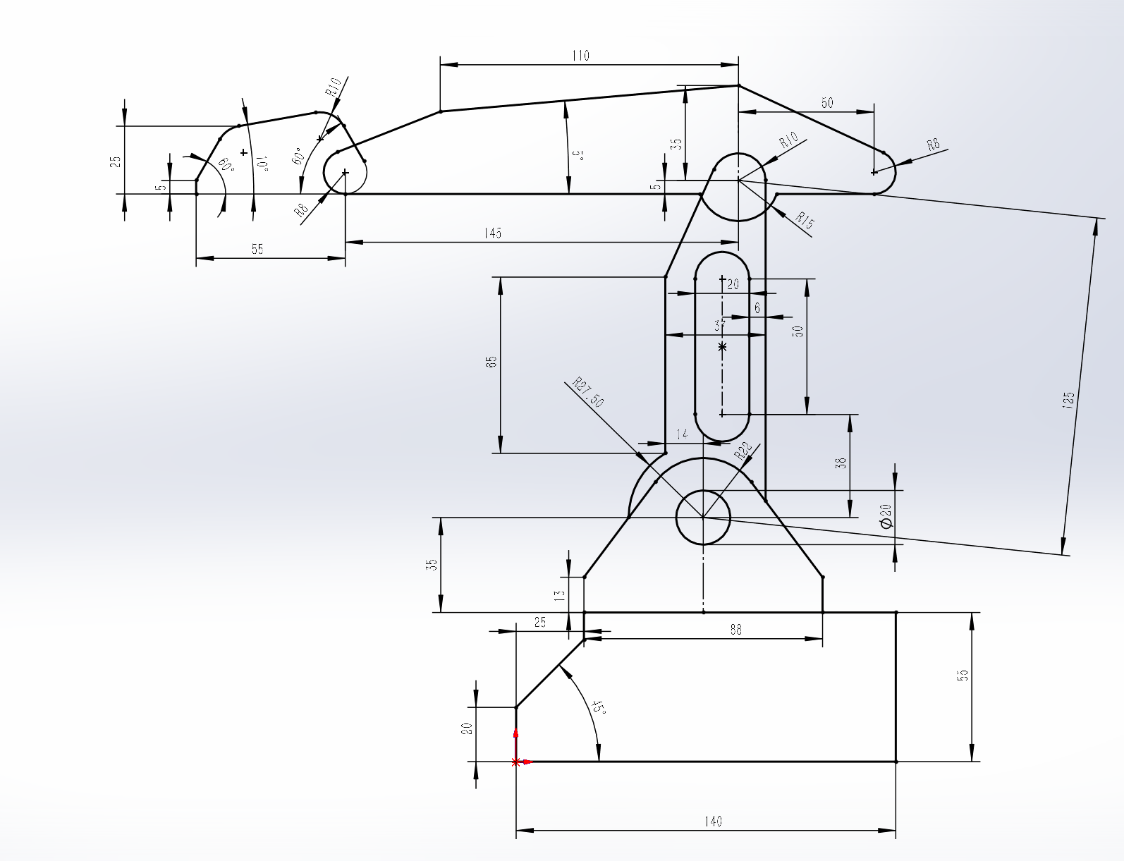
一、机械臂
1.1 题目来源
机械臂

1.4 绘制结果(打卡)

1.4总结
这道题画下来博主总体对草图的绘制技巧要求较高,还得加油
每日励志
