
在模拟器早已泛滥的今天,仍然有人选择一条更难、也更"工程"的路:
不做软件模拟,而是用真实硬件逻辑,让经典计算机真正复活。
最近两个项目,分别围绕 Intel 486 与 Atari ST 这两台上世纪计算机代表,给出了一个共同答案------
FPGA,正在成为怀旧计算的"新主板"。
一、让 486 再次运行:一块全新的 486 主板M8SBC-486

第一个项目的核心并不是 FPGA 本身,而是一个看似"反潮流"的目标:
- 为真正的 Intel 486 CPU,设计一块全新的现代主板。
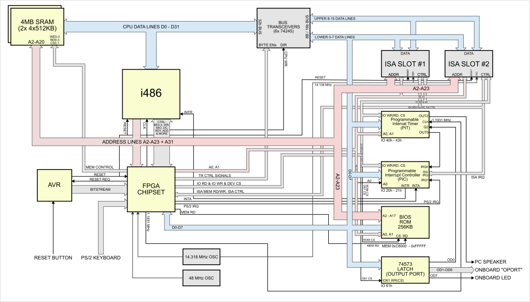
电子学学生兼复古计算机爱好者 Piotr Grzesik 设计了一款开源主板,旨在搭载 Intel 486 处理器------该处理器最初于 1989 年推出,并用运行在 FPGA 上的软核等效组件取代了现已停产的部件。

i486,更广为人知的名称是486,是英特尔x86系列的第四代处理器。它于1989年发布,完全兼容英特尔早期的i386、80286和8086,但性能大幅提升------并且作为首款晶体管数量超过百万的x86处理器载入史册。虽然该处理器直到2007年才正式停产,但要找到一块可用的i486主板并非易事------不过,或许比起从零开始组装一块主板,难度要小一些。

M8SBC-486 采用 PGA-168 插槽,兼容英特尔及其当时各种竞争对手的 5V 486 CPU,前端总线 (FSB) 速度为 24MHz------这意味着标准 486 部件的时钟速度为 24MHz,DX-2 时钟倍频部件的时钟速度为 48MHz,而理论上 DX-4 时钟倍频部件的时钟速度为 72MHz,但由于缺乏 5V 版本而未经测试,所有这些速度都略低于量产主板上提供的 25/33/50/66/75/100MHz 速度。

尽管当时的母板芯片组通常采用专用集成电路(ASIC),但Grzesik公司用AMD Xilinx Spartan II XC2S100 FPGA取代了这些早已停产的芯片,该FPGA运行着代号为"Hamster"的软件芯片组。主板包含4MB静态RAM(SRAM)、256KB ROM空间用于存储BIOS、8254可编程间隔定时器(PIT)和8259可编程中断控制器(PIC),但缺少辅助PIC和直接内存访问(DMA)支持。主板配备两个ISA插槽用于扩展硬件,以及一个板载Microchip ATmega128微控制器,用于处理复位电路、CMOS存储器以及向FPGA加载比特流。
1. 不是模拟,是"真·486"

这块主板支持真实的:
Intel 486DX / DX2 / DX4 处理器

真实插槽、真实时钟、真实总线
直接运行 DOS、Windows 3.1,甚至 DOOM

也就是说,这不是用 FPGA 模拟 486,而是:

让一颗 30 多年前的 CPU,在 2020 年代重新上电工作。
2. FPGA 在这里扮演什么角色?

关键问题来了:
486 周围的世界早就消失了。

ISA 控制器、DMA、定时器、南桥逻辑......这些老芯片要么停产,要么难以集成。 解决方案只有一个:
👉 用 FPGA 重构整套 486 外围芯片组逻辑

FPGA 在这里承担了:
总线控制逻辑
中断控制器
定时器、DMA、I/O glue logic
现代接口与老 CPU 之间的"时空转换层"

本质上,这是一次:
把 1990 年代 PC 芯片组,用 RTL 重新实现的工程实践。

3. 可用链接
项目主页:
https://github.com/maniekx86/M8SBC-486
https://maniek86.xyz/projects/m8sbc_486.php
二、Atari ST 的回归:FPGA 定义的"新经典"

如果说 486 项目是"真实 CPU + FPGA",
那么 Atari ST 项目走的是另一条路:
用 FPGA,完整重建一台经典计算机。
FPGA电路催生了新一代设备,这些设备能够以近乎完美的周期精度复刻复古游戏机和电脑。最新的例子是雅达利16位家用电脑,虽然该项目的改装者只制作了五台,但任何拥有3D打印机的爱好者都可以自行组装一台。
1. Atari ST:不仅是情怀

这款设备精准地模拟了1985年电脑的8MHz 68000 CPU,确保游戏和其他软件能够像在真实硬件上一样运行。此外,它还配备了USB和HDMI接口,以支持现代显示器和输入设备。虽然作者指出制造每台设备都很耗时,但感兴趣的各位可以自行采购材料。

例如,该机箱采用Atari ST 风格的外壳(https://sites.google.com/site/beebox68k/atapi),其设计初衷是为运行 BeePi(一款基于软件的 Atari ST 模拟器)的 Raspberry Pi 设备赋予原汁原味的 Atari ST 外观。由于其 3D 打印原理图在知识共享许可下免费提供,Shaw 将其用于运行 MiSTeryNano(一款 Atari ST MiSTer 内核)的 Tang Nano FPGA 开发板上。根据其GitHub 文档(https://github.com/MiSTle-Dev/MiSTeryNano),该内核支持大多数版本的 ST TOS 操作系统、软盘镜像、ACSI 硬盘以及物理 MIDI 端口。

初代 Atari ST 于 1985 年发布,是一款早期的 16 位家用电脑,由 Commodore 公司的 Jack Tramiel 设计。Tramiel 此前一年离开了自己创立的公司,并从华纳兄弟手中收购了 Atari 的游戏部门。他与 Commodore 64 的设计师 Shiraz Shivji 合作,将 ST 打造成 Atari 8 位电脑的强大而价格适中的继任者。

Atari ST 最初售价为 999 美元,衍生出多个型号,例如以其 1MB 内存命名的 1040 ST,以及最终于 1992 年发布的 Falcon030。具有讽刺意味的是,Atari ST 最终在美国被 Commodore 的 Amiga 所掩盖,Amiga 是一款基于 Commodore 从 Atari收购的设计的 16/32 位计算机。
尽管如此,Atari ST 在欧洲仍然成为桌面出版和音乐制作的热门选择。其最受欢迎的游戏包括《地牢大师》(Dungeon Master)、《航母指挥官》(Carrier Command)、《Vroom》和《猎鹰》(Falcon)。去年,开发者 Jonas "indyjo" Eschenburg将《毁灭战士》(Doom)移植到了 Atari ST 平台。
2. 用 FPGA 复刻整台机器

这个项目选择的方式是:

CPU、图形、声音、总线 ------ 全部在 FPGA 中实现

行为、时序、寄存器级别尽量贴近原始硬件
不是"能跑就行",而是兼容性优先
FPGA 在这里不再是"辅助器件",而是:
整个 Atari ST 的数字灵魂。
3. 可用链接
三、为什么是 FPGA,而不是模拟器?
两个项目路线不同,但都指向同一个问题:
模拟器解决"能不能跑"
FPGA 解决的是:时序是否一致\边界条件是否真实\硬件行为是否可验证
FPGA 是"硬件级的保存方式"
软件模拟 ≈ 行为近似
FPGA 实现 ≈ 结构复刻
尤其对老系统来说:
很多软件依赖的是"硬件怪癖",而不是文档。
FPGA 恰好擅长复现这些"怪癖"。
结语
这并不只是情怀项目。对工程师而言,它意味着:
-
如何用 RTL 复刻复杂历史系统
-
如何处理跨时代接口与时序
-
如何在 FPGA 中实现"系统级架构",而不只是加速模块
486 和 Atari ST,本属于两个已经结束的时代。但 FPGA 让它们获得了一种新的存在方式:
-
不是博物馆里的静态展品
-
不是模拟器里的近似影子
-
而是可以再次上电、再次运行、再次被理解的硬件系统
当 FPGA 遇见怀旧计算:
我们看到的,其实是 工程精神本身的延续。