
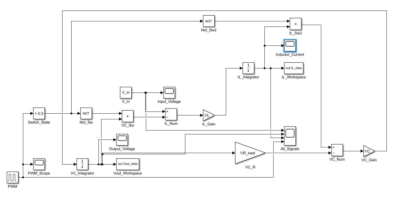
1. 电路拓扑识别
这是一个同步整流 Buck 降压变换器的平均模型仿真,核心是通过 PWM 控制开关,实现直流降压输出。
- 开关管 :
Switch_State控制主开关,Not_Sw2控制同步整流管(互补导通,避免直通)。 - 电感电流 :由
IL_Integrator积分得到,反映电感充放电过程。 - 输出电压 :由
VC_Integrator积分得到,反映电容充放电过程。
2. 工作原理(状态方程推导)
电感电流方程


输出电压方程

3. 稳态输入输出关系(直流传递函数)

4. 仿真模块对应关系
| 模块 | 作用 | 对应物理量 |
|---|---|---|
Switch_State |
PWM 占空比控制信号 | D(t) |
IL_Integrator |
电感电流积分器 | ∫LDVin−Voutdt |
VC_Integrator |
输出电压积分器 | ∫CiL−Vout/Rloaddt |
All_Signals |
观测端口 | iL,Vout,Vin,D |
Vout_Workspace / IL_Workspace |
数据导出 | 将仿真结果写入工作区 |
5. 总结
