普冉PY32F002B是一款用于智能照明、温湿度监测设备、传感器模块等便携设备的32位低成本MCU微控制器。内置ARM Cortex-M0+内核,最高主频可达24MHz。集成24KB的Flash存储器和3KB的SRAM存储器。支持sleep/stop低功耗工作模式,在stop模式下,整体功耗可降至1.5μA以下。提供多种通讯外设接口,包括I2C、SPI、USART等,方便与外部设备进行数据交换。采用TSSOP20封装,封装尺寸小巧,适合手工焊接和PCB布局。

一、核心特点:兼顾性能与功耗的处理器架构
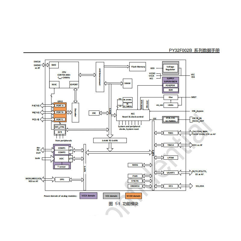
1、搭载ARM Cortex-M0+内核
普冉PY32F002B采用ARM Cortex-M0+内核,该架构主要面向成本敏感且对功耗有要求的应用场景。芯片最高主频可达24MHz,可应对常见的指令处理需求,适用于基础及中等级别的嵌入式应用。无论是数据采集、信号处理,还是对实时性有一定控制要求的任务,该内核均可提供相对稳定的支持,保障系统运行。
2、存储资源配置
在存储方面,PY32F002B内置24KB Flash存储器,可用于存放程序代码及基本应用算法,满足一般存储需求。同时,芯片配备3KB SRAM,作为运行时的数据缓存区,有助于提高数据访问与处理效率。

二、外设集成:连接与控制的基础能力
1、多种通信接口
该MCU集成了常用通信外设,包括I2C、SPI和USART。I2C接口适用于连接传感器、存储芯片等短距离通信设备;SPI接口支持高速、全双工通信,可用于显示屏或外部存储器等设备;USART接口则支持异步串行通信,便于与PC或其他MCU进行数据传输。上述接口扩展了芯片与外部设备的交互能力。
2、模数转换模块
PY32F002B集成了1路12位ADC,支持最多8个外部通道及2个内部通道,可用于采集模拟信号并转换为数字量,适用于温度、湿度、电压等参数的测量。多通道设计便于接入多个信号源,满足系统数据采集需求。
3、定时器功能
芯片内置2个16位定时器,支持PWM输出、输入捕获和输出比较等功能。PWM适用于电机调速、LED调光等应用;输入捕获可用于测量脉冲宽度或频率;输出比较可辅助实现定时控制任务。

4、低功耗特性:适用于功耗敏感场景
针对需要长时间运行或依赖电池供电的设备,PY32F002B提供了sleep和stop两种低功耗模式。在stop模式下,芯片电流可降至1.5μA,有助于延长设备续航时间。该特性适用于环境监测、便携终端等对功耗较为敏感的应用。
5、时钟系统配置
芯片内置多种时钟源,包括24MHz RC振荡器(HSI)、32.768kHz RC振荡器(LSI)和32.768kHz晶体振荡器(LSE),并支持外部时钟输入。开发者可根据系统精度和功耗要求选择合适的时钟来源,增强设计的灵活性。
6、封装类型与工作条件
PY32F002B提供TSSOP20、QFN20、SOP16、SOP14、SOP8等多种封装形式,以适应不同PCB设计和空间要求。工作温度范围为-40°C至85°C(部分型号支持-40°C至105°C),工作电压范围为1.7V至5.5V,具备一定环境适应性。

三、典型应用场景
消费电子:可用于智能照明、温湿度监测设备、简单串口通信等场景。
工业控制:适用于传感器模块、电子雾化器控制、LED驱动等应用。
物联网设备:在环境监测终端、低功耗数据采集节点等领域具有一定适用性。

四、开发支持与工具
普冉半导体为PY32F002B提供SDK、参考手册等技术文档,涵盖寄存器配置、外设操作和示例程序等内容。开发者可使用MDK(Keil uVision5)等IDE进行代码编写与调试,结合官方设备支持包和固件库,完成项目开发。
总体来看,PY32F002B在性能、功耗、外设集成和开发支持方面具备一定特点,适用于成本控制和基本功能需求较为明确的嵌入式应用场景。
