
目录:
1、TI发布低噪声、高线性度万用表参设计,原理图,PCB和设计指南全开源
2、开源雷达探测距离20公里
3、开源图形计算器,内置完整的计算机代数系统(CAS)和自定义数学引擎,目标媲美 TI-84 Plus
4、Design Conductor : AI自主构建 1.5 GHz 可运行 Linux 的 RISC-V CPU
5、DIY回流焊加热板,USB PD供电
6、电子小项目
(1)Mini小街机
(2)自制大哥大
(3)LC表:探索如何把阻抗测量这个模拟难题转化为频率测量这个数字芯片擅长的任务
7、文档、博客,PDF
(1)Digikey选择合适的器件实现7位半测量分辨率
(2)Debugging with gdb,第10版
(3)微软出品手把手RUST教程,从入门到精通
8、软件和硬件资讯
(1)Qt Creator 19发布
(2)wolfSSL 5.9.0 重点提升了对量子密码学的支持,扩展了 Rust 封装接口,新增了硬件平台集成,并修复了多项安全漏洞
(3)MDK6的调试组件CMSIS Debugger,工具组件CMSIS-Toolbox和CMSIS Solution升级
(4)历时一年,开源FreeCAD V1.1发布,性能巨大提升,凝聚了近 300 名开发者、100 余名本地化人员以及数百名文档撰写者集体智慧
(5)不造芯的ARM,正式发布首款芯片Arm AGI CPU,专为智能体AI基础设施打造,每机架性能比x86平台高出2倍以上
(6)littleFS发布V2.11.3版本,V2版特性已经冻结,V3版本在开发中
(7)Embedded Studio发布V8.26d,超微更新
(8)开源,纯C的即时模式GUI Nuklear升级至V4.13.2
(9)KiCad 10 版本正式发布
(10)开源GUI编辑器lopaka发布V0.6版本,增加LVGL支持,同时支持 TFT_eSPI,U8g2,AdafruitGFX,Flipper Zero等
(11) SEGGER的embOS也推出动态APP用法emApps
(12)ST软件包大更新
9、H7-TOOL本周进展
(1)增加多款脱机烧录芯片支持
(2)经过几天研究,H7-TOOL脱机烧录,RTT,LUA等功能继续精进,SWD MultiDrop选择指定设备,自动扫描目标芯片AP寄存器,并选择指定寄存器操作
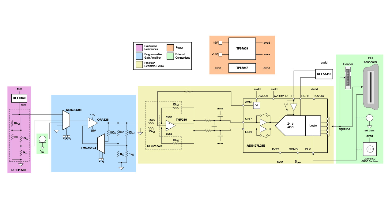
1、TI发布低噪声、高线性度万用表参设计,原理图,PCB和设计指南全开源
https://www.ti.com.cn/tool/cn/TIDA-010970
TI分享的这个设计综合参数水平基本是5位半到6位半之间
该设计的目标应用包括需要超高精度来测量直流信号的数字万用表 (DMM)。本设计采用高性能、高线性度的 24 位模数转换器 (ADC) ADS127L21B 以实现卓越的直流精度。一款超低漂移的埋层齐纳基准源 REF81 负责对信号链进行校准,以消除增益与偏移误差。
特性
1、超低漂移、低噪声的基准,用于校准整个信号链,以实现校准后的高直流精度
2、三个输入范围:±100mV、±1V、±10V
3、线性:最大值 1.1ppm(±10V 范围)(五位半水平,六位半需要0.5ppm)
4、噪声:60SPS(±10V 范围)时为 335nVRMS (6位半下±10V达到5uV即可)




ADI这两年也推出各种仪器仪表的设计模组,且都是高精度,不过没开源,直接卖模组
https://forum.anfulai.cn/forum.php?mod=viewthread&tid=131051
比如高精度LCR电桥

又比如6位半电压表

2、开源相控阵雷达探测距离20公里
https://hackaday.io/project/2051 ... ar-up-to-20km-range
AERIS-10 是一个完全开源的相控阵雷达项目,从原理图、PCB 布局、BOM 物料清单到STM32主控固件和 FPGA 代码全部开源。项目目标是大幅降低相控阵雷达的获取门槛,让个人开发者和研究机构也能接触这项通常只有军工/航空航天领域才用得上的技术。
相控阵雷达,核心原理是:通过精确控制天线阵列中每个辐射单元的射频信号相位,使波束在空间中合成并指向特定方向,无需物理转动天线即可实现电子扫描。
1、当前原型在方位角上使用步进电机机械扫描,俯仰角使用电子控制
2、但其数字架构(FPGA + 波束成形逻辑)本身支持全双维电子扫描,只需增加更多射频前端和天线单元即可实现



3、开源图形计算器,内置完整的计算机代数系统(CAS)和自定义数学引擎,目标媲美 TI-84 Plus
https://github.com/El-EnderJ/NeoCalculator
内置了完整的计算机代数系统(CAS)和自定义数学引擎,能完成图形计算器所需的各种繁重运算,例如符号微分和积分
它还具备类似 Natural V.P.A.M. 的显示方式,简单来说就是分数、积分等内容会像手写在纸上一样呈现,而不是用更难看的简化符号表示






4、Design Conductor : AI自主构建 1.5 GHz 可运行 Linux 的 RISC-V CPU
https://arxiv.org/abs/2603.08716
Design Conductor应用前沿模型的能力,端到端地构建半导体------即从概念到完成验证、可流片的 GDSII(版图 CAD 文件)。在 12 小时内,DC 完全自主地构建了一个完整 RISC-V CPU(我们称之为 VerCore)的多个微架构变体,该 CPU 基于一份 219 词的需求文档,实现了 1.48 GHz 的时序收敛(采用 rv32i-zmmul 指令集,使用 ASAP7 PDK)。VerCore 的 CoreMark 得分为 3261。从历史角度看,这大致相当于 2011 年中期发布的英特尔赛扬 SU2300 处理器(主频 1.2 GHz)。据我们所知,这是首次由自主智能体从规格到 GDSII 完整构建出可工作的 CPU。



5、DIY回流焊加热板,USB PD供电
https://github.com/puzrin/reflow_micro
这块回流焊设备专为小件作业设计,工作区域为 80 mm × 70 mm。加热元件有两种选择:基于金属芯 PCB 的加热器,或者金属陶瓷加热器。据作者称,前者适用于 Sn42Bi58 焊锡膏(熔点138C),而后者则能轻松处理 Sn63Pb37(熔点 183C。
规格和场景



6、电子小项目
1、Mini小街机
https://github.com/SurvivalHacking/galagino3


embedded wizard在ew2026上展示了一个大号街机

2、自制大哥大
https://github.com/alanb128/brick-phone



3、LC表:探索如何把阻抗测量这个模拟难题转化为频率测量这个数字芯片擅长的任务
https://hackaday.io/project/2048 ... cy-an-lc-experiment
用最简单的元件(74HCU04 + Arduino + 几个电容电阻)搭建了一个能测量电感和电容的工具。它不追求极致精度,但通过巧妙的差分频率测量法绕过了模拟电路的固有缺陷

7、文档、博客,PDF
1、Digikey选择合适的器件实现7位半测量分辨率
https://www.digikey.hu/en/articl ... surement-resolution
本文探讨了精密模拟元件的规范限制如何影响仪器的分辨率。随后展示了如何通过精心选择Analog Devices的SAR ADC、高精度电压参考、匹配电阻网络以及零漂移低噪声放大器(LNA)来实现7.5位分辨率

2、Debugging with gdb,第10版
https://sourceware.org/gdb/current/onlinedocs/gdb.pdf

3、微软出品手把手RUST教程,从入门到精通
https://github.com/microsoft/RustTraining
微软出品的免费、开源、高质量 Rust 培训体系------7 本书、5 个难度等级,从有编程基础想学 Rust一直覆盖到 Rust 老手想精通类型系统。每本书 15-16 章,有图、有代码、有练习,堪称企业级 Rust 内训教材的标杆。

8、软件和硬件资讯
1、Qt Creator 19发布
https://www.qt.io/blog/qt-creator-19-released
Qt Creator 19 版增加了文本编辑器的小地图、更便捷的远程设备配置、基础的 MCP 服务器、对多种语言的轻量级项目支持,以及许多其他改进。

2、wolfSSL 5.9.0 重点提升了对量子密码学的支持,扩展了 Rust 封装接口,新增了硬件平台集成,并修复了多项安全漏洞
https://www.wolfssl.com/wolfssl- ... fssl-5-9-0-released

3、MDK6的调试组件CMSIS Debugger,工具组件CMSIS-Toolbox和CMSIS Solution升级
MDK6的更新不同于MDK5的更新,MDK6是通过VSCode和各种调试组件升级来更新了
CMSIS-Toolbox
https://github.com/Open-CMSIS-Pack/cmsis-toolbox
Toolbox的每次的升级略坑,经常导致之前版本的pack无法正常安装,当前Toolbox的下载安装依然由微软的vcpkg来完成

CMSIS-Solution
https://github.com/Open-CMSIS-Pack/vscode-cmsis-solution/releases
主要是解决工程创建和pack包下载问题

CMSIS-Debugger




4、历时一年,开源FreeCAD V1.1发布,性能巨大提升,凝聚了近 300 名开发者、100 余名本地化人员以及数百名文档撰写者集体智慧
https://github.com/FreeCAD/FreeCAD/releases
FreeCAD 1.1 正式发布,这款领先的开源 CAD 应用迎来了最新功能版本。
FreeCAD 1.1 新增了对透明零件设计预览的支持、为更多工具配备了交互式拖拽手柄、改进了装配与有限元分析模块、加入了新的计算机辅助制造工具库等多项功能。
FreeCAD 1.1 还提供了详尽的更新日志。适用于 Windows、macOS 和 Linux 的开源 FreeCAD 1.1 版本
这个版本凝聚了近 300 名开发者、100 余名本地化人员以及数百名文档撰写者、测试人员和问题反馈者过去一年的集体智慧

5、不造芯的ARM,正式发布首款芯片Arm AGI CPU,专为智能体AI基础设施打造,每机架性能比x86平台高出2倍以上
https://newsroom.arm.com/news/arm-agi-cpu-launch
关键点:
1、ARM首次将平台广度扩展至量产级硅片产品,提供涵盖IP、ARM计算子系统(CSS)和硅片的最广泛计算选择。
2、推出首款ARM设计的数据中心CPU------Arm AGI CPU,专为智能体AI基础设施打造,每机架性能比x86平台高出2倍以上。
3、与主要合作伙伴Meta共同开发,并已获得其他客户及领先ODM厂商的量产承诺,同时得到了全球生态系统的强力支持。



6、littleFS发布V2.11.3版本,V2版特性已经冻结,V3版本在开发中
https://github.com/littlefs-project/littlefs/releases
V2版本功能已经定型,不会再增加新功能

V3版本功能在开发中
https://github.com/littlefs-proj ... ecomment-3932058541
1、可选的磁盘上全局块映射(gbmap)已完整实现
这为前瞻缓冲(lookahead buffer)提供了一种无需 RAM 的替代方案,它将空闲块的状态存储到磁盘上的一个范围压缩 B 树中。
其目的有两点:
(1)在不占用 RAM 成本的情况下优化块分配;
(2)为存储坏块、预擦除状态等信息提供一个存放位置。
gbmap 本身依赖于前瞻缓冲(处处是循环依赖),因此在代码体积上,它是严格意义上的超集:
2、通过 gbmap 支持预擦除块
借助 gbmap,我们可以在重启后仍保留预擦除的状态,因此现在可以在 littlefs 受限的闪存模型下,安全地将擦除操作移出关键的写入操作。
3、支持将预擦除和 gbmap 的重填充作为后台垃圾回收的一部分
这部分已经接入新的增量式垃圾回收 API,可以方便地在后台线程中,或者在单线程中间歇式地进行 gbmap 填充和预擦除。
目前剩下的大多是纠错相关的功能,可能还有 16/64 位模式

7、Embedded Studio发布V8.26d,超微更新
https://www.segger.com/downloads/embedded-studio/
现在SES的更新,每次基本都是编译器版本,C库版本等方面的更新,这次依然是

更新记录:

8、开源,纯C的即时模式GUI Nuklear升级至V4.13.2
https://github.com/Immediate-Mode-UI/Nuklear
更新记录:

这是一个用 ANSI C 编写、基于最小状态(minimal-state)和即时模式(immediate-mode)的图形用户界面工具包,采用公共领域许可(public domain)。它被设计成一个简单、可嵌入到应用程序中的用户界面,没有任何依赖项,没有默认的渲染后端,也不处理操作系统窗口/输入,而是采用高度模块化、基于库的方式,提供简单的输入状态作为输入,并输出描述基本形状的绘制命令。因此,它不是提供一个试图在多个平台和渲染后端之上进行抽象的分层库,而是专注于实际的 UI 部分。
功能特性
1、即时模式图形用户界面工具包
2、单头文件库
3、用 C89(ANSI C)编写
4、代码量小(约 18k 行)
5、注重可移植性、高效性和简洁性
6、无依赖(如果需要,甚至不依赖标准库)
7、完全可换肤、可定制
8、内存占用低,并可完全控制内存使用
9、支持 UTF-8
10、无全局或隐藏状态
11、可定制的库模块(可按需编译和使用)
12、可选字体打包器和顶点缓冲区输出






9、KiCad 10 版本正式发布
https://forum.anfulai.cn/forum.php?mod=viewthread&tid=131237
此版本集成了众多新特性、功能改进以及数百项错误修复,希望能获得大家的喜爱。

10、开源GUI编辑器lopaka发布V0.6版本,增加LVGL支持,同时支持 TFT_eSPI,U8g2,AdafruitGFX,Flipper Zero等
https://github.com/sbrin/lopaka?tab=readme-ov-file
更新记录:

Lopaka 是一款开源图形编辑器,旨在为 TFT_eSPI、U8g2、AdafruitGFX 和 Flipper Zero 提供图形创建界面。它与 M5GFX、LovyanGFX、Watchy 等多种平台兼容。绘制任意图形,并将生成的代码用于Arduino、ESP32 或 STM32 等
特色:
- 像素级精准编辑器
- 多种屏幕尺寸支持
- 丰富的绘图形状与工具
- 热门字体兼容
- 自定义图像导入
- 自动生成XBMP图形
- 元素移动/缩放/编辑
- C/C++源码自动生成
- FlipperZero实时预览
- 可调节缩放比例



11、 SEGGER的embOS也推出动态APP用法emApps
https://www.segger.com/products/virtualization/emapps/
特点:
1、emApps将智能手机便捷灵活的应用生态引入嵌入式系统领域。作为固定固件的替代方案,emApps通过引入应用层,使开发者无需改动已验证的核心系统即可随时扩展新功能。
2、为实现这一目标,emApps可创建应用程序------这些小型程序能在被称为"沙箱"的保护环境中动态加载与运行。每个应用都在独立内存空间(即沙箱)中运行,与固件及其他应用相互隔离。
3、这些应用支持用户为嵌入式设备添加新功能、特性或升级,同时保持固件精简,并确保系统稳定与安全。制造商还可通过应用程序对嵌入式系统进行测试。
4、由于应用可动态加载,固件体积不会因此增加。开发者可以编写并执行任意数量的测试程序,涵盖嵌入式系统的功能测试与性能测试。
5、应用权限由固件中的API表定义,使固件开发者能完全掌控可供调用的具体功能。系统甚至可为不同应用分配差异化权限(通过不同API表实现)

12、ST软件包大更新
(1) 再推出二代HAL库HAL2
https://dev.st.com/stm32cube-doc ... 1.0.0/en/index.html

(2)推出的Flash模拟EEPROM软件包,支持掉电恢复,支持CRC和ECC接口校验确保数据完整性
https://forum.anfulai.cn/forum.php?mod=viewthread&tid=131210

(3) 推出的一个合作式调度软件层Sequencer,用于RTOS的简单替代
https://forum.anfulai.cn/forum.php?mod=viewthread&tid=131253

(4) 为帮助初学者上手,推出LED,按键,SPI NOR Flash,SPI NAND Flash等基础
https://forum.anfulai.cn/forum.php?mod=viewthread&tid=131220


9、H7-TOOL本周进展
H7-TOOL本周进展:https://forum.anfulai.cn/forum.php?mod=viewthread&tid=89934
1、增加多款脱机烧录芯片支持
2、经过几天研究,H7-TOOL脱机烧录,RTT,LUA等功能继续精进,SWD MultiDrop选择指定设备,自动扫描目标芯片AP寄存器,并选择指定寄存器操作
【问题由来】
1、比如树莓派RP2040双核,从调试端来看,实际上可以认为就是两个独立的单核芯片,通过MultiDrop来选择指定核

2、一般芯片都有多个AP寄存器, TOOL要操作目标芯片的寄存器,外设等,需要选择指定的寄存器

【问题解决】
现在都已经做了自动支持。
1、比如RP2040,脱机烧录后,自动重连RTT

2、又比如STM32H7RS,这个是多AP扫描
(1)RTT操作效果,MDK下载程序时断开RTT刷新,下载完毕自动重连

(2)脱机下载后,自动重连RTT

(3)使用的H7RS NUCLEO板子
