目录
[1 手动方式实现3线-8线译码器](#1 手动方式实现3线-8线译码器)
[2 使用字选择器实现3线-8线译码器](#2 使用字选择器实现3线-8线译码器)
现在尝试利用Multisim软件来实现3线-8线译码器。本实验目的是验证74LS138的基本功能,简单来说就是"N中选1"。
实验设计:
(1)使能信号:时,译码器译码,负责输出全为高电平。
(2)译码时,、
、
依次输入二进制码000-111时,输出
依次是输出为低电平,则8位LED轮流熄灭。
1 手动方式实现3线-8线译码器
器件选择:
- 芯片选择:组选项栏中选择TTL,系列选项栏选择74LS,在元器件项选择74LS138N。
- 电源选择:组选项栏中选择Sources,系列选项栏中选择POWER_SOURCES,在元器件中选择VCC作为电源;同时在相同的系列选项栏中,在元器件中选择GROUND作为接地。
- LED选择:组选项栏中选择Diodes,系列选项栏中选择LED,在元器件中选择BAR_LED_RED。鼠标左键点击LED灯,将值项下面的通态电流的5mA设置为10mA。
- 开关选择:组选项栏中选择Basic,系列选项栏中选择SWITCH,在元器中选择SPDT。选择合适的位置后进行水平翻转,复制粘贴开关并列放6个。
- 电阻选择:组选项栏中选择Basic,系列选项栏中选择RESISTOR,阻止选择300Ω,选择合适位置放置之后,复制粘贴电阻并行放置8个。
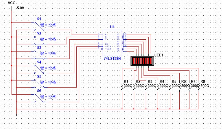
将元器件选择好之后,按照如下所示的方式进行放置:

然后按照如下所示的方式进行连线:

观察74LS138N芯片,A、B、C分别对应三个输入段,G1、~G2A、~G2B分别是使能控制端。
(1)当使能端G1、~G2A、~G2B依次输入不是为100时
例如当G1、~G2A、~G2B依次为111时,此时电路图如下所示:

可以看到LED全部都是亮的。当改变A、B、C的输入时,如下图所示:

可以看到当改变输入,LED并没有发生改变。
再例如当G1、~G2A、~G2B因此为101时,此时电路图如下所示:

可以看到改变输入时,LED并没有发生变化。
(2)当使能端G1、~G2A、~G2B依次输入为100时:
当输入端引脚C=0、引脚B=0、引脚A=0时:

可以看到Y0所对应的LED灯是灭的,这是因为Y0此时输出的是为1,进行取反之后为0,此时对应的LED灯灭,说明此时74LS138N芯片的Y0端输出为1。
当输入端引脚C=0、引脚B=0、引脚A=1时:

由于上图可知74LS138N芯片的Y1的输出为1。
当输入端引脚C=0、引脚B=1、引脚A=0时:

由于上图可知74LS138N芯片的Y2的输出为1。
当输入端引脚C=0、引脚B=1、引脚A=1时:

由于上图可知74LS138N芯片的Y3的输出为1。
当输入端引脚C=1、引脚B=0、引脚A=0时:

由于上图可知74LS138N芯片的Y4的输出为1。
当输入端引脚C=1、引脚B=0、引脚A=1时:

由于上图可知74LS138N芯片的Y5的输出为1。
当输入端引脚C=1、引脚B=1、引脚A=0时:

由于上图可知74LS138N芯片的Y6的输出为1。
当输入输入端引脚C=1、引脚B=1、引脚A=1时:

由于上图可知74LS138N芯片的Y7的输出为1。
2 使用字选择器实现3线-8线译码器
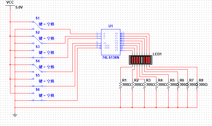
在原来的图的基础上将S4、S5、S6删除,并且将S1、S2、S3连接芯片的线移除,并且将S1、S2、S3三个开关向下移动,然后将S1、S2、S3三个开关分别连接芯片的G1、G2A、G2B(或者直接移除S1、S2、S3三个开关,保留S4、S5、S6也可以),如下所示:

并且Multisim软件的右侧选项栏中选择子选择器:

然后将放置到芯片左侧,并且顺时针旋转90°,如下所示:

将子选择器靠近0的一端的三个引脚分别连接芯片的引脚A、引脚B、引脚C,如下图所示:

之后设置字选择器的输入范围:

点击单步和二进制,之后在右侧设置输入范围000-111:

可以在000处,系统已经将其设置为初始位置,之后即在111设置为最终位置即可。如下所示:

最终为:

之后关闭,开始运行即可:

可以看到LED灯此时发生了变化,点击字选择器,然后点击单步到指定的输入值,例如想要输入100的输出结果:
