FPGA同步复位、异步复位、异步复位同步释放仿真
xilinx VIVADO仿真
行为仿真
综合后功能仿真,综合后时序仿真
实现后功能仿真,实现后时序仿真
目录
前言
本文将详细介绍FPGA同步复位、异步复位、异步复位同步释放,并用实际的例子在VIVADO上面完成这三种复位的仿真,仿真包括行为仿真、综合后功能仿真、综合后时序仿真、实现后功能仿真、实现后时序仿真五种仿真。同时也将给出RTL、综合、实现后的电路图。仿真和电路图可以帮助我们彻底搞清楚这三种复位。
++提示:以下是本篇文章正文内容,下面案例可供参考
++
一、同步复位
同步复位指的是在时钟边沿(有效沿)检测到复位信号后,执行复位操作。
设计源文件和仿真源文件如下:
//*******************同步复位*******************
module reset_research(
input clk , //时钟
input rst_n, //复位,低电平有效
input in , //输入信号
output reg out //输出信号
);
always@(posedge clk)begin
if(!rst_n)
out <= 1'b0; //复位将输出置零
else
out <= in; //其他时候将输入赋值给输出
end
endmodule
module tb_reset_research;
parameter PERIOD = 20;
reg clk = 0 ;
reg rst_n= 1 ;
reg in = 1 ;
wire out ;
initial
begin
forever #(PERIOD/2) clk=~clk;
end
reset_research u_reset_research
(
.clk ( clk ),
.rst_n ( rst_n ),
.in ( in ),
.out ( out )
);
initial
begin
#25 rst_n<=0;
#10 rst_n<=1;
#35 rst_n<=0;
#10 rst_n<=1;
#20 rst_n<=0;
#10 rst_n<=1;
#45 rst_n<=0;
#5 rst_n<=1;
#100
$finish;
end
endmodule
RTL级电路如下:

行为仿真结果如下:

综合后的电路图如下:


综合后功能仿真

综合后时序仿真

实现后的电路图如下:


实现后功能仿真

实现后时序仿真

由于输入的复位信号没有同步到当前时钟域下,VIVADO实现无法做时序分析。

二、异步复位
异步复位指的是无论时钟沿是否到来,只要复位信号有效,就对系统进行复位。
设计源文件如下,仿真源文件和同步复位一样。
//*******************异步复位*******************
module reset_research(
input clk , //时钟
input rst_n, //复位,低电平有效
input in , //输入信号
output reg out //输出信号
);
always@(posedge clk or negedge rst_n)begin
if(!rst_n)
out <= 1'b0; //复位将输出置零
else
out <= in; //其他时候将输入赋值给输出
end
endmodule
RTL级电路如下:

行为仿真结果如下:

综合后的电路图如下:


综合后功能仿真

综合后时序仿真

实现后的电路图如下:


实现后功能仿真

实现后时序仿真

由于输入的复位信号没有同步到当前时钟域下,VIVADO实现无法做时序分析。

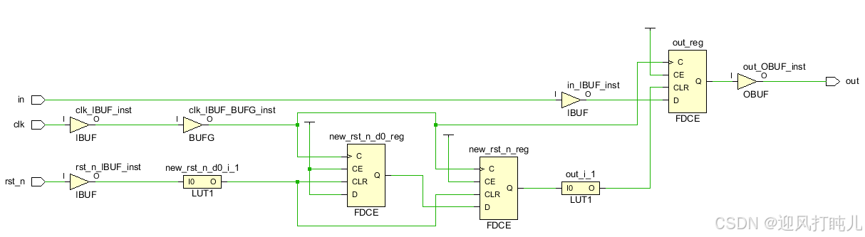
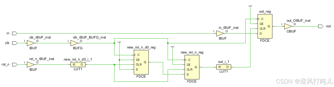
三、异步复位同步释放
异步复位同步的根本思想,是将异步信号同步化。
设计源文件如下,仿真源文件和前两种复位的一样。
//异步复位同步释放(如果复位信号从IO进来,这样可以消除异步复位的亚稳态问题)
module reset_research(
input clk , //时钟
input rst_n, //复位,低电平有效
input in , //输入信号
output reg out //输出信号
);
reg new_rst_n_d0;
reg new_rst_n;
always @(posedge clk or negedge rst_n)
begin
if(!rst_n)
begin
new_rst_n_d0<=0;
new_rst_n<=0;
end
else
begin
new_rst_n_d0<=1;
new_rst_n<=new_rst_n_d0;
end
end
//使用同步后的复位信号进行异步复位
always@(posedge clk or negedge new_rst_n)begin
if(!new_rst_n)
out <= 1'b0; //复位将输出置零
else
out <= in; //其他时候将输入赋值给输出
end
endmodule
RTL级电路如下:

行为仿真结果如下:

综合后的电路图如下:


综合后功能仿真

综合后时序仿真

实现后的电路图如下:


实现后功能仿真

实现后时序仿真

由于输入的复位信号同步到了当前时钟域下,VIVADO实现可以做时序分析。

总结
从以上结果,我们可以得出以下结论:
VIVADO的器件默认是高电平复位,验证中代码使用的低电平复位,接入到FF时会在前面加一个LUT,所以日常编程如果用到复位,高电平复位可以节约逻辑资源和布线资源,这样之后有可能提高整个系统最高可运行的时钟频率,因为资源消耗少,有可能建立时间裕量和保持时间裕量会增加。
异步复位同步释放便于软件进行时序分析,能通过软件分析结果得出时序是否收敛,其他两种复位软件无法进行时序分析,无法得知设计的电路时序是否收敛。
每一种复位中,综合实现后的功能仿真对得上,综合实现后的时序仿真也对得上,只是延时不同,但是由于时序仿真考虑了延时,所以时序仿真的结果与功能仿真的结果可能会出现偏差,如本文便出现了这种情况,当然也可能是仿真激励条件过于刁钻了。实际应用中的时序电路要确保所有信号同步于时钟边沿,对于异步信号,需要同步化,这样能提高电路的可靠性。
综上,复位会消耗资源,所以能不用复位就不用复位,如果要用复位,外部的复位信号使用的方式应该是异步复位同步释放。