1、内容简介
Matlab 190-三容水箱系统故障诊断算法研究
可以交流、咨询、答疑
2、内容说明
略
其次,对 DTS200 三容水箱系统进行机理建模,可分为对象建模和故障
建模,搭建了水箱系统的 SIMULINK 模型并建立了基于 Taylor 展开及 T-S
模糊理论的线性化模型,然后对三容水箱的液位控制算法进行了研究,针对
单入单出系统,给出一种分段控制方法,通过与常规 PID 控制及模糊自适
应控制方法比较,显示该分段控制算法的优越性;针对双入双出系统,由于
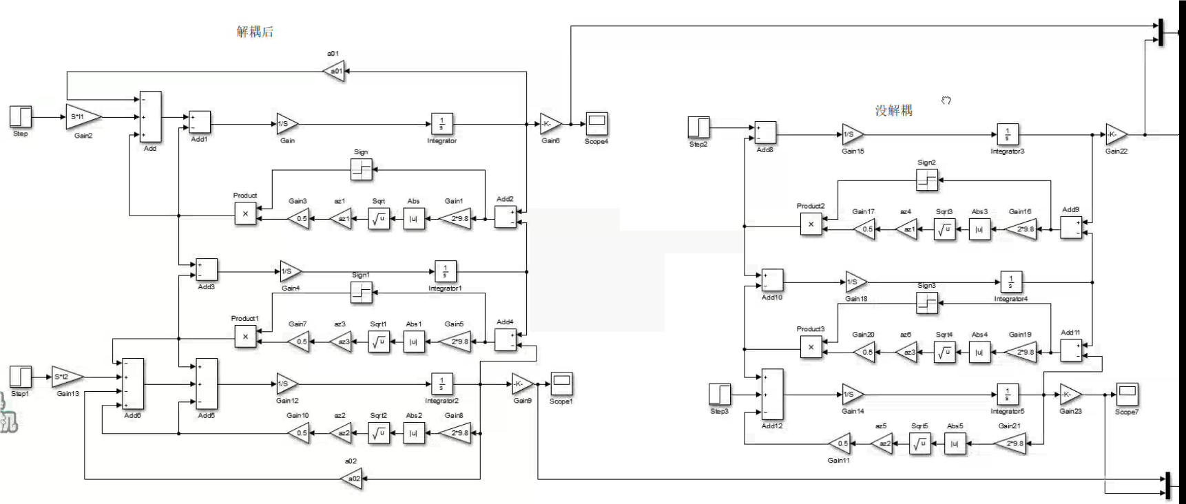
高阶系统变量之间存在着耦合特性,则利用状态反馈解耦方法,将相互耦合
的系统分解成两个相互独立的子系统,解耦前后的 PID 控制结果表明解耦
方法的有效性。
3、仿真分析
略




4、参考论文
略