目录
skiplist本质上也是一种查找结构,用于解决算法中的查找问题,跟平衡搜索树和哈希表的价值是
一样的,可以作为key或者key/value的查找模型。
一、跳表的概念
跳表是受到有序链表的启发上发展而来的。
但是可以看到链表查找的效率是O(N)。那么有人就在想了,能不能让他每间隔几个节点就升高一层,这样可以更快的跳到后面,从而提高查找效率。
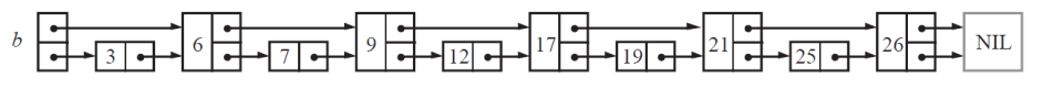
假如每相邻两个节点升高一层,增加一个指针,让指针指向下下个节点,如图b。这样所有新增加的指针连成了一个新的链表,但它包含的节点个数只有原来的一半。由于新增加的指针,我们不再需要与链表中每个节点逐个进行比较了,需要比较的节点数大概只有原来的一半。
此时的效率就变成了O(logN)
那是不是意味着层数越高,查找的效率也就越高。我们可以在第二层新产生的链表上,继续为每相邻的两个节点升高一层,增加一个指针,从而产生第三层链表。如下图c,这样搜索效率就进一步提高了。
但是人们发现,这样效率虽然极高。但是一旦涉及到插入和删除操作,就会改变该节点后面的所有节点的层高,因为我们规定了必须每隔几个就提高一层。这样即使在查找的时候效率很高,但是会由于插入操作,重新遍历后面的节点进行层高重构,导致效率又回归了O(N)。
为什么要使用随机值来确定层高
如果我们插入和删除不会改变后面的层高呢?举个例子,本来每次间隔1个要提高一层,但是现在我不再改变后面节点的层高了,我插入的新节点是多高就把他直接链接到链表中,是不是就规避了重构结构的损耗。
但是如果插入的高度是固定的,这就相当于没有利用到跳表的优化。最开始我想能不能给一个数组来决定该节点有多少层呢?答案发现是不行的。
所以这里我们采取的是随机值的办法来决定新节点到底有多高。
二、跳表的分析
(1)查找过程

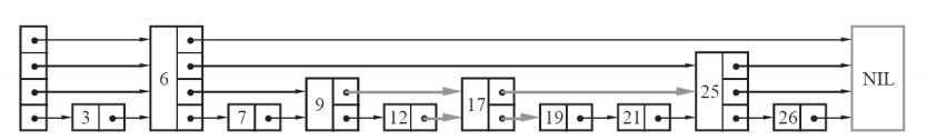
查找19分析:
从头节点的最上面的节点开始, next=6,19大于6.直接向右跳到6. next=空,向下走,next=25.25大于19.再向下走. next=9.19大于9,向右走到9. next=17. 19大于17, 向右跳到17. next=25. 25大于19.向下走. next=19.找到19. 总结: 比它大, 向右走. 比它小, 向下走
插入/删除分析:插入和删除操作的关键都是, 找到此位置的每一层节点的前一个和后一个节点. 插入和删除和其他节点无关, 只需要修改每一层的next指针指向即可. 比如现在要在节点7和9之间插入节点8. 节点8假设是三层. 那么插入只需要考虑节点8的第一层和第二层的前一个节点是6,而第三层的前一个节点是7. 第一层的后一个节点是25.第二层的后一个节点是9.第三次的后一个节点也是9. 依次改变指针知晓即可.
(2)性能分析
skiplist插入一个节点时随机出一个层数,听起来怎么这么随意,如何保证搜索时的效率呢?这里首先要细节分析的是这个随机层数是怎么来的。一般跳表会设计一个最大层数maxLevel的限制,其次会设置一个多增加一层的概率p。那么计算这个随机层数的伪代码如下图:



当数据量足够大的时候,他的时间复杂度就是O(logN),这个效率是和红黑树等搜索树相当的,非常可观。
三、跳表的实现
cpp
struct SkipListNode {
int _val;
vector<SkipListNode*> _nextv;
SkipListNode(int val, int height) :_val(val), _nextv(height, nullptr)
{}
};
cpp
class Skiplist {
typedef SkipListNode node;
public:
Skiplist() {
//头节点层数先给1层
_head = new node(-1, 1);
srand(time(0));
}
bool search(int target) {
node* cur = _head;
int level = _head->_nextv.size() - 1;
while (level >= 0)
{
//和cur->next[level]比较,比它小就向下走,比它大向右走
if (cur->_nextv[level] && cur->_nextv[level]->_val < target)
cur = cur->_nextv[level];
//下一个节点是空,即是尾,也要向下走
else if (!cur->_nextv[level] || cur->_nextv[level]->_val > target)
level--;
else return true;
}
return false;
}
vector<node*> FindPrevNode(int num)
{
node* cur = _head;
int level = _head->_nextv.size() - 1;
vector<node*> prev(level + 1, _head);//用于保存每一层的前一个
while (level >= 0)
{
//一旦要向下走了,就可以更新了,向右走不需要动
if (cur->_nextv[level] && cur->_nextv[level]->_val < num)
cur = cur->_nextv[level];
else if (cur->_nextv[level] == nullptr || cur->_nextv[level]->_val >= num)
{
prev[level] = cur;
--level;
}
}
return prev;
}
void add(int num) {
vector<node*> prev = FindPrevNode(num);
int n = RandomLevel();
node* newnode = new node(num, n);
if (_head->_nextv.size() < n)
{
_head->_nextv.resize(n, nullptr);
prev.resize(n, _head);
}
//链接前后节点即可
for (int i = 0; i < n; i++)
{
//新节点的下一个是prev的下一个
newnode->_nextv[i] = prev[i]->_nextv[i];
prev[i]->_nextv[i] = newnode;
}
}
bool erase(int num) {
//要删除你,先找到此节点的每层的前一个,和插入时相似
vector<node*> prev = FindPrevNode(num);
//代表这个值不存在, 最下层找不到它,它就一定不存在
if (prev[0]->_nextv[0] == nullptr || prev[0]->_nextv[0]->_val != num)
return false;
node* del = prev[0]->_nextv[0];
for (int i = 0; i < del->_nextv.size(); i++)
prev[i]->_nextv[i] = del->_nextv[i];
delete del;
return true;
}
int RandomLevel()
{
int level = 1;
while (rand() < RAND_MAX * _p && level < _max)
level++;
return level;
}
void Print()
{
int level = _head->_nextv.size();
for (int i = level - 1; i >= 0; --i)
{
node* cur = _head;
while (cur)
{
printf("%d->", cur->_val);
cur = cur->_nextv[i];
}
printf("\n");
}
}
private:
node* _head;
size_t _max = 32;
double _p = 0.5;
};
四、与红黑树哈希表的对比

总结:
- 平均空间开销 :
- 跳表的额外空间主要用于存储多层指针,平均每个节点增加的指针数为 O(log n)。
- 相比平衡树(如红黑树),跳表的空间开销更可控。(因为红黑树是一个三叉链,每一个节点都要要存储3个节点)
- 对比哈希表 :
- 哈希表需要额外的空间存储哈希桶和处理冲突,空间开销可能更高。
- 极端情况下哈希表会退化成链表,从而要使用红黑树。
- 哈希表一旦扩容,则需要对原来的每一个元素重新映射,并且还要拷贝到新表中。如果扩容策略较为激进,则会导致空间开销较大。

