SM7015典型应用场景:
小家电辅助电源:电磁炉、电饭煲、电压力锅、豆浆机、电水壶的控制板 / 显示 / 继电器供电。
低功耗系统:智能传感器、LED 指示灯、低压 MCU、IoT 模块、智能插座控制电路。
工业 / 仪表:小型仪器、智能模块、PLC / 传感器的辅助供电。
照明:小型 LED 灯、指示灯、低功率灯条驱动。
SM7015输出功率表:
最大电流:
输入电压12V 最大电流 (85Vac-265Vac )100MA,(180Vac-265Vac)150MA.
输入电压18V 最大电流 (85Vac-265Vac )100MA,(180Vac-265Vac)150MA.
SM7015 是一款成熟、可靠、高集成的 6W 原边反馈 AC-DC 芯片,特别适合对成本敏感、功率需求不高的消费类电源产品。凭借其内置 BJT、免光耦、低待机功耗等优势,在国产充电器市场占有率较高.

12V典型应用电路:

18V典型应用电路:

功能表述:

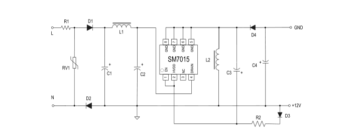
电路图说明
上图为典型的 BUCK-BOOST电路,其中C1、C2、L1组成π型滤波,有益于改善EM!特性,R1 电阻为浪涌抑制元件,D1、D2为整流二极管,构成半波整流电路:
输出部分L2为储能电感,D3为HVDD供电二极管,D4为续流二极管,在芯片关断期间提供输出电流通路:
VuT =Vp+V_-V_≈ VoD
HVDD 电压
当开关电源启动后,C2电容上的电压会通过芯片内部的高压启动MOS管向芯片HVDD电容C3充电,当C3电容电压达到 11.5V,内部高压启动MOS管关闭,同时PWM开启,系统开始工作。
当C3电容电压下降到9V以下,关闭PWM信号,同时芯片将会产生复位信号,使系统重新启动。这就是欠坏济压保护。

典型应用方案 SM7015 12V /150MA BUCK-BOOST方案

BOM清单:


注意事项
变压器设计:需精确匹配辅助绕组与次级绕组匝比,以保证 CV 精度。
CS 电阻选择:影响恒流点,需根据输出电流计算(典型 0.5--1Ω)。
EMI 优化:建议在 SW 引脚加 RC 吸收或使用慢恢复二极管降低噪声。
散热:6W 满载时芯片温升可控,但需保证 PCB 有足够铜箔连接 GND 引脚散热。