单片机型号(STC89C52)
目录
一、摘要
二、设计要求
三、原理图
四、说明书预览
五、QA
作者简介:电类领域优质创作者、多年架构师设计经验、多年校企合作经验,被多个学校常年聘为校外企业导师,指导学生毕业设计并参与学生毕业答辩指导,有较为丰富的相关经验。期待与各位高校教师、企业讲师以及同行交流合作
主要内容:人工智能与大数据、单片机/PLC开发、Matlab物联网设计与开发设计、学习资料、面试题库、技术互助、就业指导等
业务范围:指导功能设计、开题报告、任务书、文献综述、系统功能实现、代码编写、论文编写和辅导、论文降重、长期答辩答疑辅导、腾讯会议一对一专业讲解辅导答辩、模拟答辩演练、和理解代码逻辑思路等。
收藏点赞关注作者
一、摘要
随着城镇化快速发展、城市生活垃圾激增,城市的清扫任务量持续增多,传统的一人一车式道路清扫车已不能满足人们需求,因此,如何使清扫车能够高效地完成清扫任务成为人们日益关注的焦点,并且受2020年新冠肺炎疫情的影响,在消毒过程中降低人员感染风险、使清扫车拥有自主清扫消杀作业能力成为当下急需解决的问题,所以,研究一款具有自主、高效清扫消毒功能的多功能清扫消杀车成为人们的迫切需求。
通过对国内外清扫车和消毒车发展现状的分析,提出以自动、高效、功能齐全的多功能清扫消杀车作为研究方向,确定自动式清扫消杀车的整体设计要求、技术要求和实现该系统应具备的功能和性能。
本设计主要由控制器、循迹避障系统、清扫装置、消杀装置、动力装置组成,通过车体前方的颜色传感器对垃圾自动识别,清扫装置对垃圾自动清扫、收集,消杀装置对地面进行全方位地消毒。此外,为了使小车能够适应多种地形,动力装置采用履带式传动。制作实物并经多次测试,超声波传感器距离不超过15cm,颜色传感器测试数值大于1300。实验结果表明,通过简单的机械装置和电路的完美结合,系统可以完成对地面全方位、高效地清扫消毒,并在可行性和实用性等方面满足基本要求。
关键词:循迹避障;自动;高效;履带式
二、设计要求
多功能清扫消杀车系统主要性能指标如下:
(1)系统避障距离设定小于15cm;
(2)颜色传感器测试数值大于1300;
(3)消毒喷头左右转动角度大于90度;
(4)可通过控制器显示面板控制作业和停止;
(5)丢失轨迹信号时,小车向左行动直到重新搜寻到轨迹信号;
(6)铲斗上升的最大高度高于收集箱。
多功能清扫消杀车的具体功能如下:
- 识别垃圾并对垃圾进行自动清扫、收集;
(2)消毒喷头喷洒覆盖范围广;
(3)适应各种复杂地形;
(4)自动寻找路线,并且灵敏地对前方障碍物进行避障。

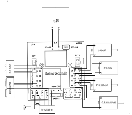
三、原理图

四、说明书预览(11008字)


五、如果学弟学妹们在毕设方面有任何问题,随时可以私信我咨询哦,有问必答!学长专注于单片机相关的知识,可以解决单片机设计、嵌入式系统、编程和硬件等方面的难题。愿毕业生有力,陪迷茫着前行!
通过网盘分享的文件:资料.rar
链接: https://pan.baidu.com/s/1oAaq4r_ZbdVjRvQsAA8r5g 提取码: BYSJ