一、PNP转NPN最常用方法:
1 . 继电器接法(最推荐,救急首选)
用中间继电器的优缺点:
优点:接线极简、无电子基础也会;
缺点:有机械延迟(约 10ms)、有噪音;
适用场景:常规检测、非高速计数场景;
2.接线:
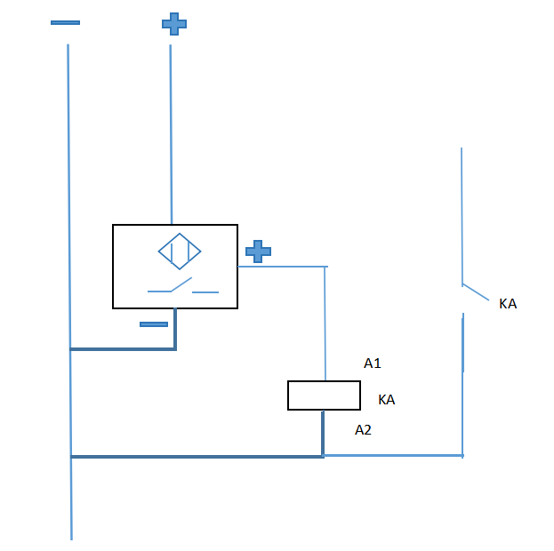
传感器供电:棕线接 24V+,蓝线接 24V-(GND),黑线(PNP 输出正极)接继电器线圈 A1 端。
继电器线圈:A2 端接 24V-(GND)。

3.验证:金属靠近接近开关感应面,当用万用表任一表笔接7号输出线时候,另一个表笔接电源正极,显示24V(忽略正负号),则证明接近开关转换成了NPN;

二、NPN转PNP方法:
1.这里我们使用的是NPN常闭的接近开关,即当将接近开关的棕线接电源正极,蓝线接电源负极,黑线悬空不接,接近开关的指示灯直接亮,当金属靠近,指示灯灭。
2.金属靠近接近开关感应面,当用万用表任一表笔接黑色输出线时候,另一个表笔接电源正极,显示24V(忽略正负号),证明是NPN;(NPN常闭,当无金属靠近时,黑线输出正极)
3.先接一个中间继电器KA1,作用是作为接近开关的一个扩展部件,他们两个的指示灯同步(同时亮/灭,整合成一个总元器件),然后用中间继电器KA1的开关量来控制输出;
将接近开关的黑线接中间继电器KA1的线圈A1,A2引出一个线回电源负极,(接近开关的棕线已接电源正极,蓝线已接电源负极),此时中间继电器KA1指示灯亮,线圈吸合。当金属靠近时,中间继电器KA1指示灯灭;


4.按照自己需要接中间继电器KA2,如上图;