LN8K05A 是内置 BJT 型 HVBUCK™功率开关 AC/DC 非隔离降压 IC,固定 5V 输出、最大输出电流 250mA(部分版本 150mA),集成 850V 高压 BJT,外围极简,适合小家电、智能排插等低功耗辅助供电场景。
LN8K05A典型应用场景
电饭煲、压力锅、咖啡机、养生壶等小家电控制板辅助电源。
智能排插、交流风扇等设备的 5V 低功耗待机供电(替代阻容降压)。
非隔离高压降压供电,为 MCU、传感器等提供稳定 5V 电源



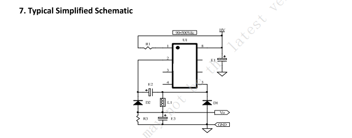
引脚功能(SOP6 封装)
| 引脚 | 功能 | 关键参数 / 连接 |
|---|---|---|
| VIN | 高压输入 | 接整流滤波后的母线电压(最高 400V) |
| GND | 电源地 | 与输出地共地,低阻抗连接 |
| FB | 反馈输入 | 接输出分压电阻,采样 5V 输出用于稳压 |
| SW | 功率开关输出 | 接储能电感 L1,内置 850V HVBJT 漏极 |
| CS | 电流采样 | 接采样电阻,检测峰值电流(可外部扩展) |
| EN/NC | 使能 / 空脚 | 高电平使能,部分版本为 NC |
LN8K05A/B/C关键特性
高性能 HVBUCK™架构 + ZeroFlux™技术,快速电流响应无过冲,峰值电流可外部调节或内部固定。
超精简外围,仅需少量元件即可实现 AC/DC 转换,替代阻容降压方案,提升效率与可靠性。
低待机功耗,满足能源之星、ERP 等能效标准,适合对功耗敏感的小家电与智能设备。
LN8K05A 集成多重保护,提升系统可靠性:
短路保护(SCP):输出短路时,FB 电压骤降,误差放大器输出触发 SCP,SW 关断并进入打嗝模式,周期性重启检测故障是否清除。
过载保护(OLP):负载电流超过 250mA,CS 检测到峰值电流超限,减小占空比或关断输出,故障移除后自动恢复。
过热保护(OTP):芯片结温超过 150℃时,内部热关断电路启动,SW 关断;温度降至阈值以下(约 130℃)自动重启。
过压保护(OVP):输出电压异常升高(如反馈开路),内部钳位电路动作,限制输出电压至安全范围
LN8K05A与阻容降压方案对比
| 指标 | LN8K05A 方案 | 阻容降压方案 | 优势 |
|---|---|---|---|
| 效率 | 60%--80%(负载 100mA) | 30%--50% | 效率提升 30%+,降低温升 |
| 输出稳定性 | 稳压精度 ±2%,动态响应快 | 随负载 / 输入电压波动大 | 适合 MCU、传感器等精密负载 |
| 保护功能 | 短路、过载、过热保护 | 无保护,易烧毁元件 | 提升系统可靠性,符合安规 |
| 待机功耗 | ≤0.1W | 0.3W--0.5W | 满足 ERP、能源之星标准 |