技术栈
STM32
钟佩颖
2025-12-30 15:42
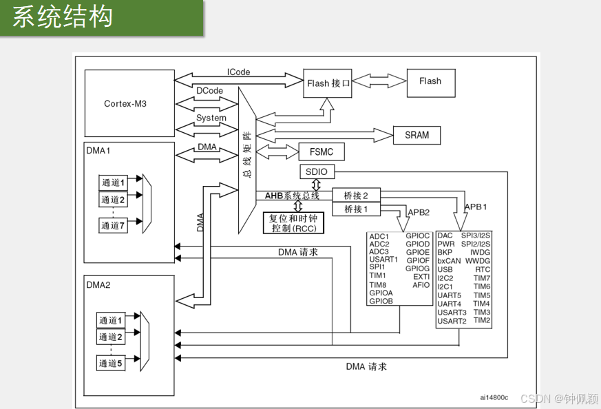
简介
软件安装
GPIO
stm32
单片机
嵌入式硬件
上一篇:
面向能源领域的AI大模型工程化落地方法
下一篇:
基于MATLAB/Simulink实现交流异步电动机矢量控制的仿真
相关推荐
悠哉悠哉愿意
4 天前
【单片机学习笔记】串口、超声波、NE555的同时使用
笔记
·
单片机
·
学习
Lester_1101
4 天前
STM32霍尔传感器输入口设置为复用功能输入口时,还能用GPIO函数直接读取IO的状态吗
stm32
·
单片机
·
嵌入式硬件
·
电机控制
LCG元
4 天前
低功耗显示方案:STM32L0驱动OLED,动态波形绘制与优化
stm32
·
嵌入式硬件
·
信息可视化
三佛科技-18736613397
4 天前
120W小体积碳化硅电源方案(LP8841SC极简方案12V10A/24V5A输出)
单片机
·
嵌入式硬件
z2034831520
4 天前
STM32F103系列单片机定时器介绍(二)
stm32
·
单片机
·
嵌入式硬件
古译汉书
4 天前
【IoT死磕系列】Day 7:只传8字节怎么控机械臂?学习工业控制 CANopen 的“对象字典”(附企业级源码)
数据结构
·
stm32
·
物联网
·
http
Alaso_shuang
4 天前
STM32 核心输入、输出模式
stm32
·
单片机
·
嵌入式硬件
脚后跟
4 天前
AI助力嵌入式物联网项目全栈开发
嵌入式硬件
·
物联网
·
ai编程
2501_91812691
4 天前
stm32死锁是怎么实现的
stm32
·
单片机
·
嵌入式硬件
·
学习
·
个人开发
z2034831520
4 天前
STM32F103系列单片机定时器介绍(一)
stm32
·
单片机
热门推荐
01
GitHub 镜像站点
02
【OpenClaw 本地实战 Ep.3】突破瓶颈:强制修改 openclaw.json 解锁 32k 上下文记忆
03
OpenClaw 使用和管理 MCP 完全指南
04
OpenClaw + 飞书(Feishu)环境搭建指南
05
OpenClaw优化飞书API 额度已耗尽问题
06
Claude Code + GLM4.7 避坑指南:解决 Unable to connect to Anthropic services
07
Clawdbot部署教程:解决‘gateway token missing’授权问题的完整步骤
08
Window 10部署openclaw报错node.exe : npm error code 128
09
OpenClaw大龙虾机器人完整安装教程
10
OpenClaw 接入阿里云百炼 Coding Plan 指南