1引言
随着物联网技术的蓬勃发展,电能计量芯片已不再局限于传统电表领域,而是扩展到各类智能产品领域,涵盖WIFI插座、电动汽车充电桩、光伏储能系统、智能交通信号灯以及火灾报警系统等。这些智能设备通过集成电能计量芯片,实现了对电能参数的精确监控,从而提升了能源管理的效率和准确性。

图 1
2功率计量芯片的应用场景
2.1智能电网
智能电表方案通常配备先进的通信模块,包括4G、Wi-Fi、ZigBee和RF等技术,这些模块使得电能使用数据能够被远程传输至电网运营商,便于进行数据的实时监控和管理,实现远程抄表和数据监控,电表芯片则可以监测电网状态,如电压波动、频率偏差等,及时发现并报告电网异常,提高电网的可靠性和稳定性。

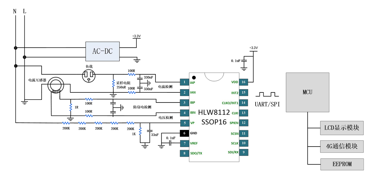
图 2 HLW8112 智能电表应用
使用HLW8112的智能电表方案可以实现用户端的电能、功率、电压、电流和电网频率等基本参数的计算,通过测量50HZ的交流波形数据,可以对电网质量进行监测,了解电网线路的状态,采用双通道测量电流时,还能实现防窃电功能。
2.2智能家居
电能计量芯片在智能家居行业中的应用非常广泛,它们可以精确测量和监控家庭中的电能消耗,此外,人工智能和机器学习算法的集成,有望进一步提升电能计量系统的预测分析、异常检测和能源优化等能力,以下是一些具体的应用场景。
2.2.1智能插座
智能插座是一种可以远程控制家用电器的电源插头,它通常通过Wi-Fi或蓝牙与智能设备(如智能手机、平板电脑)连接。智能插座使用户能够随时随地控制插座上的电器,即使不在家也能通过应用程序对其进行开关、定时和定量控制。
下图是计量芯片HLW8032在WIFI PLUG的应用框路,HLW8032采用的单口UART的传输方式,相较于双口的UART,可以节省一个光藕,HLW8032还具有免校准功能,在生产环节,可以省去复杂的校准工序,降低成本,简化应用。

图 3 HLW8032 WIFI PLUG 应用
2.2.2 节能插座
节电插座是传统插座的转型升级,在传统插座上增加检测装置(智能芯片),节电插座通过智能芯片和程序软件,对家用电器的运行状况进行监控,当电器处于待机时智能启动终端关闭装置切断电源,运行时能自动接通相关电源,给用户带来极大的方便和安全,将待机能耗降为零。HLW8012可以应用于低成本的节能插座方案,HLW8012的作用是检测主控插座的功率,当主控插作的功率低于待机功率时,继电器会断开副控插座的供电电源,达到节省功耗的目的。
2.2.3 智能电热毯
下图为HLW8110芯片电热毯等应用设计,其典型电路简洁,仅需要少量外围器件。HLW8110可以测量任意波形,能够精确监测并计算负载设备的功率、电压、电流和能耗,并将这些数据通过UART传输至微控制器单元(MCU)。此外,HLW8110允许用户在芯片内部设定功率、电压和电流的过载阈值,以增强系统的安全性和可靠性。

图 4 HLW8110 智能电热毯应用
2.3智慧照明系统
智慧照明系统融合了现代信息技术,提供了一种创新的照明控制方案。以智慧路灯为例,该系统利用传感器、控制器和通信技术,实现了照明设备的自动化管理和控制,提高了能源效率和系统的整体可靠性,计量芯片HLW8012在系统中的作用有以下两点:
1、数据采集:利用自组网连接电压或者电流传感器,通过电能计量芯片实时采集照明系统电流、电压、功率因素等数据变化,实时检测设备的运行状态;
2、电路过载保护:通过计量芯片实时采集到的数据进行分析处理,保证负载处于合理范围内,防止由于过高电压或者电流照成了整个路灯系统故障。
2.4电动汽车充电枪
随着新能源汽车的普及,电动汽车充电枪逐渐成为我们生活中不可或缺的一部分,而在这背后,电能计量芯片作为充电枪的智能"心脏",扮演着至关重要的角色。
HLW8112芯片配备了两个电流采集通道和一个电压采样通道,这使得它在充电枪的设计中能够实现多方面的功能。其中一个电流采集通道可以专门用于漏电检测,增强了充电过程的安全性。

图 5 HLW8112 电动汽车充电枪应用
2.5通信基站与数据中心
基站内的通信设备依赖于直流电源系统来实现稳定供电,其中包括电源分配单元(PDU)和直流断路器等关键组件。通过使用直流计量设备,可以对不同运营商的通信设备进行能耗监测。HLW8110具备测量直流信号的能力,通过关闭芯片内置的高通滤波器(HPF),HLW8110能够对直流终端设备的电压、电流、功率和电量进行精确采样,因此HLW8110可以用于一些通信设备的电参数测量,比如PDU和直流断路器等设备。

图 6 HLW8110 通讯基站应用
2.6逆变器在光伏储能的应用
逆变器又称逆变电源,是一种电源转换装置,是通过半导体功率开关的开通和关断作用,把直流电能转变成交流电能,是整流变换的逆过程。逆变器可将12V或24V的直流电转换成240V、50Hz交流电或其它类型的交流电。它输出的交流电可用于各类设备,最大限度地满足移动供电场所或无电地区用户对交流电源的需要。由于HLW8110可以测量任意波形信号,因此可以对逆变器之后的正弦波,修正正弦波和方波都可以进行测量,也可以直接测量MPPT电路后的直流信号数据。

图 7 HLW8110 光伏逆变器应用
3结语
以上所述仅为功率计量芯片应用的冰山一角。事实上,任何涉及电能管理的场景,都有望通过功率计量芯片实现性能的飞跃,从而在能源效率、成本节约以及环境可持续性方面获得显著益处。