FT32F072xB系列作为一款国产32位RISC内核MCU,凭借其强大的性能和丰富的外设功能,正在逐渐成为工程师们的新宠。本文将深入解析FT32F072xB系列(包括KBBU7、C8AT7、CBAT7等型号)的核心特性、系统架构、引脚定义、供电方案以及实际应用案例,帮助读者快速掌握这款芯片的关键信息,为项目选型和开发提供实用参考。
型号速览
| 型号尾缀 | 封装 | Flash/SRAM | GPIO | ADC 通道 | DAC/OPA/CMP | 触摸键 | 特色场景 | 参考交期 |
|---|---|---|---|---|---|---|---|---|
| KBBU7 | QFN32-5×5 | 128 k/24 k | 25 | 10+6 int | 2/2/3 | 24 | 超小封装、TWS 充电仓 | 6 周 |
| C8AT7 | LQFP32-7×7 | 128 k/24 k | 25 | 10+6 int | 2/2/3 | 24 | 低成本、双面板可走线 | 6 周 |
| CBAT7 | LQFP48-7×7 | 128 k/24 k | 37 | 16+6 int | 2/2/3 | 24 | 兼容 STM32F072 48Pin | 6 周 |
| RBAT7 | LQFP64-10×10 | 128 k/24 k | 51 | 16+6 int | 2/2/3 | 24 | 全功能引出、工业控制 | 6 周 |
一句话总结:QFN32 做"小",LQFP48/64 做"全",32Pin 是价格甜点。
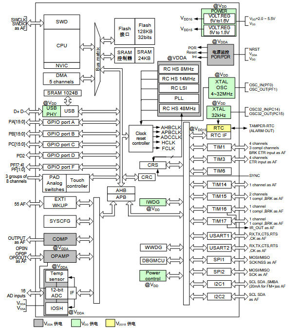
系统框图

供电方案:一张原理图直接抄
关键点
-
VDDA 必须与 VDD 同电源,但走线先经 RC 低通(10 Ω + 1 µF)再进片内,ADC 信噪比可再提 3 dB。
-
USB 应用时,VDD 范围 2.0~3.6 V,超出必须 LDO;否则 D+/D- 眼图失败。
-
QFN32 底部散热焊盘接 GND,打 9 个过孔 0.3 mm 到内层,可降 8 ℃。

引脚复用:三张表搞定 GPIO 打架
默认"明星脚"
PA9/PA10:USART1_TX/RX,兼 USB DM/DP,必须优先保。
PA11/PA12:USB 信号,若不用 USB 可退给 USART1_CTS/RTS。
PB6/PB7:I²C1_SCL/SDA,FM+ 模式 20 mA 驱动,1 MHz 长距离上拉 1 kΩ 也能跑。
触摸走线黄金法则
24 路触摸按键已固定到 PA0~PA7、PB0~PB2、PB10~PB15、PF6/7,无需复用。走线 < 5 cm,包地 0.2 mm,采样电容 100 nF NPO 贴于背面,灵敏度 3 mm 亚克力 + 0.1 mm 铜箔可稳定 10 级。
时钟脚别乱动
PC14/PC15 接 32.768 kHz,负载电容 CL = 12.5 pF 晶体,MCU 内部已含 5 pF,外部再补 15 pF×2 即可,误差 < 5 ppm,RTC 一天偏差 0.4 s。


实战案例:三个真实场景
-
迷你 USB 电流表
-
型号:KBBU7
-
方案:差分放大 + 内部运放 + 12-bit ADC 采样 20 kHz,USB CDC 上传 PC,成本 < 10 元。
-
-
伺服 1024 线编码器
-
型号:C8AT7
-
方案:TIM1 四倍频 AB 相,16-bit 计数器硬件防抖,SPI 输出位置,-40-105 ℃ 工业级。
-
-
筋膜枪三合一驱动
-
型号:CBAT7
-
方案:TIM1 三相 24 kHz PWM 驱动无刷,比较器做峰值电流保护,Touch 滑条调档,USB-C 5 V/9 V 快充。
-
FAQ:最容易翻车的 5 个问题
Q1:为何 USB 枚举失败?
→ 48 MHz 内部 RC 精度不够?打开时钟恢复系统 CRS,让 SOF 帧自动校准。
Q2:ADC 采样跳码?
→ 采样时间 < 0.5 µs,RAIN > 10 kΩ,按公式重新算 Ts;同时把 VDDA 与 VDD 用 0 Ω 电阻单点连接。
Q3:Touch 在水花下误触发?
→ 把触控阈值调低 20 %,开启硬件"雨水抑制"滤波,PCB 铺地 30 % 网格。
Q4:96 MHz 时程序跑飞?
→ Flash 等零等待已超频,手动插入 1 等待,打开预取;或者把关键代码搬到 SRAM 运行。
Q5:LQFP48 封装底部散热焊盘要不要接地?
→ 必须! datasheet 写明中心 PAD 是 VSS,否则热阻 60 ℃/W 变 90 ℃/W,芯片 85 ℃ 降频。
结语
FT32F072xB系列MCU凭借其高性能、低功耗和丰富的外设功能,正在成为智能设备开发中的热门选择。希望上述能够帮助工程师们在项目开发中更好地利用FT32F072xB系列,实现高效、可靠的智能设备设计。